1.适用范围
电子式时间继电器适用于交流50Hz(60Hz),额定工作电压380V及以下或直流24V及以下的控制电路中作延时元件,按预定的时间接通或分断电路。
2.结构特征
电子式时间继电器具有体积小、重量轻、结构紧凑、延时范围广、延时精度高、可靠性好、寿命长等特点。
3.常用电子式时间继电器产品型号及主要技术参数
常用电子式时间继电器的延时精度≤10%,也可≤5%,电寿命1×105次,机械寿命1×106次。其他主要技术参数见表1-88。
表1-88 常用电子式时间继电器的产品型号及主要技术参数


4.常用电子式时间继电器接线图
常用电子式时间继电器接线图见图1-58。

电源
延时1转换

电源
延时1转换

电源
延时、瞬时各1转换

电源
JSZ3F/K

电源
JSZ3Y

电源
JSZ3R
图1-58a JSZ2、JSZ3接线图

图1-58b JSZ6接线图
(1)JSZ2、JSZ3接线图见图1-58a。
(2)JSZ6接线图见图1-58b。
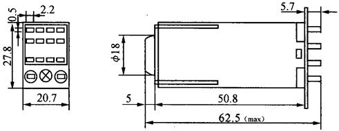
5.电子式时间继电器的外形安装尺寸
电子式时间继电器的外形安装尺寸及开孔尺寸见图1-59。

图1-59a JSZ2面板式外形和开孔尺寸

图1-59b JSZ2装置式外形和开孔尺寸

图1-59c JSZ3外形尺寸

图1-59d JSZ6外形尺寸

图1-59e JSM8外形和开孔尺寸
(1)JSZ2面板式外形和开孔尺寸见图1-59a。
(2)JSZ2装置式外形和开孔尺寸见图1-59b。
(3)JSZ3外形尺寸见图1-59c。
(4)JSZ6外形尺寸见图1-59d。
(5)JSM8外形和开孔尺寸见图1-59e。