网站首页  词典首页


请输入您要查询的字词:

 

字词 电子经纬仪的检验和校正
类别 中英文字词句释义及详细解析
释义

电子经纬仪的检验和校正


如前所述,光电经纬仪(电子经纬仪)从内部结构上已经大大不同于普通的光学经纬仪,无论是编码度盘还是光栅盘,电子细分的脉冲当量越小,仪器的灵敏度也越高。但是仪器的总准确度主要决定于下列几方面的因素:

1)望远镜成像质量,包括望远镜鉴别率和像差,望远镜调焦时视轴变动误差;

2)轴的制造准确度、轴与轴套之间的间隙、竖轴与横轴的垂直度、视准轴与横轴的垂直度、竖轴不铅垂、照准部旋转正确性等;

3)偏心差:偏心差包括照准偏心差、水平度盘偏心差、竖直度盘偏心差;

4)竖盘指标自动补偿器准确度;

5)码盘或光栅盘的准确度和测微光栅的分划误差;

6)电器元件的可靠性;

7)相位的正交性。

同时,光电度盘电子细分的脉冲当量(测角分辨率)应该与其他设计参数匹配,相应地提高其他零部件的设计制造准确度。

此外,因光电经纬仪还要与测距仪组成电子速测仪,故还应考虑测距对仪器的要求。总的来说应考虑下列诸因素:

1)竖直角的准确度直接影响水平距离和高差测量的准确度,故应尽可能提高竖直度盘的准确度,使之等于或接近于水平度盘的准确度。

2)竖盘指标自动补偿器尽可能采用液体补偿器。其优点有三:

①加速竖直角的观测;

②可提高准确度;

③液体补偿器不存在停摆和卡死现象。

3)减小竖轴的倾斜,其方法有二:

①在制造上保证;

②仪器自检程序中编制出相应的程序,对竖轴的倾斜进行检定,并调整之。

4)其他零部件也要相应地提高加工准确度。

根据测角原理,经纬仪各轴之间应满足一定的几何条件,保证仪器的竖轴竖直,水平度盘水平和望远镜绕轴旋转所形成的为一竖直面。为此,在作业前必须进行检验和校正,以保证观测成果的质量。

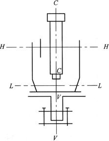
经纬仪的各主要轴系之间应满足下列三个主要条件(图18-81):

图18-81 经纬仪的轴线

1)照准部水准管轴垂直于竖轴(LL⊥VV);

2)视准轴垂直于横轴(CC⊥HH);

3)横轴垂直与竖轴(HH⊥VV)。

电子经纬仪读数系统主要部分大多是电子系统。角度测量按增量法或绝对法进行,通过光电接收器、检测光栏、电子计数及电子细分装置,实现了仪器上运动部分的定向,并把采集到的定向数据输入微处理机按指定的程序进行处理;计算的结果则通过显示窗或按要求输入数据记录器储存起来。数据记录器通过接口与打印机或微机连接,把记录结果按规定格式打印或存入微机作进一步处理。这类仪器可通过正倒镜两位置测定望远镜视准差,并将其存储起来,在以后的测角中可直接输出经过改正的观测数据,如T2000。大部分电子经纬仪都能自动改正因竖轴倾斜而引起的测角误差。电子经纬仪的功能多于光学经纬仪,目前市场产品种类较多,各类仪器必须熟读使用说明书后方可操作。一般来说,电子经纬仪应进行下列项目的检验和校正:

1)长水准器的检验和校正;

2)圆水准器的检验和校正;

3)光学对点器的检验和校正;

4)望远镜分划板竖丝的检验和校正;

5)视准差C的检验和校正;

6)竖盘指标差的检验和校正;

7)竖盘补偿器的检验和校正等。

其中1)~4)项为一般检验,和光学经纬仪相同;而5)~7)项由于不同型号电子经纬仪的功能各异,检校方法有所不同。

电子经纬仪的上述指标应该达到同等精度光学经纬仪的标准,表18-13是目前国内光学经纬仪的相应标准,电子经纬仪检验时可以参照。

表18-13 经纬仪几何关系限差要求一览表

随便看

 

离鸟网收录3541549条中英文词条,其功能与新华字典、现代汉语词典、牛津高阶英汉词典等各类中英文词典类似,基本涵盖了全部常用中英文字词句的读音、释义及用法,是语言学习和写作的有利工具。

 

Copyright © 2004-2024 vtrois.com All Rights Reserved
更新时间:2026/4/7 23:26:04