网站首页  词典首页


请输入您要查询的字词:

 

字词 电容计量
类别 中英文字词句释义及详细解析
释义

电容计量


1.电容器

电容计量的目的是用由计算电容复现的电容单位量值标定待测电容器的电容量。由于计算电容复现的电容量很小,仅有0.5pF,而且操作复杂,为了适应检定工作的需要,设立了由四只标称值为10pF的石英电容器组成的电容单位国家副基准,其数值由计算电容测定,然后再传递到一系列范围宽广的电容量值。实用的范围为0.0001pF~1F,跨越16个数量级。为了保存这么宽范围的电容量值,需要不同种类的标准电容器,如表6.4-1所示。

表6.4-1 不同量限电容量使用的标准电容器

标准电容器的稳定度以石英电容器为最好,可达到10-6/年量级。空气电容器和云母电容器可达到10-5~10-6/年,涤纶电容器及电子等效电容的特点是容量很大,但稳定性只能达到达10-3~10-2/年,除了电容器的稳定性,标准电容器的损角也是一个重要参数,损角越小,表示电容的阻抗越接近理想的容抗,密封电容器的损耗可小到10-6量级,因此也常用作损角标准。石英电容器的损耗可小到10-5量级,云母电容为10-4~10-5,塑料膜电容器为10-3~10-4,变压器等效电容则为10-2~10-3

近年来由于计算机电源的需要,大容量电容的计量工作的需求较多,有的电容器容量已达1F,这些电容多半是电解电容,但电解电容的准确度不易做高,作为大容量的标准电容,必须想别的办法。变压器等效电容就是为此目的而设计的一种大容量标准电容,其原理如图6.4-1所示,如果变压器的变比为N,则从原边看,接在次级的电容量C的等效电容为N2C,如果N=1000,C=1μF,等效电容就为1F,而1μF的电容是可以用塑料膜电容,体积不很大,而稳定性可达到10-3量级,适合于大容量标准电容的需要。

图6.4-1 变压器等效电容

大容量电容标准的另一问题是其阻抗较低需用四端纽接法,因此在图6.4-1的右侧又接了另一个变压器作为电压互感器,其变比也是N,这样,图6.4-1的变压器等效电容器就成了一个名义值为N2C的四端大容量标准。

2.标准电容的检定方法及测量仪器

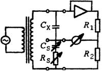
电容量值一般都是用交流电桥进行测量。传统的交流电桥是由阻抗元件构成,图6.4-2给出了常用的测量电容量和损耗角的西林电桥。图中,被测臂电容器用等效串联电路表示,标准臂电容器CS按理想元件定义,它通常是高质量的十进电容器并带有一个可微调的可变电容;C1和R1、R2为可调电容和电阻,构成比例臂。电桥平衡时,被测电容Cx及其等效串联电阻值RX和损耗因数DX可由下式求出。

图6.4-2 西林电桥原理电路图

由上述表达式可看出,电桥的平衡方程与频率无关,但损耗因数的表达式与频率有关,因此,电容盘C1应在不同频率下进行过检定,使用在6.4-10式时要加频率修正。

图6.4-2所示的西林电桥,当将其被测臂和C1、R1臂的位置对调,且标准臂和被测臂均为固定电容器时,则成为高压西林电桥。因为此时电桥的调节部分均置于指零仪的另一边,若在标准臂和被测臂的公共接点处的电源端接入较高的电压,由于标准臂和被测臂的电容器的降压作用,可使指零仪和比例臂的调节装置仍处于低电压状态。这种电桥广泛应用于高电压下测量绝缘材料的介质损耗及高压电容器。根据标准电容器和被测元件的不同要求,其电源电压可由100V至高达20kV,工作频率一般在50~100H2范围。

上述这种由阻抗元件构成的交流电桥,测量准确度不超过10-4量级,因此对于一些准确度要求高的测量,一般都采用替代法。替代法测量的准确度主要取决于所用标准器的准确度等级及装置的分辨率。

五十年代开始发展起来的变压器电桥,比传统的交流电桥能更好地满足电容精密测量的要求。这种电桥的原理如图6.4-3所示,电桥的比例臂用感应分压器的两个绕组构成,这两个绕组称为比例绕组,用相互耦合得很紧的绞合线构成,并用高μ合金构成镯环型铁心(见图6.4-4)。这样,比例绕组耦合的基本上是同一公共磁通,产生的感应电势就严格地与比例绕组的匝数成为正比,因此可以达到很高的比例准确度。精心制作的比例绕组其感应电势的比例准确度可达到10-6~10-9

图6.4-3 变压器电桥的原理线路

图6.4-3的变压器电桥平衡时,可得

Vs(jωCs+Gs)=Vx(jωCX+Gx) (6.4-11)

将上式分成实部和虚部两个等式,整理后得

图6.4-3中电桥的接地点G选择在两比例臂的连接处,这样,标准和被测电容的高端H及低端L对地的电容对上述平衡方程式不产生影响,因为两个H点对G点的电容是并接在变压器的两端,只是增加了副端绕组的负载电流,而并不影响其输出电压VS和VX的值。

图6.4-4 用环形铁芯及绞合线绕组构成的感应分压器

电桥的不平衡量可用灵敏的交流指零仪D指示,采用相检波技术的指零仪,可以检出10-8~10-9量级的不平衡量。另一方面,相检波指零仪可以很好的检出90°分量,即反应电容的相角分量,因此,此种电桥也可用于电容损角测量。

变压器电桥常用的比例为1:1,1:10和1:100。1:1比例用于同名义值电容的比较,1:10和1:100则用于十进电容量值之间的传递。

图6.4-3的变压器电桥主要适合小容量电容器的测量,对于大容量电容器,引线的影响不能忽略,因此需用四端钮测量线路,图6.4-5中就是一例。四端钮接法的CS和CX上的电压经运算放大器匹配后供给电阻分压器,就避免了引线阻抗的影响。由于电阻分压器的分压比可以做得很大,CS可以用1μF左右的标准电容箱,RS则用于平衡损角。

图6.4-5 适合于大电容测量的变压器电桥

上述电桥均为手动接法,运用现代电子技术的成就可以组成自动测量的数字电桥,原理如图6.4-6所示。一般此种电桥用伏安法测量,标准电阻R上的压降测量电流的大小,与被测电容上的电压一起进入数字化测量单元,就可直接显示出被测电容的大小,准确度为10-4量级。

图6.4-6 数字电桥的原理电路

【参考文献】:

[1]国家技术监督局发布,GB3100~3102-93量和单位国家标准,中国标准出版社,1994年12月。

[2]王江主编,现代计量测试技术(第18章电磁计量技术),中国计量出版社,1990年12月。

[3]程守洙、江之永主编,普通物理学第二册,人民教育出版社,1979年2月。

[4]俞大光编,电工基础,人民教育出版社,1958年9月。

[5]Г.И.阿塔别柯夫,线性电路理论,人民教育出版社,1963年12月。

[6]C.A.狄苏尔、葛守仁,电路基本理论,人民教育出版社,1979年1月。

[7]乔蔚川、刘瑞珉、沈平子,The Absolute Measurement of the Ampere by Means of NMR,IEEE Trans.Instrum.Meas.,vol.IM-29,No.4,Dec.,1980.

[9]张钟华等,NIM用计算电容测定的量子化霍尔电阻的SI值(英文),计量学报,第16卷,第1期,1995年1月。

[10]刘瑞珉、刘恒基、金惕若等,NIM对γ′p及2e/h的SI值的最新测定结果(英文),计量学报,Vol.16,No.3,1995年7月。

[11]B.P.Kibble。I.A.Robinson and J.H.Belliss,A Realization of the SI Watt by the NPL MovingCoil Balance,CCE Documents 88-16,1988.

[12]P.T.Olsen。R.E.Elmquist,E.R.Williams,G.R.Jones and V.E.Bower,A Measurement of the NBS Electrical Watt in SI Units,CCE Documents 88-37,1988.

[13]Report of the 18th Meeting of CCE,1988.

[14]B.P.Kibble,I.A.Robinson and J.H.Belliss,The New NPL Moving Coil Balance-A Progress Report,CCE Documents 92-61,1992.

[15]唐统一、张钟华、张叔涵主编,近代电磁测量,中国计量出版社,1992年8月。

[16]袁楠、沈平子编,电磁量的单位制和单位的复现与传递,机械工业出版社,1986年4月。

[17]阮永顺、迈淑琴、王晓超编着,交流电桥检定与测试技术,中国计量出版社,1991年5月。

[18]唐佐梁、梁德正等,电能计量手册,河南科学技术出版社,1990年12月。

[19]K.J.Lentner.A Current Comparator System to Establish the Unite of Electrical Energy at 60 Hz,IEEE Trans.Instr.Meas.Vol.23,No.4,p.334-336,Dec.,1974.

[20]ю.B.阿法拉谢耶夫等着[苏],张伦译,磁场参数测量器具,科学出版社,1983。

[21]p.Φ.阿克纳叶夫、Л.И.留必莫夫、A.M.巴纳休克-米罗维齐着,李绍贵,王登安译,电磁量计量器具的检定,中国计量出版社,1992年5月。

随便看

 

离鸟网收录3541549条中英文词条,其功能与新华字典、现代汉语词典、牛津高阶英汉词典等各类中英文词典类似,基本涵盖了全部常用中英文字词句的读音、释义及用法,是语言学习和写作的有利工具。

 

Copyright © 2004-2024 vtrois.com All Rights Reserved
更新时间:2026/4/9 3:03:13