网站首页  词典首页


请输入您要查询的字词:

 

字词 电磁剖面法
类别 中英文字词句释义及详细解析
释义

电磁剖面法


11.2.1 基本原理

电磁剖面法(Electromagnetic Induction Profiling)是电磁感应法的一种观测方式。电磁感应法是以岩石和矿物的导电性与导磁性差异为主要物理基础,根据电磁感应原理观测和研究电磁场空间与时间分布规律,从而解决地质问题的一组分支电法勘探方法。

将交变电流通入发射线圈中,使其在周围产生足够强的一次交变磁场H1,在地下良导体中则形成感应电动势和感应电流,感应电流在其周围产生二次磁场H2。在不同观测点上,总磁场的振幅H以及与一次磁场H1间的相位角随测点发生变化,故产生电磁异常。测量总磁场振幅和相位的方法称为振幅相位法,而测量总磁场实、虚部的方法称为实、虚分量法。电磁感应法的激发场及一次场可由多种形式产生,如以两端用电极接地的长直导线,或边宽及边长达几百米至几千米称为大定源场的矩形不接地回线产生的磁场。磁场等效于交变磁偶极子产生的磁偶极子场。

11.2.2 观测方法

11.2.2.1 大定源回线法

大定源回线法(又称不接地回线法)是指在均匀场或似均匀场中研究水平或缓倾斜产状良导体的一种详查方法。该方法可在回线内外两侧测量,其特点是:地面各点的磁场方向均垂直地面,回线中部的磁场较均匀,一次场H1Z在回线内的形状为“U”字型。在回线中部H1Z为均匀场,因其随深度减弱较慢,故有较深的探测能力。回线外部的一次场为不均匀场。大定源回线法有实、虚分量和振幅比-相位差两种测量方法。

(1)实、虚分量法

实、虚分量法按线圈安放的方法不同,可沿测线逐点观测交变磁场的垂直分量或沿剖面方向的水平分量。观测的参数有:垂直分量或水平分量的实部和虚部及它们的振幅、相位,根据需要既可单独测量某些参数也可测量全部参数。但相位观测较为困难,故较少使用。

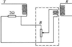
观测振幅异常的实、虚分量,需从发射源引入相位参考信号至接收仪,需拖带很长的传输线。当仅测量虚分量时,可采用磁路补偿法,见图11-2。在发射线圈(T)回路中串联一个2Ω电阻,将两端的电压送到接收器补偿部分(B),它由幅度调节和补偿线圈组成。补偿线圈固定在接收线圈(R)旁边,它产生的补偿磁场与一次磁场相位差180°,调节幅度,使之在接收线圈中与所观测场H的实分量ReH抵消,当指示器读数最小时,表示ReH被全部补偿,此时读数即为虚分量ImH。

图11-2 实、虚分量法补偿式线路原理图

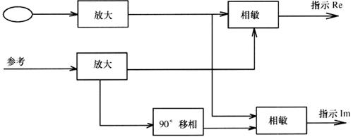
当实、虚分量都观测时,用相敏检波器直接检测,其原理见图11-3。待测信号U由放大器输至两个独立的相敏检波器,由相敏检波原理可知,输出信号U输出正比于输入信号U中与基准电压同向的分量,显然只输出实分量;基准电压与参考信号相位差90°,它只输出U的虚分量。

图11-3 实、虚分量法直接检测原理示意图

实、虚分量法的主要特点是:异常幅度大,曲线形态简单,仅观测振幅时工作效率较高。

(2)振幅比-相位差法

该方法可观测剖面上相邻两点磁场振幅的比值及两点磁场间的相位差。工作中通常保持两接收线圈水平,即观测磁场垂直分量的振幅比及相位差,其场源可采用不接地大回线或接地的无限长导线。

振幅比-相位差测量仪器多采用直接读出振幅比(Rd)和相位差(△Φ)的直读式方案(图11-4)。接收线圈S1、S2将所在点的磁场转换为感应电动势后,经各自放大器一方面加到除法器上进行振幅的除法运算,输出至指示器指出振幅比(Rd);另一方面通过限幅器将讯号限幅,送至相位比较器。其输出电压代表了两个讯号的相位差(△Φ),并在另一指示器给出。

图11-4 振幅比-相位差法观测原理示意图

11.2.2.2 电磁偶极剖面法

电磁偶极剖面法的特点是:①装置轻便,使用灵活,工作效率高;②可选择与地质体较强耦合关系的发射形式,从而提高探测能力;③勘探深度较浅。一次场的分布形态与均匀各向同性介质中电偶极子的电场基本相同,二次磁场随线圈中心到观测点的距离的立方衰减,场的方向是一次场分量的方向角的函数。用磁偶极子场工作时应注意场的方向性,并采用适当的装置使强的一次磁场穿过目标体,以增强二次磁场异常。电磁偶极剖面法包括有:虚分量-振幅法、水平线圈法、倾角法。

(1)虚分量-振幅法

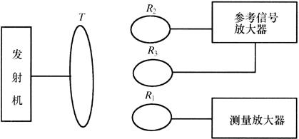
本法测量磁场振幅及虚分量。取接收点最强的那个分量作为参考讯号,观测与参考讯号呈正交方向的磁场虚分量。可不用参考电缆,测量原理见图11-5。图中发射线圈T铅直放置,参考线圈R2与T共面,而接收线圈R1与T正交,接收磁场垂直分量,R3为补偿线圈,输出磁场补偿信号。要测垂直分量的虚部,本应以一次磁场讯号为准,测量与其成90°相位分量。此法所测量的虚分量是与水平方向总场成90°相位的那个分量,因这种参数讯号的相位与一次磁场不一致,故测得的虚分量与理论值有误差。但是在有利条件下,以测点处最强的磁场分量为参数讯号,所测得的虚分量与理论值之差较小。

图11-5 虚分量-振幅法测量原理图

此方法的优点是便于发现异常,容易提高观测精度和勘探深度;地形影响小;多频虚分量观测结果有较好的评价和区分异常能力。缺点是对仪器稳定性要求高,工作不方便;缺失实分量信息,特别对良导体及磁性体需比虚分量大得多的实分量信息。

(2)水平线圈法

该方法是电磁法中较常用的一种。它采用轻便的发射线圈和接收线圈,参考信号是发射线圈旁的一个固定线圈上的感应电压,通过连接在发射与接收线圈的传输电缆供给补偿器,选用2~3个400~4000Hz之间的工作频率用一次磁场归一化的方法测量实、虚分量。

该方法的特点是:异常形态简单,收发距、覆盖层、地形对异常影响比较大,尤其是实部影响虚部的异常形态,勘探深度30~50m。因为观测ReH/H和ImH/H属于相对测量,它具有相对测量的优缺点。

(3)倾角法

倾角法是测量椭圆极化长轴与一次磁场间空间夹角的一种电磁剖面法。常用的方法有:定源垂直线框倾角法(VEM)、平行移动倾角法(BEM)、对消倾角法(LEM)。

定源垂直线框倾角法:该法是将发射线框垂直放于目的体在地表投影点上,距其数十米布设垂直于目的物走向的测线,接收机沿测线观测。每次观测首先要求发射线框面与接收线圈面相互照准,故在发射线框处根据观测点所在位置预先计算好线框架水平度盘应取得方位角,然后依顺序转动水平度盘。接收线圈的照准方法是,将线圈面垂直放置并沿垂直轴转动,找到接收器指示最大读数的线圈方位,然后照准该方向进行倾角测量。由于发-收线圈面处于照准状态,在测点上一次场只有水平分量,地下目的体在一次场的激励下产生二次场有似偶极场的性质。在各测点上,二次场方向是由通过该点之磁力线的切线求得,其幅值决定于测点到等效发射中心的距离。

平行移动倾角法:平行移动倾角法又称旁线倾角法。发射线圈和接收线圈分别放在相距100m左右的不同测线同号测点上。测定一个测点后,发-收线圈同时移到下一测点。发、收线圈要相互照准。

(4)对消倾角法

该方法的野外观测方法是:两个操作员用预先选定的发、收距在同一测线上进行同线观测。工作时,首先是甲操作员发射,乙操作员接收;然后倒换,由乙操作员发射,甲操作员接收。测量倾角时,观测操作员面向着使发射操作员在自己的左侧的方向,并照准垂直测线的方向观测倾角,记录点取两者的中点,绘图的倾角值取两者之和。对消倾角法在消除地形造成的倾角异常方面有良好的效果。在野外工作中不要求发、收线圈间相互对照。其异常范围宽,可适合山区等地工作。缺点是异常范围宽且形态复杂,当地质噪声大和不稳定时,不易辨认有意义的异常。

11.2.3 成果表达形式

(1)水平距离(或点号)随各种参数变化的坐标曲线,横坐标代表距离(或点号),纵坐标代表振幅、虚分量、相位、倾角等各种参数;

(2)各种参数的平面剖面图,主要用于面积性勘查工作;

(3)各种参数的等值线剖面图。

11.2.4 资料解释原则

实、虚分量法对野外实测结果进行推断解释时,首先应对定性解释给予应有的重视,如确定异常范围、走向长度、倾斜方向等。其方法大致上与直流电法相同。用不同频率测得的剖面曲线可定性地判定异常源导电性的优劣,如用几种频率测得的虚分量异常只随频率增高而增高,则其导电性较差;当异常值随频率增高而减少时,其导电性较好。对于干扰影响较少的光滑曲线可作定量解释。

振幅比-相位差法解释方法与实、虚分量法一样,也可以利用振幅比-相位差法做出异常复平面图,进而进行实、虚分量转换解释振幅比、相位差的资料。

在各种偶极电磁法中,发-收距的选择很重要。当极距很小时,由于接收点处一次磁场大,故相对于它的二次磁场百分异常小;随着发-收距增加,二次磁场相对增加,故百分异常增大;收-发距太大时,异常变得复杂,出现双负峰,且异常值变小,范围变宽。

11.2.5 仪器设备

电磁剖面法仪器设备见表11-2。

表11-2 电磁剖面仪一览表

【参考文献】:

傅良魁主编.1983.电法勘探教程,北京:地质出版社

李大心.1994.探地雷达方法及其应用,北京:地质出版社

李金铭,罗延钟主编.1996.电法勘探新进展,北京:地质出版社

刘煜洲等.1994.甚低频电磁法边界元数值模拟及地形影响与改正,物探与化探,V0l.18.No.6

刘天佑.2002.应用地球物理的数据采集与处理,武汉:中国地质大学出版社

史保连.1986.甚低频电磁法,北京:地质出版社

王兴泰等.1996.工程与环境物探新方法新技术,北京:地质出版社

Annan A.P.,Cosway,S.W.,1992.Ground Penetrating Radar Survey Design,Annual Meeting of SAGEEP,Chicago

Daniels,J.J.,Guntun,D.J.,and Scott,H.F.,1988.Introduction to Subsurface Radar,IEE Proceeding,135(4),278~300

J.P.,VanGestel,P.L.,Stoffa,2000.Migration using multiconfiguration GPR data,Proceedings of the 8th International Conference on GPR,Australia

随便看

 

离鸟网收录3541549条中英文词条,其功能与新华字典、现代汉语词典、牛津高阶英汉词典等各类中英文词典类似,基本涵盖了全部常用中英文字词句的读音、释义及用法,是语言学习和写作的有利工具。

 

Copyright © 2004-2024 vtrois.com All Rights Reserved
更新时间:2026/4/7 18:47:33