网站首页  词典首页


请输入您要查询的字词:

 

字词 睾丸
类别 中英文字词句释义及详细解析
释义

睾丸


睾丸(testis)位于阴囊内,左右各一。可分为上、下两端,内、外两面,前、后两缘。表面光滑,后缘有血管、神经和淋巴管出入,并和附睾及输精管下段(睾丸部)相接触(图14-2A、B)。睾丸随着性成熟迅速生长,老年人的睾丸随着性机能的衰退而萎缩变小。睾丸表面有一层坚厚的纤维膜,称为白膜(tunica albuginea)。由于白膜无弹性,故患急性睾丸炎时疼痛极其剧烈。白膜沿睾丸后缘凸入睾丸内形成睾丸纵隔(mediastinum testis)。从纵隔发出许多结缔组织小隔称为睾丸小隔(septula testis),将睾丸实质分成许多睾丸小叶(lobules of testis)。睾丸小叶内含有盘曲的曲细精管(convoluted seminiferous tubules)(图14-2B),曲细精管的上皮能产生精子(spermatozoa)。曲细精管由一种特殊的复层生精上皮组成,包括能发育成精子的生精细胞和起支持营养生精细胞并具有分泌作用的支持细胞。生精上皮外有界膜,包括基膜、扁平形具收缩功能的肌样细胞和有再生能力的成纤维细胞等,对曲细精管和间质的物质交换起重要作用。

图14-2 睾丸和附睾(A、B)

(一)生精细胞

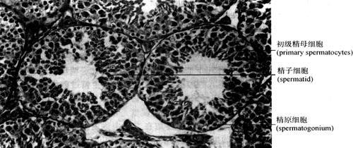
生精细胞(spermatogenic cell)为一系列发育分化程度不同的细胞,从青春期开始,生精细胞不断发育成精子,故在曲细精管壁中可见处于不同发育阶段的生精细胞(图14-3)。包括:精原细胞、初级精母细胞、次级精母细胞、精子细胞和精子。它们按发育的顺序自生精上皮基膜向管腔依次嵌附在支持细胞的侧面(图14-4)。

图14-3 睾丸(400×)

图14-4 支持细胞与生精细胞关系模式图

1.精原细胞(spermatogonia) 紧贴曲细精管基膜上,圆形或椭圆形,较小,核大而圆,染色较深,胞质着色浅。分为A、B两型:A细胞为干细胞,不断分裂增殖,一部分细胞继续作为干细胞,另一部分可分裂为B细胞,继续分裂为初级精母细胞。

2.初级精母细胞(primary spermatocyte) 体积比精原细胞大,多处于分裂状态,核大呈网状,进行第一次成熟分裂,形成两个次级精母细胞,分裂后的细胞染色体数量减少一半(减数分裂),此次成熟分裂历时较长,切片上可见处于不同阶段的初级精母细胞。

3.次级精母细胞(secondarg spermatocyte) 接近腔面,体积比初级精母细胞小,核呈细网状,色浅,很快进行第二次成熟分裂,形成两个精子细胞,染色体数量不变,此次分裂历时很短,切片上较少看到。

4.精子细胞(spermatid) 靠近曲细精管腔的小而圆形的细胞,量较多,胞质少,核圆色深,不再进行分裂,它经过复杂的形态变化直接变成精子。

精原细胞在促卵泡激素的作用下通过初级精母细胞、次级精母细胞、精子细胞几个阶段发育形成精子。精子进入管腔贮存于附睾。整个生精过程大约历时两个半月。睾丸的生精作用开始于青春期,到老年即衰退停止。温度对精子的生成影响最为明显,阴囊内温度比腹腔内温度低1~2C。,这种温度是精子生成的合适温度。如由于胚胎发育障碍,睾丸未能下降到阴囊内而停留在腹腔中称为隐睾症(cryptorchism),因腹腔内温度较高,影响精子的生成,这是不孕症(infertility)的原因之一。

(二)支持细胞

支持细胞(sustentacular cell,即Sertoli细胞) 呈不规则圆柱状,从曲细精管基底一直伸达腔面,切片难以看清轮廓(因其侧面有不规则凹面镶嵌着许多生精细胞),核卵圆形,长轴与管壁垂直,着色浅,核仁明显。相邻支持细胞基部以侧突相紧贴,形成紧密连接和缝隙连接。支持细胞有多方面的功能:①分泌液体,促使成熟精子排入管腔;②分泌雄激素结合蛋白(androgen binding protein,ABP)与雄激素结合,提高其在曲细精管的浓度,有利于精子的发生;③能吞噬精子形成时的残余体;④对生精细胞有支持、营养和保护作用;⑤参与形成血睾屏障,血睾屏障可阻止大分子物质进入曲细精管,也阻止精子抗原物质外溢,以免引起自身免疫反应,使曲细精管内维持一个有利于生精细胞分化发育的微环境,其结构包括相邻支持细胞基部的紧密连接、曲细精管基膜、结缔组织、血管基膜和内皮。曲细精管之间的结缔组织内有分泌雄性激素的间质细胞(interstitial cell,即Leydig细胞)。曲细精管汇合成直细精管(straight seminiferous tubules),进入睾丸纵隔内分支吻合成睾丸网(rete testis),出睾丸后缘的上部进入附睾(epididymis)。

(三)睾丸的内分泌功能

睾丸的间质细胞产生雄激素。雄激素主要是睾酮(testosterone),正常男子每日分泌4~9mg。血液中的睾酮绝大部分与蛋白质结合,只有2%处于游离状态。睾酮主要在肝脏灭活,其产物主要从尿中排出。

雄激素主要有以下生理作用是:①刺激男性附性器官的发育,并维持其成熟状态;②刺激男性副性征的出现,并维持其正常状态;③维持正常性欲;④促进蛋白质的合成,特别是肌肉、骨骼等器官蛋白质的合成,使钙、磷沉积;⑤刺激骨髓的造血机能,使红细胞增多。

随便看

 

离鸟网收录3541549条中英文词条,其功能与新华字典、现代汉语词典、牛津高阶英汉词典等各类中英文词典类似,基本涵盖了全部常用中英文字词句的读音、释义及用法,是语言学习和写作的有利工具。

 

Copyright © 2004-2024 vtrois.com All Rights Reserved
更新时间:2026/4/8 4:53:30