网站首页  词典首页


请输入您要查询的字词:

 

字词 粉碎设备
类别 中英文字词句释义及详细解析
释义

粉碎设备


盐业上常用的粉碎机主要有辊式破碎机、反击式粉碎机、球磨机等。

1.辊式破碎机具有一个或多个轧辊,轧辊回转时依靠挤压和研磨作用使物料粉碎。按轧辊数量分类,有单辊、双辊、三辊、四辊等;按辊面分类,有光面和齿面;还有两辊同速与异速之分。盐业上常用双辊粉碎机,结构见图5-1-5。它是由两个大小相同、水平平行安装、以相对方向转动的圆柱形辊筒构成。物料从上方加入,在辊筒之间被压碎后,从辊间缝隙中落下。

图5-1-5 双辊式平滑破碎机

1-机架 2-滑动辊轮 3-固定辊轮 4-压力弹簧 5-挡板 6-止推螺栓 7-楔形(V形)皮带传动轮

双辊破碎机适用于中等硬度脆性物料的中碎和细碎。它的结构简单、紧凑,操作可靠,便于调节粉碎度。当两辊筒的圆周速度相同时,辊筒对物料只有挤压作用,而无研磨作用,较小的物块可以从辊筒缝隙中自由落下,因此粉末极少,动能消耗比较小。在处理中等硬度脆性物料时,使用辊面平滑的粉碎机,物料粉碎比可达10~15,产品粒径在5~10mm之间;如辊面有细纹,因同时具有研磨作用,物料粉碎比可超过10~15。它的缺点是颗粒不均匀,单位生产能力不高;当两辊间缝隙稍大(2~3mm)时,产品粒度较大(1~3mm),当缝隙小到1mm时,不仅产量急剧下降,且粒度仍然太大。见表5-1-8。

表5-1-8 双辊筒粉碎所得盐粒情况

注:辊简直径750mm,长800mm,转速190r/min,配用电机22kW 40kW。

双辊破碎机规格如表5-1-9。

表5-1-9 双辊粉碎机规格表

2.冲击式破碎机 借高速转动的机械打击或剪切物料,使之破碎。常用的冲击式破碎机有锤式破碎机、转笼磨碎机等。

(1)锤式破碎机 结构见图5-1-6。机壳内壁镶有铸铁或钢制可更换的垫板,横轴作高速回转,轴上平行地装有一个或多个钢质圆盘,圆盘上装有多个可拆换的硬钢锤头。物料从上方的料斗加入,在悬空状态下被钢锤击碎,撞击到垫板上,反复将物料击碎;此外,物料在栅筛上还受到挤压和研磨。粉碎好的物料经栅筛缝隙落下。改变圆盘的转速或栅筛缝隙宽度,即可调节碎度。

图5-1-6 锤式粉碎机

1-机壳 2-垫板 3-横轴 4-圆盘 5-锤头 6-栅筛

锤式破碎机的优点是设备简单、紧凑、能粉碎多种不同性质的物料,粉碎比大(i= 10~50),生产能力高,运转可靠;缺点是机械磨损较大,操作时粉尘多,能量消耗也较大。

常用的锤式粉碎机规格如表5-1-10。

表5-1-10 锤式粉碎机规格

(2)转笼磨碎机分双笼和单笼两种。

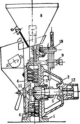
单笼磨碎机结构见图5-1-7。在固定的密闭外壳中,装有两个圆盘,一为转动盘,固定在机轴上,随轴一齐转动;一为固定盘,固定在外壳上。两盘相靠的一面,布满磨碎牙,以同心圆的形式交错排列。物料从加料斗引入,经磁铁除去铁质,再从固定盘的中央进入磨碎牙之间。当转动盘高速转动时,物料即被击碎和磨碎,并由中央向四周甩出。为保证粉碎粒度均匀,机器下部装有筛子,物料经筛子卸出。

图5-1-7 转笼磨碎机

1-外壳 2-轴承架 3-转动盘 4-固定盘 5-机轴 6-磨碎牙 7-磁铁 8-加料斗 9-皮带轮轴衬 10-加料轴轴衬 11-轴头螺母 12-轴承

双笼磨碎机的构造和单笼磨碎机基本相同,只是固定盘也做成可以转动的,两盘作相反方向运动,因此可增加粉碎效果。通常物料直径不大于10~12mm时,转速为1200 r/min~7000r/min。

转笼磨碎机的特点是构造简单、紧凑,具有通用性,粉碎比大,生产能力高;但其磨碎牙的磨损很大,没有保险装置,操作时灰尘多,能量消耗大。常用双笼磨碎机规格如表5-1-11。

表5-1-11 常用双笼磨碎机规格

(3)球磨机 物料靠下落的钢球或鹅卵石的撞击以及钢球或鹅卵石与球磨机内壁的研磨而被粉碎。

球磨机根据筒体长度(L)与直径(Φ)的比例,分为:短筒型L≤1.5Φ,长筒型L≤1.5~3Φ,管型L=3~6Φ,锥形型L=(0.25~1)Φ等几种。见图5-1-8、图5-1-9、图5-1-10。

图5-1-8 圆筒球磨机

1-钢筒 2-进料斗 3-加料螺旋 4-出料筛 5-出料斗 6-起动齿轮 7-钢护板

图5-1-9 管磨机

图5-1-10 锥形球磨机

排料方式有溢流排料与格子型排料。钢球在筒内运动方式有泻落状态、抛落状态、离心状态,以抛落状态为最佳,能产生良好的研磨作用。球磨机的临界转速η0按下式计算:

式中 η0——临界速度(r/min)

D——筒体内径(m)

球磨机的工作转速n1按下式计算:

常用的球磨机规格如表5-1-12。

表5-1-12 常用球磨机规格

球磨机的优点是:能将多数物料磨细,生产能力大,能满足大规模工业生产的要求;构造简单,磨损零件容易检查和更新;操作可靠,维护管理简单。

缺点是:生产效率低,单位产量消耗能量大;操作时噪音大,并有强烈振动;机体大而笨重;筒体转速低,一般均需有减速装置。

(4)棒磨机 结构与球磨机相似,常用直径为50~100mm的钢棒作磨碎介质,球磨机则用钢球作磨碎介质。

常用棒磨机规格见表5-1-13

表5-1-13 常用棒磨机规格

不同类型粉碎机主要特性的对比,见表5-1-14。

表5-1-14 各类粉碎机主要性能对比

各种粉碎机粉碎盐时的粒度分布情况见表5-1-15。

表5-1-15 各种粉碎机粉碎盐时的粒度分布情况

随便看

 

离鸟网收录3541549条中英文词条,其功能与新华字典、现代汉语词典、牛津高阶英汉词典等各类中英文词典类似,基本涵盖了全部常用中英文字词句的读音、释义及用法,是语言学习和写作的有利工具。

 

Copyright © 2004-2024 vtrois.com All Rights Reserved
更新时间:2026/4/8 7:54:44