网站首页  词典首页


请输入您要查询的字词:

 

字词 糕点加工设备
类别 中英文字词句释义及详细解析
释义

糕点加工设备


(一)包馅机

1.用途

用于棒状、球状包馅糕点的成形,加上部分附件后,也可进行其他形状的包馅成形。

2.组成

该机主要由输面机构、输馅机构、成形机构和撒粉机构、操作控制系统组成。

3.工作原理

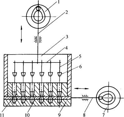
该机是利用“回转成形”的原理设计的,包馅成形原理见图3-5-1。进行棒状成形时,面团料在双水平输面绞龙13的推动下进入竖绞龙6的螺旋空间,逐渐推进,移向面馅复合喷嘴9的出口。此时面料被挤压成筒状面管。馅料经输馅双绞龙3输送至双叶片泵4,叶片旋转使馅料进入输馅管5,输馅管装在输面竖绞龙6的内腔,当馅料离开输馅管5在复合喷嘴9出口处与面管汇合时,便形成里面是馅外皮是面的棒状半成品,再经压扁、印花、切断即成为两端露馅的带馅糕点。由棒状成形得到的半成品经过一对转向相同的回转成形盘的滚压即成为球状包馅糕点。

图3-5-1 包馅机成形原理图

1-面料斗 2-馅料斗 3-输馅双绞龙 4-双叶片泵 5-输馅管 6-输面竖绞龙 7-馅料嘴 8-面料嘴 9-复合喷嘴 10-拨杆 11-托盘 12-成形盘 13-双水平输面绞龙

4.机构特点

该机通用性强、可包各类馅料,而且皮馅比可调。

(二)自动成形机

1.用途

该机是与包馅机配套使用的,可做多类糕点的成形设备。

2.组成

主要由成形部件(包括上、中、下模)、饼坯送入传送带、饼坯成形传送带及成形后饼送出体送带、传动装置、气压控制装置等组成。

3.工作原理

成形原理见图3-5-2。该机运行过程是:由包馅机送入的球状饼坯经送入传送带送至成形传送带。由气动元件控制的上模开始下行,把饼坯连同此时间歇停转的传送带一起压入由中模和下模组成的模腔内,由于在上模的下表面和中模的侧表面都刻有成形图案,因此,饼坯即被挤压成形。成形后,上模上升,下模也随之上升,把成形后的饼坯及成形传送带推出模腔。然后成形传送带开始运动。把成形后饼坯移入送出传送带。该机的成形模可以更换,以满足成形大小、形状不同的饼坯需要。

图3-5-2 自动成形机成形原理图

1-上模 2-中模 3-下模

4.机构特点

该机自动化程度高,产量较大。由于采用了连同传送带(薄型布质带)一起压入模腔成形的方式,便于脱模,有效地防止了饼坯粘模现象的发生,成形效果较好。

(三)软料糕点成形机

1.用途

用于生产多种形状的软料糕点。

2.组成

由喂料机构、成形机构、传动机构、走盘机构组成。

3.工作原理及过程

工作原理及过程如图3-5-3所示。

图3-5-3 软料糕点成形机

1-料斗 2-喂料辊 3-齿轮 4-齿条 5-喷花嘴 6-传送带

将调制好的面料放入料斗中,通过一对喂料辊的相对旋转,使得喂料辊下方的腔体形成压力腔,从而将面料挤向喷花嘴,挤出在上升的烤盘上。喷花嘴可通过齿轮3和齿条4带动旋转,使挤出的生坯呈螺旋状花纹;若花嘴不转,仅使烤盘直线前进,也可制出带条状花纹的饼坯。

料斗为长方形,喂料辊的轴向尺寸与料斗长度一致,喷花嘴横向排列,一次挤花,便可生产出一排形状相同或形状各异的生坯。

该机还可安装割刀架,割刀是一根可以往复运动的水平钢丝,当软料从花嘴挤出一定量时,水平钢丝运动将其沿喷嘴端面割断,即得到长条切割生坯,这种方法称为钢丝切割成形。

4.机构特点

该机构通过更换不同喷花嘴,配合机器的不同动作,能够生产出多种形状的软料糕点,由于产量适中,适合中、小型糕点制作厂家配套使用。

(四)自动蛋卷机

1.用途

制作蛋卷。

2.组成

自动蛋卷机主要由上浆装置、加热装置、卷制成形装置及传动系统等组成。

上浆装置由贮浆斗、上浆板、加热辊筒组成;加热装置包括上、下加热元件、加热罩及排潮装置等,加热方式分为煤气和电加热两种;卷制成形装置由135°转向帆布带、与帆布带成45°角的辊及旋转同步切刀等组成。

3.工作原理

工作原理及过程如图3-5-4所示。

图3-5-4 自动蛋卷机原理图

1-蛋卷绕制芯杆 2-上加热元件 3-加热罩板 4-下加热元件 5-贮浆斗 6-上浆板 7-加热辊筒 8-卷筒帆布带 9-回转刀架 10-圆片切刀

面浆从贮浆斗底部流出,沿上浆板向下流动,被均匀地撒布到加热辊筒表面上。辊筒表面应预热,当浆料接触到高热的辊筒后,便形成一层固化膜即蛋卷皮。烤制好的蛋卷皮随帆布带输送至导辊,导辊位于上、下帆布带中间,并与帆布带运动方向呈45°角,由于导辊的旋转及帆布带动135°转向,使蛋卷被卷制成连续多层的螺旋状长条蛋卷。长条蛋卷经冷却定型出后,通过做复合旋转运动的圆盘切刀来进行定长割,最后作为蛋卷成品被输送带送出。

(五)桃酥成形机

1.用途

生产桃酥时用于成形的专用设备。

2.组成

桃酥成形方式有辊印与冲印两种。前者与辊印式饼干成形机的结构、工作原理一致。只是印模的规格尺寸不同。而冲印式桃酥成形机有所不同,它的组成由供料机构、成形机构、脱模机构、烤盘输送机构及传动机构等组成。

3.工作原理

工作原理及过程如图3-5-5所示。

桃酥的成形模加工在一回转模辊上,模辊按相同夹角沿轴向开有数个模孔,模孔的直径按产品规格而定。工作时,将调制好的面团送入料斗,通过输面辊的回转,将坯填入模孔内,然后通过间歇传动机构使回转模辊沿周向转动一个孔位。在回转模辊停转的时间内,由压紧凸轮带动压紧板上的冲印柱塞将桃酥坯料压紧。同时,脱模凸轮带动活动模柱运动,将成形后的桃酥饼坯从模孔中冲出,落在烤盘中。当处于压紧和脱模位置上的冲印柱塞和活动柱塞上升并复位后,回转模辊又开始转动。在此同时,烤盘输送链带动烤盘向前移动一个工位。

图3-5-5 冲印式桃酥成形机

1-烤盘输送链条 2-烤盘 3-回转模辊 4-脱模凸轮 5-压簧 6-活动模柱 7-压紧板 8-压紧凸轮 9-料斗 10-输面辊

4.机构特点

生产的桃酥饼坯具有形状整齐、质量准确、生产率高、卫生条件好等优点。

(六)蛋糕浇模机

1.用途

在制蛋糕时将面浆均匀浇注在烤盘上的模腔内。

2.组成

由面浆斗、面浆定量装置、浇注控制装置、传动装置等组成。

3.工作原理

该机构利用蛋糕面浆易于流动的特性,利用真空吸力和挤压力将料斗内的面浆挤注至烤盘上的蛋糕模内。其原理如图3-5-6所示。

图3-5-6 蛋糕浇模机原理图

1-柱塞连杆驱动凸轮 2-柱塞连杆 3-面浆斗 4-柱塞杆横梁 5-柱塞杆 6-柱塞 7-控制板连杆驱动凸轮 8-控制板连杆 9-蛋糕烤盘 10-控制板 11-定量板

将调制好的面浆送入面浆斗中,这时控制板的进浆孔与上面的定量板的定量孔及下面的蛋糕烤盘模孔错开,这样,定量板的定量孔中充满面浆。然后,柱塞连杆驱动凸轮带动柱塞连杆连同柱塞杆横梁、挤浆柱塞一同向下移动。与此同时,控制板连杆驱动凸轮带动控制板移动,使定量板与烤盘模间形成通路。挤浆柱塞将定量面浆压入蛋糕烤盘的模腔内。接着,控制板连杆驱动凸轮带动控制板移动,将定量板与蛋糕模孔的通路断开,柱塞杆上移,面浆又充入定量板的定量孔中,下一个循环接着进行。

(七)MSJE10(Ⅱ)万能制点心机(图3-5-7)

图3-5-7 MSJE10(Ⅱ)万能制点心机

1.用途

该机适合于高油脂面团的成形,可用于制作各类曲奇饼及桃酥。

2.组成

该机主要由喂料成形机构、控制调节机构、传动机构等部分组成。

3.工作原理

该机靠挤压作用成形,其挤压力来自一对喂料辊的间歇转动,将面团向下推送,使面团从位于喂料辊下方的喷嘴中挤出,落入下面的烘盘上,形成所需的饼坯。其工作原理见图3-5-8所示。通过更换不同形状的喷嘴和调整控制调节机构,就可得到多种不同形状的饼坯。

图3-5-8 挤压成形原理图

1-烘盘 2-喷嘴 3-模具 4-喂料辊 5-面团 6-料斗

4.机构特点

用于挤压成形的主要部件是喷嘴,喷嘴有多种形状,其更换十分方便,另外,该机可实现扭花、一般挤出和拉长挤出成形,能生产数十种花色的饼坯,且操作简便。

5.技术特征

生产能力:100~185kg/h;

电机功率:0.75kW;

外形尺寸:1460mm×960mm×1240mm;

重量:1200kg。

6.制造单位

上海轻工机械股份有限公司。

(八)万能糕点机(图3-5-9)

图3-5-9 万能糕点机外形

1.用途

该机适用于生产曲奇饼干,能生产各种花样的曲奇、高档饼干。

2.技术特征

生产能力:50~100kg/h;

工作电压:380V;

电机功率:0.55kW;

外形尺寸:1200mm×750mm×1600mm;

重量:300kg。

(九)WDJ-400型万能糕点机(图3-5-10)

图3-5-10 WDJ-400型万能糕点机外形

1.用途

可生产各种形态独特、花纹清晰、造型美观,味美可口的曲奇饼,酥性饼。有模具挤出成形、喷嘴挤出成形、钢丝水平切割成形。该设备与立式搅拌机,烤炉配套组成生产流水线。

2.技术特性

生产能力:100~185kg/h;

电机功率:0.75kW/(380V50Hz);

喷嘴最大扭角:400°;

烤盘尺寸:550mm×400mm;

外形尺寸:1460mm×960mm×1240mm;

重量:1200kg。

规格:400mm。

(十)JYZ-1120A型自动蛋卷机(图3-5-11)

图3-5-11 JYZ-1120A型自动蛋卷机

1.用途

采用远红外线烘焙蛋卷。

2.技术特性

生产能力:20~30kg/h;

电机功率:27kW;

外形尺寸:Ⅰ型为1560mm×940mm×2035mm;

Ⅱ型为1610mm×960mm×1350mm;

蛋卷规格:Ⅰ型Φ20mm×60mm;

Ⅱ型Φ20mm×80mm;

Ⅲ型Φ20mm×120mm;

Ⅳ型Φ20mm×160mm;

总重量:1300kg

3.制造单位

江苏东台食品机械厂。

(十一)DX-20A蛋卷灌芯机(图3-5-12)

图3-5-12 DX-20A蛋卷灌芯机

1.用途

该机与JYZ系列自动蛋卷机配套进行蛋卷自动灌芯、生产高档灌芯蛋卷。

2.性能特点

高效、安全、卫生、操作简便。

3.技术特性

生产能力:45kg/h以上;

电机功率:0.75kW;

外形尺寸:880mm×650mm×1200mm;

重量:600kg。

4.制造单位

江苏东台食品机械厂。

随便看

 

离鸟网收录3541549条中英文词条,其功能与新华字典、现代汉语词典、牛津高阶英汉词典等各类中英文词典类似,基本涵盖了全部常用中英文字词句的读音、释义及用法,是语言学习和写作的有利工具。

 

Copyright © 2004-2024 vtrois.com All Rights Reserved
更新时间:2026/4/8 18:29:27