网站首页  词典首页


请输入您要查询的字词:

 

字词 纸张与薄片撕裂度测定仪器
类别 中英文字词句释义及详细解析
释义

纸张与薄片撕裂度测定仪器


(一)ZS-1000型撕裂度测定仪

1.结构特点

本仪器根据功能原理、仿爱尔门道夫式撕裂度仪设计,用于测定纸和纸板的耐撕裂强度。

2.主要技术参数

测量范围:0~1000mN。

示值误差:±0.5%FS。

撕裂力臂:104mm±1mm。

3.外形尺寸

主机尺寸:长×宽×高为460mm×240mm×420mm。

4.生产厂家

长春市纸张试验机厂。

(二)YQ-Z-20型纸张撕裂度测定仪

1.结构特点

本仪器是测定纸张内撕裂强度的仪器。它根据功能原理设计,其摆动系统主要由摆和主轴系统组成。当扇型摆的质心L至一定高度时,具有势能,用手按下释放板,摆围绕主轴迅速摆动,势能转变为动能,为撕裂试样提供动力。

2.主要技术参数

测量范围:

标准摆:0~100cN。

分度值:1cN。

轻摆:0~50cN。

分度值:0.5cN。

最轻摆:0~20cN。

分度值:0.2cN。

3.外形尺寸

YQ-Z-20型纸张撕裂度测定仪的外形见图9-10-10所示。

图9-10-10 YQ-Z-20型纸张撕裂度测定仪外形图

1-座体 2-主轴系统 3-夹纸机构 4-切纸机构 5-拉簧 6-限制机构 7-摆释放机构 8-调节旋钮 9-指针调节板 10-指针系统 11-刻线螺帽 12-摆动体 13-力标尺 14-刻线螺帽

4.生产厂家

四川省长江造纸仪器厂。

(三)YQ-Z-32型纸板撕裂度测定仪

1.结构特点

本仪器是测定纸张内撕裂强度的仪器。它根据功能原理设计,其摆动系统主要由摆和主轴系统组成。当扇型摆的质心L至一定高度时,具有势能,用手按下释放板,摆围绕主轴迅速摆动,势能转变为动能,为撕裂试样提供动力。

2.主要技术参数

测量范围:

重摆:0~800cN。

分度值:10cN。

加重摆:0~1600cN。

分度值:20cN。

准确度:±0.5%FS。

撕裂力臂长:104mm±0.5mm。

3.外形尺寸

YQ-Z-32型纸板撕裂度测定仪的外形见图9-10-11所示。

图9-10-11 YQ-Z-32型纸板撕裂度测定仪外形图

1-座体 2-主轴系统 3-夹纸机构 4-切纸机构 5-拉簧 6-限制机构 7-摆释放机构 8-调节旋钮 9-指针调节板 10-指针系统 11-刻线螺帽 12-摆动体 13-力标尺 14-刻线螺帽

4.生产厂家

四川省长江造纸仪器厂。

(四)BLE-2型薄片撕裂度仪

1.结构特点

薄片撕裂度仪是根据烟草薄片强度特点,专门设计的超轻扇型摆体撕裂度仪,适用于任何低撕裂强度的薄片材料。本仪器是根据国际通用的爱尔门道夫式撕裂度仪结构原理设计的,是爱尔门道夫式基本型撕裂度仪的变态品种。仪器由扇型摆体、指针机构、夹样机构、切刀机构、摆体控制机构和座体等部件组成。扇型摆体是撕裂力的能源。指针机构是指示测量值的部件。夹样机构即是夹样器,仪器的座体上有一个固定夹样器,摆体上装有一个随动夹样器,夹样器位置决定仪器的撕裂力臂尺寸。切刀机构中刀片位置可方便调节,以保证初切口的深度尺寸。摆体控制机构是为调节摆体停放位置、校准摆体的停放基准而设计的。座体支撑仪器上所有的部件。

2.主要技术参数

测量范围:0~200mN,分度值:2mN。

测量准确度:量程为10%~80%范围内为±0.5%,量程为10%以下和80%以上范围内为±1%。

示值相对变动度:<1%。

摆轴摩擦阻力:<5mN。

指针摩擦阻力:30mN±10mN。

撕裂力臂:104mm±1mm。

撕裂初始角:27.5°±0.5°。

试样尺寸及层数:63mm×40mm,8层。

仪器工作条件:

环境温度20℃±10℃。

工作台平整、稳固。

整机质量:约14kg。

3.外形尺寸

主机尺寸:长×宽×高为445mm×200mm×360mm。

仪器外形见图9-10-12所示。

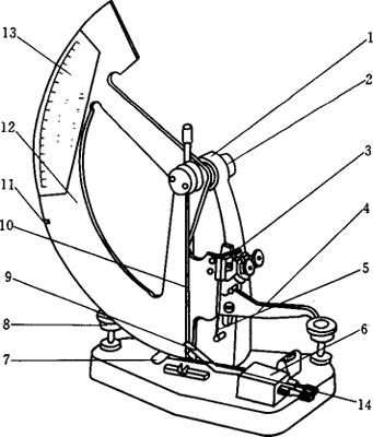
图9-10-12 BLE-2型薄片撕裂度仪外形图

1-座体 2-主轴系统 3-夹样机构 4-切刀机构 5-摆控制机构 6-摆释放板 7-调平螺钉 8-挡针板 9-指针系统 10-对零螺母 11-摆体 12-力标尺

4.生产厂家

四川省长江造纸仪器厂。

随便看

 

离鸟网收录3541549条中英文词条,其功能与新华字典、现代汉语词典、牛津高阶英汉词典等各类中英文词典类似,基本涵盖了全部常用中英文字词句的读音、释义及用法,是语言学习和写作的有利工具。

 

Copyright © 2004-2024 vtrois.com All Rights Reserved
更新时间:2026/4/7 10:26:16