网站首页  词典首页


请输入您要查询的字词:

 

字词 结缔组织
类别 中英文字词句释义及详细解析
释义

结缔组织


结缔组织(connective tissue)由大量的细胞间质和散在于其中的细胞组成。包括具有特定形态结构特征和不同功能性质的多种组织,如纤维性固有结缔组织(包括:疏松结缔组织、致密结缔组织、脂肪组织和网状组织)、液体状态的血液、固体状态的软骨和骨组织。结缔组织在人体内分布广泛,尤其固有结缔组织和血液,几乎分布在所有的器官内,起连接、支持、营养和保护等作用。一般所讲的结缔组织是指固有结缔组织。

(一)疏松结缔组织

疏松结缔组织(loose connective tissue)又称小房组织(蜂窝组织,areolar tissue),广泛分布于器官与器官之间,组织与组织之间,以及细胞与细胞之间。含有丰富的血管。由血液运送的养料和代谢废物都通过毛细血管周围的结缔组织进行扩散,经上皮进入机体的外来物质(如细菌等)也必须经过其传送和其中各种细胞的识别。因此疏松结缔组织除有连接、支持作用外,还有传送营养物质、代谢产物和防御等功能。疏松结缔组织的结构特点是细胞种类多,散在分布,纤维排列稀疏而排列方向不一,具有丰富的基质(图2-21)。疏松结缔组织也是由细胞和细胞间质组成,简列如下:

图2-21 疏松结缔组织模式图

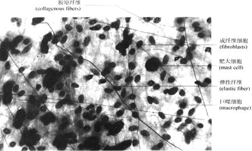
1.细胞 疏松结缔组织内的多种细胞,反映出其组织的功能特点,包括有成纤维细胞(纤维母细胞)、巨噬细胞、肥大细胞、浆细胞、脂肪细胞、未分化间充质细胞和游走性白细胞(即可针对特殊刺激而自血液中移行到组织的细胞,如淋巴细胞、嗜酸性粒细胞等)(图2-22、图2-23)。

图2-22 疏松结缔组织平铺片(400×)

图2-23 疏松结缔组织切片(400×)

(1)成纤维细胞(fibroblast):是疏松结缔组织的主要细胞成分。光镜下:胞体扁平或梭形有突起,胞质丰富呈弱嗜碱性,核大,椭园形,色浅,核仁明显。电镜下:胞质内有丰富粗面内质网及游离核蛋白体,高尔基复合体发达(图2-24)。具有产生胶原纤维、弹性纤维、网状纤维和基质的功能,在人体的发育和创伤修复中具十分重要的作用。在创伤愈合时,创伤区内的血小板可释放出血小板生长因子,对成纤维细胞具有较强的促分裂素作用。巨噬细胞分泌的白细胞介素l(interleukin-1,IL1)和成纤维细胞生长因子等也刺激成纤维细胞增殖形成新的间质,促进伤口愈合。

图2-24 超微结构模式图

功能不活跃的成纤维细胞称为纤维细胞(fibrocyte),其胞体小,长梭形,胞质少,常呈弱嗜酸性,核小染色较深,在组织创伤修复过程中可转化为功能活跃的成纤维细胞。

(2)巨噬细胞(macrophage):也称组织细胞(histocyte),分布广泛,是机体内吞噬作用最强的一种细胞,来源于血液的单核细胞。形态不规则,随功能不同而改变,表面常有短小而粗的突起,核小着色较深,胞质嗜酸性。电镜下:细胞表面有许多皱褶和不规则的微绒毛,这与细胞的伸展、吞噬和运动有关。胞质内含有大量溶酶体、吞饮小泡、吞噬体及较发达的高尔基复合体,少量线粒体和粗面内质网等(图2-25)。其功能:①具有趋化性:巨噬细胞可受某些化学物质(趋化因子,chemotactic factor),如细菌的产物和炎性组织的变性蛋白的引诱或刺激,产生变形运动,朝向这些物质浓度高的病变部位移动,这种特性称为趋化性(chemotaxis)。②吞噬作用:直接或借助膜的受体识别相应的抗原物质(细菌异物、衰老或变性细胞、肿瘤细胞等),通过黏附、胞吞作用,将其吞入细胞内,形成吞噬体或吞饮小泡与溶酶体结合,经有关酶的消化分解后,不能消化的物质形成残余体留在细胞内或以胞吐方式排出细胞。巨噬细胞的吞噬作用有非特异性吞噬和特异性吞噬两种,前者指某些细菌、堕性物质(如石棉、粉尘、硅等)或衰老的红细胞等,不需要血清内识别因子的作用,就可被巨噬细胞直接识别、附着;后者则指某些抗原物质,如病毒(virus)、病原菌(pathogenic bacteria)、异体细胞(xenogenous cells)等要经血清识别因子包裹后才能被巨噬细胞识别、附着。这种识别因子即某种抗体(如IgG、IgM)和补体成分(如C3),它们与抗原结合成为抗原抗体复合物或补体抗原抗体复合物,由于巨噬细胞表面膜上有与IgG分子的Fc段特异性结合的受体(即Fc受体)和补体受体(C3受体),故能识别和附着带有相应抗体的抗原抗体复合物。但某些病原体,如麻风杆菌(leprosy bacillus)、结核杆菌(tubercle bacillus)及一些原虫(如弓形虫)却能在巨噬细胞内生存和繁殖,这可能由于它们能阻止吞噬体与初级溶酶体结合(如麻风杆菌),或有抗蛋白水解酶的细胞壁的作用(如结核杆菌和弓形虫)。③参与免疫反应:将吞噬的抗原物质分解加工处理,递呈给淋巴细胞,使其成为免疫活性细胞,进行特异性免疫反应。受抗原刺激的巨噬细胞可进一步分化成熟为活化的巨噬细胞,其黏附性及活力更强,溶酶体大量增多,吞噬作用加强并释放出多种物质,如溶细胞蛋白酶、肿瘤坏死因子等,能有效杀伤细胞内病原菌和肿瘤细胞。④分泌功能:分泌多种生物活性物质,对巨噬细胞参与各种炎症反应、免疫应答、杀菌杀肿瘤等方面有重要作用。如溶菌酶是重要的杀菌物质,能消化细菌细胞壁;干扰素(interferon)(IFNγ)是抗病毒的因子;白细胞介素1(IL-1)是巨噬细胞激活T淋巴细胞的重要介质,有调节免疫应答的作用。

图2-25 巨噬细胞超微结构模式图

(3)浆细胞(plasma cell):主要出现在体内各处淋巴组织和病菌或异性蛋白易于入侵的部位,如消化管和呼吸道的固有层结缔组织内,是由B淋巴细胞受抗原刺激后转变而来。光镜下:细胞呈圆形或卵圆形,胞质嗜碱性,近核处有染色浅区,是中心体和高尔基复合体所在部位。核圆形,偏于细胞一侧,异染色质致密呈粗块状,沿核膜内呈辐射状分布,形似车轮。电镜下:胞质含大量粗面内质网和游离核糖体,有发达的高尔基复合体(图2-26)。功能:合成和分泌抗体(免疫球蛋白),参与体液免疫反应。在先天性无丙种球蛋白症患者的血清中缺乏丙种球蛋白,对抗原不发生体液免疫应答,淋巴组织中也没有浆细胞;而血浆球蛋白过多患者的组织内却有大量浆细胞,血浆中丙种球蛋白水平很高,表明浆细胞与免疫球蛋白生成有密切关系。

图2-26 浆细胞超微结构模式图

(4)肥大细胞(mast cell):在身体与外界抗原易于接触的部位(如皮肤、呼吸道、消化管的上皮下方结缔组织内)常成群或散在分布于小血管和小淋巴管周围。光镜下:细胞呈圆形或卵圆形,核小而圆,胞质内充满粗大的异染性颗粒,所谓异染性,即用碱性染料(如甲苯胺蓝,toluidine blue)染色时,颗粒被染成紫红色而不是蓝色。颗粒易溶于水,故HE染色标本中不易见到。电镜下:颗粒有膜包裹,内含细小微粒(介质),包括:合成后贮存在颗粒内的原发性介质,如组胺、嗜酸粒细胞趋化因子、肥大细胞激活后继发生成的白三烯(LTC4)以及预先形成的颗粒基质成分,如肝素等。这些介质的作用是:组胺和白三烯可使小支气管平滑肌收缩,毛细血管和微静脉扩张,通透性增大,造成局部水肿;嗜酸粒细胞能引诱嗜酸粒细胞聚集到超敏反应部位;肝素有抗凝血的作用。当肥大细胞受过敏原等刺激时,其颗粒膜与肥大细胞膜融合,释放其颗粒内容物,此现象称为肥大细胞脱颗粒(degranulation),引起速发型变态反应。因此,肥大细胞在荨麻疹(urticaria)、支气管哮喘(bronchial asthma)、过敏性休克(anaphylactic shock)等发病机制中起重要作用。一般认为肥大细胞脱颗粒,引起变态反应主要与IgE有关。当机体受到致敏原攻击时,体内浆细胞产生抗体IgE,而肥大细胞膜上有与IgE结合的受体,当IgE一旦与肥大细胞IgE受体结合后,该个体即进入致敏状态。当再次接受小量相同致敏原时,引起肥大细胞脱颗粒,释放组胺、白三烯等(图2-27)。临床表现取决于肥大细胞脱颗粒所在部位,在皮肤,引起荨麻疹或血管性水肿;鼻黏膜诱发过敏性鼻炎;在下呼吸道导致小支气管平滑肌痉挛,毛细血管通透性增加,引致支气管哮喘;若全身受影响,将会导致过敏性休克。

图2-27 肥大细胞脱颗粒过程示意图

肥大细胞脱颗粒的机制尚不十分清楚。但一般认为变态反应的机制主要是与IgE有关,它一旦与肥大细胞的IgE受体结合后,该个体即成为致敏状态。当它们再次接受相同的致敏原时,肥大细胞被激活,导致肥大细胞质膜的IgE操纵的Ca2+通道开放,Ca2+浓度升高后,导致质膜下原来在肥大细胞静止时阻止颗粒与细胞膜合并的微丝网拆散,同时导致微丝收缩,将颗粒或内容物释放到细胞外。由于肥大细胞脱颗粒和释放活性介质的机制中,需要钙离子和微丝的收缩作用,并需要能量的供给,因此常使用代谢抑制剂(如二硝基苯酚,dinitrobenzenephenol等)、钙离子螯合剂(如乙二胺四乙酸,ethylenediamine tetra-acetic acid)、细胞松弛素A和B来阻止肥大细胞脱颗粒和释放活性介质,以减轻过敏反应。

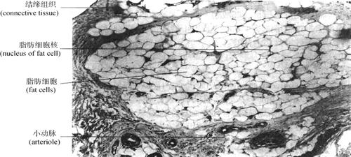
(5)脂肪细胞(fat cell):可分为单泡脂肪细胞和多泡脂肪细胞。疏松结缔组织常见是单泡脂肪细胞,单个或成群存在,若大量聚集则构成脂肪组织。光镜下:胞体大,呈球形,胞质内含一个大脂肪滴,其余胞质和细胞核被挤到细胞边缘,呈半月形。HE染色标本:脂肪滴被溶解成空泡状。功能:合成和贮存脂肪,参与脂肪代谢。

(6)未分化的间充质细胞(undifferentiated mesenchymal cell):具有分化潜力,在创伤修复时可增殖分化为成纤维细胞和平滑肌细胞等。HE染色标本中不易与成纤维细胞区别。

(7)白细胞(leucocytes):一些白细胞受趋化因子的作用由血管穿出进入结缔组织,参与免疫反应或炎症反应。

2.纤维

(1)胶原纤维(collagenous fiber):是结缔组织中主要纤维成分。新鲜时:呈白色,称白纤维。HE染色,呈浅粉红色,纤维粗细不均,直径1~20μm,呈波浪状,有分支,互相交织成网。胶原纤维由更细的胶原原纤维(collagenous fibril)黏合而成,多集合成束。电镜下:胶原原纤维具有64nm明暗相间的周期性横纹。由胶原蛋白(collagen)构成。胶原蛋白分子由3条多肽链互相缠绕构成,按每条多肽链的结构,至少已发现有11种不同的胶原蛋白分子。胶原纤维由其中的Ⅰ、Ⅲ型胶原蛋白构成,主要由成纤维细胞产生。胶原纤维韧性大,抗拉力强。

(2)弹性纤维(elastic fiber):与胶原纤维一起分布于纤维结缔组织,比胶原纤维少而细,直径约0.2~1.0μm,在弹性动脉,弹性软骨等处较多。新鲜时呈黄色,称黄纤维。HE染色呈粉红色,折光性强,难与胶原纤维区分;地依红(orcein)染色呈棕褐色;醛复红染色呈紫蓝色。弹性纤维由弹性蛋白(elastin)和微原纤维(microfibril)组成。弹性大,韧性较少,其弹性随年龄增长会逐渐减弱。

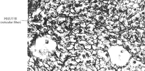
(3)网状纤维(reticular fiber):主要分布在基膜的网板、淋巴器官和造血器官等。细而有分支,互相交织成网。主要由Ⅲ型胶原蛋白构成,也具有64nm周期性横纹。表面附有较多的酸性蛋白多糖,故PAS反应阳性。网状纤维具有嗜银性,镀银法呈黑色,故又称嗜银纤维(argyrophil fiber)。

3.基质(ground substance) 是一种无定形的胶状物,纤维和细胞埋于其中。主要化学成分是蛋白多糖(proteoglycan),其中多糖成分较多,主要以透明质酸(hyaluronic acid)为主,还有硫酸软骨素A、C(chondroitin sulfate A,C)、硫酸角质素(keratin sulfate)、肝素(heparin)等,总称为糖胺多糖(glycosaminoglycan)。透明质酸是长链分子,借蛋白质分子与其他多糖相连,形成具有许多微孔的分子筛立体构型(图2-28)。小于分子筛的物质,如水、氧气、二氧化碳、营养物质、代谢产物可以自由通过;而大于分子筛孔隙的细菌、异物等则不能透过而被限制于局部,有利于白细胞将其吞噬和消灭,防止炎症蔓延。而溶血性链球菌、癌细胞、蛇毒等能产生透明质酸酶,分解透明质酸而破坏分子筛的屏障作用,致使感染和肿瘤浸润扩散。

图2-28 蛋白多糖分子结构模式图

基质中也含有糖蛋白,是一种重要的生物大分子。目前已知的糖蛋白有纤维黏连蛋白(fibronectin)、层黏连蛋白(laminin)、软骨黏连蛋白(chondronectin),它们参与分子筛组成,并通过其连接和介导作用,可影响细胞的附着和移动。

组织液是基质中含有的液体,是由毛细血管动脉端渗出,不含血细胞和大分子物质。经毛细血管静脉端和毛细淋巴管回流到血液和淋巴内,使之不断更新,保持恒定。组织液为细胞生存提供物质交换的微环境,当病变引起组织液过度丧失或潴留,可造成脱水(dehydration)或水肿(edema)。

(二)致密结缔组织

致密结缔组织(dense connective tissue)的主要特点是纤维成分特别丰富,以胶原纤维为主,纤维粗大而排列紧密,细胞和基质成分少,主要起支持、连接作用。

根据纤维的性质和排列方式可分为以下几种类型:

1.规则的致密结缔组织(如肌腱、腱膜等) 胶原纤维平行排列成束,束间有顺纤维成行分布的成纤维细胞,称腱细胞(tendon cell)。腱细胞胞体伸出多个薄翼状突起,插入纤维束之间,核长而着色深。腱的再生能力很强,断裂的腱经过合适外科处理后能很好地恢复。

2.不规则的致密结缔组织(如真皮、巩膜、被膜等) 胶原纤维交织成网,纤维间有少量基质和成纤维细胞(图2-29)。

图2-29 致密结缔组织

3.弹性致密结缔组织(如黄韧带、项韧带、声带等) 以弹性纤维为主,其间有少量胶原纤维和成纤维细胞。

4.细密结缔组织其结构介于疏松结缔组织和致密结缔组织之间,主要见于消化管和呼吸管道的固有层。

(三)脂肪组织

脂肪组织(adipose tissue)由大量聚集的脂肪细胞构成,由疏松结缔组织分隔成小叶。正常成年人脂肪的含量约占体重10%~20%,其主要作用是为机体活动贮存和提供能量。人体脂肪大部分以甘油三酯形式贮存于脂肪组织,体内三种营养要素,只有脂肪能够大量贮存,而蛋白质(氨基酸)和糖类在体内是一般不贮存或很有限,食物中的糖类供应若超过机体需要时,也是通过转变为脂肪来贮存。主要是脂肪为疏水性,贮存时不伴有水,所占体积较少,其在线粒体中氧化后释出的能量也比蛋白质糖类高出一倍多,对机体有利。

根据细胞结构和功能不同,可将脂肪组织分为两大类:

1.白(黄)色脂肪组织(white adipose tissue) 主要分布在皮下(称皮下脂肪)、网膜、系膜、盆腔等处。由大量单泡脂肪组织(unilocular adipose tissue)组成,即前面介绍过的脂肪细胞。它为机体活动提供化学能,并具有保持体温,对腹盆腔脏器起缓冲保护和支持填充作用(图2-30)。

图2-30 脂肪组织(400×)

2.棕色脂肪组织(brown adipose tissue) 此类脂肪在成人较少,多见于新生儿及冬眠动物,主要分布在肩胛间区、腋窝、颈后等处。由多泡脂肪细胞(multiloc ular adipose cell)组成,细胞中有许多分散的脂滴及丰富线粒体。胞核圆形位于中央。当寒冷刺激时,细胞内脂类分解、氧化,产生大量热能,受交感神经调节。

谈到脂肪,人们很容易联想到“肥胖”,其实肥胖与脂肪代谢是有密切联系的。临床上称的“肥胖症”(obesity)是一组常见的、古老的代谢症群。主要表现是当人体进食热量多于消耗热量时,多余的热量以脂肪的形式储存于体内,其量超过正常生理需要而贮存过多并逐渐演变为“肥胖”的一种现象。正常男性成人脂肪组织量约占体重的15%~18%,女性大约占20%~25%,并随年龄增长,体脂所占比例也相应增加。

由于体脂增加使体重超过标准体重20%或体重指数BMI[body mass index,BMI=体重(kg)/身高(m)2]大于24者可称为“肥胖症”。形态学研究表明,肥胖可分为肥大性肥胖(hypertrophic obesety)和增殖性肥胖(hyperphastic obesity)两种类型。前者是脂肪细胞中脂类内含物增多,细胞体积增大;后者是以脂肪细胞数量增加为主要特征。成年人出现的肥胖症属于肥大性肥胖,儿童期开始的肥胖症,多属于增殖性肥胖。有关引起肥胖症的发病因素较多,其中认为与神经精神因素的调节有关。

一直以来,脂肪细胞常常被认为是一些被动消极的东西,除了储存能量,它的过多积聚会令人大腹便便,臀部下坠,以至使人们携带着多余的体重,筋疲力尽。当肥胖症危机强化了科学界对脂肪研究的兴趣时,对脂肪细胞的态度发生了根本的改变,脂肪再不是没有什么作用的肥油,而是极其活跃复杂的物质,具有多种重要功能。研究发现脂肪细胞可不断地向大脑、肝脏、肌肉、生殖器官和免疫系统等身体各处组织发出强有力的化学信号,如它们不断告诉大脑身体里还剩多少能量,通知肌肉组织燃烧脂肪,指示肝脏等其他器官补充脂肪储备。科学家们早就知道脂肪细胞对身体合成类似雌激素的性激素,使其能够调整机体的生殖过程。瘦蛋白(能告诉大脑身体中所含有的脂肪量)、脂联素(主要作用于肝脏和肌肉)、抵抗素(认为其对胰岛素的敏感度可能起关键的作用)的发现,更使人们重新认识脂肪细胞功能的重要性。最近还发现,脂肪组织不仅是由脂肪细胞组成的,而是一个复杂的混合体,其中包括免疫系统的关键细胞:巨噬细胞。巨噬细胞和脂肪细胞产生肿瘤坏死因子和白细胞介素6等物质来帮助调节免疫系统。科学家指出,脂肪之所以能与免疫功能建立密切联系或许是因为机体需要能量来抵抗外部威胁。但是过剩的脂肪细胞和巨噬细胞有可能会引发不必要的炎症,这很可能至少在一定程度上解释为什么肥胖症会增加人们患癌症、心脏病和糖尿病等各种疾病的危险。

(四)网状组织

网状组织(reticular connective tissue)由网状细胞、网状纤维和基质构成。网状细胞呈星形,突起互相连接成网,核大色浅,胞质丰富;网状纤维互相交错连接成网。网状组织参与构成淋巴器官和造血器官的支架(图2-31),为淋巴细胞发育和血细胞发生提供适宜的微环境。

图2-31 网状组织(镀银法)(400×)

随便看

 

离鸟网收录3541549条中英文词条,其功能与新华字典、现代汉语词典、牛津高阶英汉词典等各类中英文词典类似,基本涵盖了全部常用中英文字词句的读音、释义及用法,是语言学习和写作的有利工具。

 

Copyright © 2004-2024 vtrois.com All Rights Reserved
更新时间:2026/4/7 11:42:48