网站首页  词典首页


请输入您要查询的字词:

 

字词 耐酸砖
类别 中英文字词句释义及详细解析
释义

耐酸砖


1.术语(表3-39)

表3-39 耐酸砖的相关术语

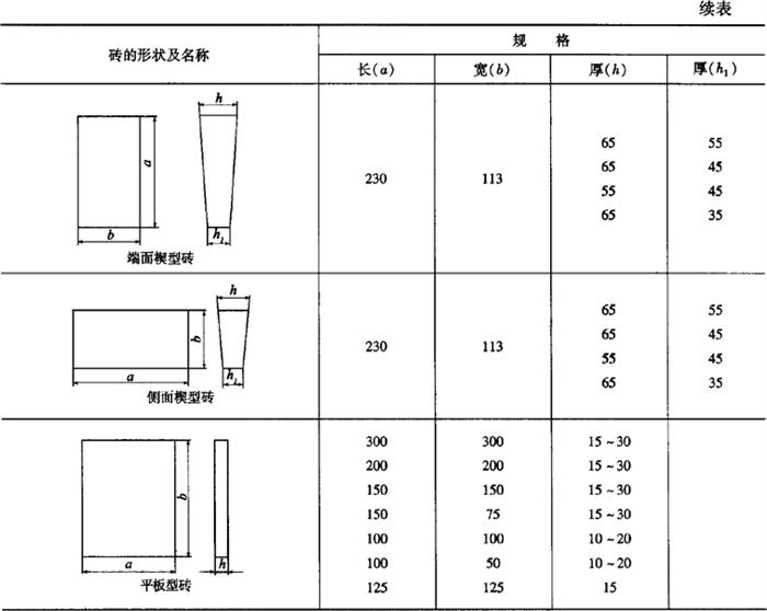
2.品种和规格形状(表3-40)

表3-40 耐酸砖的规格形状mm

注:其他规格形状的产品由供需双方协商。

3.技术要求

(1)外观质量

1)砖的外观质量应符合表3-41的要求。

表3-41 耐酸砖的外观质量mm

注:标型砖应有一个大面(230mm×113mm)达到本表对于工作面的要求。如需方订货时指定工作面,则该面应符合本表的要求。

①5以下不考核。表中其他同样的表达方式,含义相同。

2)分层,用质量适当的金属锤轻轻敲击砖体,应发出清音。

3)背纹,平板形砖的背面应有深不小于1mm的背纹。

(2)尺寸偏差及变形(表3-42)。

表3-42 耐酸砖的尺寸偏差及变形mm

(3)物理化学性能(表3-43)

表3-43 耐酸砖的物理化学性能

随便看

 

离鸟网收录3541549条中英文词条,其功能与新华字典、现代汉语词典、牛津高阶英汉词典等各类中英文词典类似,基本涵盖了全部常用中英文字词句的读音、释义及用法,是语言学习和写作的有利工具。

 

Copyright © 2004-2024 vtrois.com All Rights Reserved
更新时间:2026/4/9 10:29:59