网站首页  词典首页


请输入您要查询的字词:

 

字词 脂肪组织
类别 中英文字词句释义及详细解析
释义

脂肪组织


脂肪组织是胴体中仅次于肌肉组织的组成部分,具有较高的食用价值。对于改善肉质、提高风味均有重要意义。脂肪在肉中的含量变动较大,主要取决于动物种类、品种、年龄、性别及育肥程度。脂肪组织是一种特异分化的结缔组织,是疏松状结缔组织的变形。当动物体能消耗过大,机体消瘦时脂肪逐渐消失而恢复为原来的疏松状结缔组织纤维,这些纤维主要是胶原纤维和少量的弹性纤维。

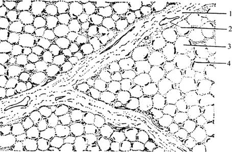
脂肪的构造单位是脂肪细胞,脂肪细胞或单个或群体地借助于疏松结缔组织连在一起。细胞中心充满脂肪滴,细胞核被挤到周边。脂肪细胞外层有一层膜,膜由胶状的原生质构成,细胞核即位于原生质中(图1-2-13)。脂肪细胞是动物体内最大的细胞,直径为30~120μm,最大者可达250μm,脂肪细胞愈大,里面的脂肪滴愈多,因而出油率也高。脂肪细胞的大小与畜禽的肥育程度及不同部位有关,如猪皮下脂肪的直径为152μm,而腹腔脂肪为100μm。肥育后牛的肾脏脂肪直径比肥育前增加近一倍。

图1-2-13 脂肪组织

1-结缔组织 2-微血管 3-脂肪细胞 4-脂肪细胞核

脂肪在体内的蓄积根据动物的种类、品种、年龄、肥育程度不同而不同。猪脂肪主要蓄积在皮下、肾周围及大网膜;羊脂多蓄积在尾根、肋间;牛脂肪主要蓄积在肌肉间和皮下;鸡蓄积在皮下、体腔、卵巢及肌胃周围;脂肪蓄积在肌束内,使肉呈大理石状,肉质较好。脂肪在活体组织内起着保护组织器官和提供能量的作用,在肉中脂肪是风味的前体物质之一。

脂肪组织的成分,脂肪占绝大部分,为87%~92%,其次为水分6%~10%、蛋白质1.3%~1.8%以及少量的酶、色素和维生素。

随便看

 

离鸟网收录3541549条中英文词条,其功能与新华字典、现代汉语词典、牛津高阶英汉词典等各类中英文词典类似,基本涵盖了全部常用中英文字词句的读音、释义及用法,是语言学习和写作的有利工具。

 

Copyright © 2004-2024 vtrois.com All Rights Reserved
更新时间:2026/4/9 14:26:42