网站首页  词典首页


请输入您要查询的字词:

 

字词 脊髓损伤的病理分类
类别 中英文字词句释义及详细解析
释义

脊髓损伤的病理分类


一、脊髓撞击损伤的病理

脊髓损伤按轻重程度不同,其病理类型可分为:

(1)轻微损伤:脊髓损伤很轻,除有少许出血外,神经细胞及神经纤维仅暂时功能受损,临床为不完全截瘫,以后完全恢复者为脊髓震荡,其病理为轻微损伤。

(2)不完全性脊髓损伤:受伤时,脊髓解剖连续性完好,脊髓功能部分丧失,临床为不完全截瘫。由于神经细胞及神经纤维部分退变坏死,故不完全截瘫的程度有轻重差别,恢复亦有完全或不完全的差异。并由于在脊髓内损伤部位不同,尚有中央型脊髓损伤、前脊髓损伤、后脊髓损伤与脊髓半横贯伤等类型。

(3)完全性脊髓损伤:在损伤当时,脊髓在解剖学上连续,但其传导功能完全丧失,临床是完全截瘫,其病理改变继续发展,致脊髓神经组织退变坏死,而代之以胶质组织。其结果是,脊髓整体的连续性仍存在,但从神经细胞及神经纤维组织看,也是横断。

(4)脊髓横断:为脊髓损伤的最严重者,在损伤当时,即致脊髓在解剖学上断裂。

具体病理过程如下:

(1)脊髓轻微损伤:脊髓损伤后仅引起灰质中小的出血灶,且出血灶较少,白质无出血及水肿,可有少数神经细胞或神经纤维发生退变,绝大多数神经组织(细胞及纤维)正常,不形成坏死区。与不完全脊髓损伤的区别就在于,轻微损伤的脊髓功能可完全恢复,且恢复后的脊髓无形态学改变。轻微脊髓损伤在临床上相当于脊髓震荡。

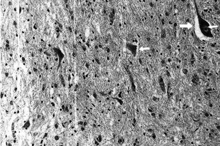
(2)不完全性脊髓损伤:脊髓不完全损伤后表现为灰质出血、水肿可波及白质,但程度较完全损伤为轻。白质中出血较少,神经纤维完整,神经细胞不完全退变。特点:①由于损伤程度不同,病理改变差异较大,轻者仅有部分灰质坏死,大部分白质保存良好,动物的脊髓功能可以大部分恢复;重者除灰质坏死外,白质中可以有囊腔、软化灶或胶质灶,但仍有部分白质保存良好,动物的脊髓功能仅部分恢复。②不完全性脊髓损伤,病变呈非进行性发展。伤后1~3h,中央管内渗出及出血,灰质中有数处点状或灶性出血,神经细胞及白质无何改变;6~12h灰质中仍呈点状或灶性出血,出血区部分神经级胞开始退变。白质轴突无改变或髓鞘水肿;24h少数白质轴突发生退变,灰白质形态清楚,无改变(图19-2、图19-3);4~8周,脊髓中已不见出血,神经细胞存在,少数仍呈退变,白质中有众多正常轴突,一部分轴突退变浊肿,少数空泡。较重的损伤,则有坏死囊腔。此后,病变无进行性发展,而是出血吸收,逐渐恢复脊髓功能。

图19-2 神经元胞体缺血萎缩并与其周白质相分离,胞浆伊红深染,核固缩

图19-3 光学显微镜下见神经纤维轴索肿胀,小灶出血及液化性坏死,灰质血管扩张出血,神经细胞变性(HE×200)

其他类型不完全性脊髓损伤的病理:脊髓中央型损伤,其出血及退行性改变,限于脊髓的中心部位;前脊髓损伤、后脊髓损伤及脊髓半横贯伤,出血及退变仅限于其相应的损伤部位,病理改变也是非进行性的。

(3)完全性脊髓损伤:脊髓完全损伤后,表现为组织出血、水肿、退变和坏死。病变有以下几个特点:①病变呈进行性或持续性加重,持续性加重的原因除创伤致出血、微循环障碍、水肿外,还有继发改变如自由基蓄积、细胞膜破坏、Ca2+进入组织过多、神经递质阿片类等多种生化改变,可加重脊髓损伤。伤后15min~3h,见中央管出血,中心灰质中多灶性出血,出血区的神经细胞,有的开始退变;6h内灰质广泛出血,出血灶增多,遍布全部灰质,有些达脊髓横面积的一半,有的可见中央动脉出血,中心灰质开始坏死,神经细胞部分退变,白质轴突尚无明显改变或髓鞘水肿;12~16h,灰质大片出血灶,有的已开始坏死,有的形成囊腔,灰质中神经细胞退变严重,并且波及白质,白质开始出血,轴突髓鞘出现退变,中央动脉亦可见出血;24~48h,脊髓中心坏死区大小不一,灰质几近碎裂,神经细胞近于消失;白质中不少轴突退变浊肿,有的白质也开始坏死(图19-4至图19-8);伤后1~2周,脊髓大部分坏死有囊腔,仅余周边白质有少数退变轴突及空泡,全脊髓坏死。这一出血坏死的范围,大约1~2cm长。②组织代替,脊髓坏死组织、退变组织被吞噬细胞移除并由神经胶质细胞和纤维所代替,方式有:囊腔,腔内有胶质纤维隔;疏松软化;由神经胶质细胞和纤维代替,此过程在脊髓损伤后6周即发生,其时脊髓的神经组织已不复可见,全为神经胶质所代替。③神经纤维再生,近端退变的神经纤维虽可以再生,但受损伤处增生的胶质组织所制约。

图19-4 伤后2h光学显微镜下见蛛网膜下腔出血、水肿(HE×200)

图19-5 损伤3h组织重度出血,组织中存在大量血细胞,组织疏松水肿,细胞空泡变性,部分细胞细胞核固缩、消失,纤维丝断裂,神经纤维溶解、消失(HE×100)

图19-6 伤后6h光学显微镜下见部分神经元出现坏死,大部分神经元呈缺血性改变,表现为体积缩小、细胞间隙水肿,白质表现为髓鞘水肿(HE×100)

图19-7 光学显微镜下见血管高度扩张充血,灰质白质大片液化性坏死伴出血,白质区水肿明显,并见较多中性血细胞呈灶性浸润,神经细胞形态明显变形(HE×200)

图19-8 损伤后24h:组织疏松水肿,大量细胞空泡变性,核固缩,结构消失,纤维丝溶解、消失(HE×100)

不完全损伤与完全损伤的区别,在于后者神经功能不能恢复,而前者可部分恢复,但不能完全恢复。不完全脊髓损伤,一般不进行性加重,可能出现继发损伤,但程度很轻。原发脊髓损伤与继发脊髓损伤的关系:原发损伤是决定性的,完全脊髓损伤的原发损伤重于不完全脊髓损伤,继发损伤或持续损伤加重脊髓损伤,主要见于完全性脊髓损伤。

(4)脊髓横断损伤的病理详见本章以下叙述。

二、脊髓缺血损伤的病理

脊髓的血运有3个来源:①脊髓前动、静脉;②脊髓后动、静脉;③根动脉为前动脉及后动脉的补充,由根动脉进入脊髓前、后动脉组成的冠状动脉,分布于脊髓周边。单独一个系统供血障碍,不致引起脊髓坏死,保留3个供血系统之一,则脊髓缺血为不完全脊髓损伤。但3个系统供血障碍,则将引起脊髓坏死。其脊髓损伤病理变化因缺血的部位时间及程度而不同。脊髓前、后动脉与根动脉损伤、断流,致脊髓完全缺血性坏死。当完全缺血时间超过20~25mjn时,可发生不可挽回的缺血损伤。大型动物缺血1h即发生完全脊髓损伤。脊髓缺血的病理改变为灰质出血,白质坏死,脊髓软化或纤维化。

郑文济等烧闭动物脊髓不同血管,观察脊髓病理改变为:

(1)烧闭脊髓前动脉与根动脉:全部病例的脊髓出现损害,脊髓水肿,蛛网膜下出血;脊髓实质中出血,软化灶形成,病灶累及双感灰质前柱、侧柱及白质前索侧索,也有单侧累及为主,个别者累及后柱,病灶区神经细胞及神经纤维髓鞘等,早期为退变,以后则坏死软化。

(2)烧闭脊髓前动脉与后动脉:脊髓的坏死软化灶累及前柱、侧柱、前索、侧索,也可累及一侧后柱、后索产生细胞及纤维退变坏死。

(3)烧闭脊髓前动脉:脊髓中病变较轻,软化灶仅部分累及前柱及侧柱。

(4)烧闭脊髓后动脉及根动脉:出血软化灶见于一侧后柱、后索。

(5)烧闭双侧根动脉:脊髓病变最轻,单侧前柱部分软化。

因缺血所致脊髓损伤病理改变,在缺血的中心部最重,向两端则减轻,范围一般2~3cm,亦有长达8cm者。

总的说来,脊髓缺血性损害的病理可分两种:一种为缺血时间较短,一般在半小时之内,很快恢复缺血脊髓的血供,则其脊髓实质仅发生较轻的病理改变,包括神经细胞及神经纤维的退变,轻者在临床上症状不多,重者临床为不全截瘫。另一种为脊髓缺血达半小时以上,可发生不可逆转的缺血性损害。缺血1h,脊髓即发缺血坏死,坏死是渐进性的。在lh之内,脊髓神经组织尚无明显改变,但几小时之后,神经细胞及神经纤维缺血性退变坏死即出现。缺血坏死以脊髓灰质为重,白质中也发生退变洞时神经胶质细胞浸润,吞噬细胞出现,最终坏死的脊髓为胶质瘢痕所代替。以上脊髓撞击伤、火器伤、脊髓压迫伤与脊髓缺血损伤的病理改变,虽然致伤原因不同,烧闭脊髓供养血管不同,脊髓发生缺血坏死的部位有所不同,但几种损伤脊髓病理改变的共同之处是脊髓中心灰质损伤最重,灰质中神经细胞退变坏死,及部分神经纤维退变,这是由于脊髓本身的结构特点所决定,中心灰质部神经细胞密集,神经纤维少,血管多,组织松散,对损伤及缺血的耐受性低,故任何原因损伤,均致灰质损害最严重。一旦发生坏死,则液化形成囊腔,并为神经胶质所代替,也是共同的病理改变。

三、脊髓压迫伤的病理

脊髓压迫损伤在椎管内,当气囊或水囊压迫脊髓或具有一定压力的夹子夹住脊髓,均导致脊髓损伤。压力大小和压迫时间决定脊髓损伤的程度。压力大、时间长,则致脊髓完全损伤;压力小、时间短,致脊髓不完全损伤,脊髓外观除有压迹外,连续性完整。脊髓灰质出血多见,但主要病理改变系由于压迫缺血所致。完全性损伤镜下可见脊髓为广泛性破坏,有囊腔及空泡改变,以中心灰质为严重,也波及到白质,向上向下可累及几个脊髓节段;神经纤维退变,广泛出血较少见,有时为脊髓软化。脊髓完全损伤的改变包括脊髓缺血性坏死、囊腔、软化、纤维化等。在不完全截瘫恢复的脊髓则病变很轻,在白质中可有小空泡或空洞,亦可见到神经纤维的改变。脊髓不完全损伤多可恢复,白质中保存一定量的正常轴索,可有小囊腔。

四、脊髓横断损伤的病理

由于闭合性骨折脱位,将脊髓挫伤切断,或是火器伤横断,断端均不整齐,局部挫灭坏死,两断端之间,可见有1.0~1.5cm的间隙。断端之内,开始为灰质片状出血,出血向脊髓两端可达1~2cm,伤后2h,灰质中神经细胞逐渐发生退变,胞浆淡染,尼氏体消失,核集于一端而后不见,出血面积渐扩大,白质中轴索及髓鞘尚无显着变化;6h神经细胞部分退变,髓鞘散乱,中心灰质处有的已开始液化坏死;24h两断端脊髓各有1cm碎裂坏死,坏死的脊髓端灰白质出血,神经细胞消失,轴索退变浊肿,有些已成为空泡;48h较24h者稍严重;6周,脊髓断端1~2cm内均为胶质瘢痕与纤维细胞所代替。

其组织学特点为:①脊髓断端发生自溶,断端的出血、坏死与基本病理改变相同,神经纤维断裂后,断端流出的轴浆形成小泡。由于轴索溶解酶作用,断端发生自溶,自溶——损失——自溶,如此反复,直至朗飞结节处停止。脊髓横断损伤后3周其断端停止自溶,开始轴突再生。②两断端的长束纤维退变,近端感觉长束(后索、侧索)、远端运动长束(皮质脊髓束)发生退变,靠近断端的神经细胞发生坏死。③远端、近端神经之间的突触连接<神经毯=发生退变,此变化大约发生在脊髓横断损伤后6个月之内,而6~9个月时,神经毯开始复原,断端间被神经胶质与纤维组织充填,近端再生的轴索不能通过。

随便看

 

离鸟网收录3541549条中英文词条,其功能与新华字典、现代汉语词典、牛津高阶英汉词典等各类中英文词典类似,基本涵盖了全部常用中英文字词句的读音、释义及用法,是语言学习和写作的有利工具。

 

Copyright © 2004-2024 vtrois.com All Rights Reserved
更新时间:2026/4/8 18:06:09