网站首页  词典首页


请输入您要查询的字词:

 

字词 自动冲盖机
类别 中英文字词句释义及详细解析
释义

自动冲盖机


(一)用途与特点

制罐盖盖坯用的冲压机械为冲床,冲盖用自动冲床也称之为自动冲盖机。自动冲盖机分为单冲头,双冲头和多冲头等。冲盖速度由每分种百只到千只以上。自动冲盖机一般均采用波形板条料或卷状波形带料的镀锡板。

(二)主要结构和工作原理

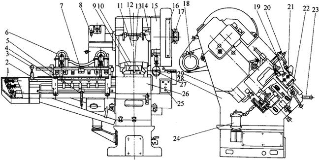
自动冲盖机一般由能自动供料、冲盖、自动下盖和排出废料的形式双柱倾斜式冲床,加上冲盖模具和自动控制设备所组成。其结构如图4-10-3所示。

图4-10-3 自动冲盖机结构图

1-板条输送器 2-送料架 3-送料盖板开启手柄 4-储料架 5-贮料架手柄 6-塑料软管 7-分张磁铁块 8-润滑油表 9-上冲模 10-滑块 11-有机玻璃 12-连杆 13-打盖器 14-曲轴 15-离合器 16-皮带轮罩活门 17-手动盘车法兰 18-电动机 19-真空吸嘴 20-刮料爪 21-托料爪 22-送料架调节螺钉 23-离合器操纵手柄 24-润滑油泵 25-电动操纵箱 26-机身工作台 27-排出废料辊筒 28-机身 29-真空泵

在机身上装有各类机构和组件:机身左侧的送料架2上装有贮料架4、刮料机构的刮料爪20、用于输送条料至上下模冲盖的板条输送器1;机身中部上面装有曲轴14、连杆12、工作台26等,机身右侧主要有电机18、离合器15、排出废料辊27等,与之配套的仪表、自动化电气装置也装在机身上。

(三)主要技术参数

几种自动冲盖机的主要技术参数见表4-10-2。

表4-10-2 几种自动冲盖机主要技术参数

注:江西轻工业机械厂生产。

随便看

 

离鸟网收录3541549条中英文词条,其功能与新华字典、现代汉语词典、牛津高阶英汉词典等各类中英文词典类似,基本涵盖了全部常用中英文字词句的读音、释义及用法,是语言学习和写作的有利工具。

 

Copyright © 2004-2024 vtrois.com All Rights Reserved
更新时间:2026/4/8 15:42:40