网站首页  词典首页


请输入您要查询的字词:

 

字词 蒸煮
类别 中英文字词句释义及详细解析
释义

蒸煮


蒸煮可定义为对肉进行的热处理过程。它包括一系列确定产品质量及感观特性的物理化学、生物化学及微生物学现象。

(一)加热处理的目的

进行加热处理的主要目的可概括为如下几点:

1.蛋白质变性

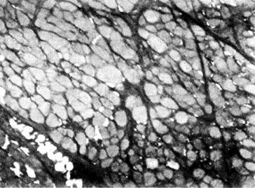
按摩、静置阶段溶解和抽提出来的肌蛋白及打开的肌纤维在热的作用下发生变性,引起细胞间空间变小(图2-8-14)。变性肌纤维极大地收缩而形成的三维网状结构可以保水,使成品更加致密、坚实及肌肉黏结性更好。

(1)第三次按摩、滚揉阶段蒸煮之前肌肉细胞空间

(2)蒸煮之前肌肉细胞空间

图2-8-14 加热引起细胞空间变小示意图

2.形成风味和气味特征

采用的加热处理可引起肌肉各成分之间发生一系列反应形成新的化合物,具有更高的消化率,给蒸煮肉制品自身带来特有的风味。

3.稳定肉色

热的作用导致腌肉中红色素(亚硝基肌红蛋白)转变成这种制品特有的粉红色素(亚硝基肌色原)。

4.致死微生物

按摩、滚揉和装模后的肉含有大量的微生物,大概在104~107cfu/g之间,微生物的存在(如乳酸杆菌、葡萄球菌、链球菌属等)可使产品腐败并危害消费者的健康。加热处理的一个目的就是造成它们的死亡。这种热致死实际上是巴氏杀菌,只能杀死微生物的营养体而不能杀死耐热型的孢子体,为了达到火腿的巴氏杀菌效果,加热处理必须等同于产品中心温度在70℃稳定30~60min。

(二)蒸煮设备

目前有两种可供选择的蒸煮设备:水煮槽和蒸汽(烟熏)炉,两种系统各有利弊,选择哪一种,完全取决于哪一种比较经济,并由各个厂家的具体情况决定。

1.在水浴中蒸煮

盛有包装或装模的产品的杀菌篮间断性的装进蒸煮锅,锅中水温根据不同产品的特殊情况预先设定并混合均匀。水浴蒸煮的优点是热交换和热传导迅速,蒸煮时间短,并且温度容易均匀分布和调节。但在卫生方面存在一些缺陷,特别是对有蒸煮损失的制品,肉直接与水接触,易造成污染。另一方面,水煮槽占据的空间和蒸煮(烟熏)炉相比明显太大。

2.在蒸煮(烟熏)炉中蒸煮

要蒸煮的产品放到蒸煮室内的手推车上,与水浴蒸煮一样,操作是不连续的,和水煮相比也有一定的缺点,可归纳为以下几点:

(1)热交换和热传导不如水煮法(蒸煮时间长)。

(2)设备设计精度要求较高,必须要求温度均匀分布,以免炉内温度不同而致同一批产品的蒸煮程度不同,现代设备在此方面做了较大的改进,且现在市场上的炉的炉内温度差别非常小。蒸汽炉蒸煮是能量损失较低且易维护的系统。

(三)蒸煮方法

蒸煮方法有以下三种基本类型:

1.恒温蒸煮

在这种类型的蒸煮过程中,水或蒸汽温度(外部温度或室温)从加热开始到结束都保持恒定。蒸煮的结束是由当产品中心温度达到一定值(内部温度或中心温度)确定的,这种蒸煮方式是最常用的,如图2-8-15所示。

图2-8-15 恒温蒸煮温度曲线图

加热温度 中心温度

2.降温蒸煮(传统的蒸煮方式)

这种蒸煮开始室温较高(如80~90℃)维持一段时间直到产品中心温度达到预先设定的温度(如50~55℃),然后将室温调到较低的温度(70~75℃)进行蒸煮加工(图28-8-16),和其它蒸煮方法相比,这种方法通常造成产品出品率降低,切片性变差,缺乏黏结力而缩短产品的保质期,并且也明显改变了产品表面部分,使这一部分发生蒸煮过度等问题。这种蒸煮方法首先应从方案中排除,除非在紧急情况下才可采用(如缺乏时间、原料不足等)。

图2-8-16 降温蒸煮温度曲线图

加热温度 中心温度

3.升温蒸煮

我们可将这种蒸煮方法分为两种类型:阶梯蒸煮和△T蒸煮。

(1)阶梯蒸煮 这种蒸煮方法,室温在不同阶段是逐级增加的,直到产品中心达到需要的温度。如图2-8-17所示,这种类型的蒸煮效果很好,尤其是零蒸煮损失的制品,尽管蒸煮时间比上述方法长。

图2-8-17 分级升温蒸煮温度曲线图

加热温度 中心温度

(2)△T蒸煮 △T蒸煮最显着的特征是加热温度不断地增加,保持产品中心温度呈直线上升,结束时室温保持恒定。和上面介绍的恒温蒸煮法相同(图2-8-18)。这种蒸煮方法无论从感官上还是从成品得率上看,蒸煮效果都是最好的(产品表面由于蒸煮过度而引起的变化几乎为零),惟一的缺点是周期太长。已经证明:△T=25℃时加热,产品感官质量和成品得率都能达到最佳效果。

图2-8-18 △T蒸煮温度曲线图

加热温度 中心温度

(四)终点温度

标志蒸煮结束的温度极大地取决于所加工的产品类型,要求的出品率及希望的成品感官特性,一般情况下:

(1)零蒸煮损失产品 产品终点中心温度65~69℃。

(2)有蒸煮损失产品(开袋蒸煮) 产品终点中心温度60~70℃。

(3)高质量产品 这种产品所要求的蒸煮损失非常精确。终点中心温度通常达到72~73℃。尽管也存在各种趋向,包括将低注射率或不注射的产品终点中心温度降低到70~71℃的趋势。

随便看

 

离鸟网收录3541549条中英文词条,其功能与新华字典、现代汉语词典、牛津高阶英汉词典等各类中英文词典类似,基本涵盖了全部常用中英文字词句的读音、释义及用法,是语言学习和写作的有利工具。

 

Copyright © 2004-2024 vtrois.com All Rights Reserved
更新时间:2026/4/6 22:22:42