网站首页  词典首页


请输入您要查询的字词:

 

字词 蒸煮药液循环与加热系统
类别 中英文字词句释义及详细解析
释义

蒸煮药液循环与加热系统


蒸煮锅加热有直接和间接加热药液强制循环两种。

图6-3-12 中部抽液循环系统

1-蒸煮锅 2-加热器 3-循环泵 4-中循环 5-下循环 6-上循环

图6-3-13 碱法蒸煮锅药液循环系统

1-加热器 2-循环泵 3-抽液管 4-上、下循环管

图6-3-14 底部抽液循环系统

1-蒸锅 2-加热器 3-循环泵 4-碱液喷洒器 5-蒸气 6-冷凝水

碱法蒸煮锅多采用间接加热,强制循环,并辅以直接加热的方法。

整个加热循环系统由加热器、循环泵与循环管路组成。

间接加热循环,又分为中部抽液与底部抽液循环两种。

1.中部抽液加热循环系统

蒸煮药液由蒸煮锅体中部抽出,泵入加热器,加热后大部分送入蒸煮锅的底部,使锅内原料始终处于疏松状态,蒸煮均匀,放锅容易,少部分药液送入锅顶部。

这种循环系统滤网板高,药液满载运行,滤网不易堵塞,强制循环可降低液比,增加药液浓度,升温迅速,加快蒸煮。蒸煮后药液浓度高,碱回收耗汽少。

采用这种循环装置,采用压装法装锅,可提高装锅量、增加产浆量。

2.底部抽液加热循环

蒸煮药液由蒸煮锅体下锥部滤网处抽出,泵入加热器加热,大部由顶部注入锅内,小部分从底部送入。

碱法蒸煮锅分甲乙两类循环系统。甲类循环系统药液循环泵为卧式单吸离心泵,主要部件的材质为1Cr18Ni9Ti,可耐酸、碱药液的腐蚀,其特征见表6-3-13。乙类循环系统适用于选用双吸离心泵。

表6-3-13 药液循环泵主要技术特征

药液循环泵用的:

高压水封泵

用水量(L/min):8~10;

(m3/h):0.48~0.6

多级离心泵直径(mm):Φ50;

流量(m3/h):12.6

3.加热器

加热器是用来间接加热蒸煮药液的设备,碱法蒸煮锅加热面积,一般要求1m3锅容有0.7~1.0m2左右,加热器药液流速2.5~6m/s。

表6-3-14 国内蒸煮锅加热器的主要技术参数

加热器型式有:双程套管加热器,双程列管加热器和U型管加热器。常用的有列管式和板壳式两种类型,国内使用列管式,而新型的循环系统则多采用板壳式。

(1)列管式加热器

国产的列管式碱液加热器有40、65、90m2三种,分别与50、75、110m3蒸煮锅配套,其中90m2加热器又分为双程式和单程式,其主要技术特征列于表6-3-15。双程列管式加热器的外形见图6-3-15,其安装尺寸见表6-3-16。单程列管式加热器结构见图6-3-16。

表6-3-15 列管加热器主要技术特征

图6-3-15 双程列管式碱液加热器

1-上液室 2-加热室 3-分配箱 4-加热管 5-压力表 6-安全阀 7-温度计

表6-3-16 双程列管式加热器安装尺寸表

图6-3-16 90m3单程列管碱液加热器

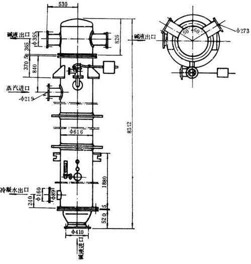
(2)板壳式加热器

板壳式加热器(见图6-3-17)又称拉曼(Ramen)加热器,是根据列管式与板式加热器结构原理发展起来的一种新型加热器和列管式加热器相比,它具有下列优点:

图6-3-17 板壳式加热器

1-加热后药液 2-循环药液接管 3-冷凝水出口 4-加热蒸汽

①传热系数高。板壳式加热器的传热系数约为管式加热器的两倍。

②压力降小。一般在5m水柱以内。

③传热面积大。在相同的流通面积的条件下,传热面积可达管式加热器的3.5倍以上。

④体积小。在传热面积相同时,体积约为管式加热器的30%。

⑤结构坚固以及污塞倾向小,容易清洗。

板壳式加热器的缺点是制造工艺比较复杂,焊接技术要求高。

国内已试制圆筒形外壳的板壳式加热器,管程公称压力为1200kPa,壳程公称压力为1600kPa,传热面积100m2,170m3间歇蒸煮锅循环药液加热用的板壳加热器加热面积为134m2

随便看

 

离鸟网收录3541549条中英文词条,其功能与新华字典、现代汉语词典、牛津高阶英汉词典等各类中英文词典类似,基本涵盖了全部常用中英文字词句的读音、释义及用法,是语言学习和写作的有利工具。

 

Copyright © 2004-2024 vtrois.com All Rights Reserved
更新时间:2026/5/25 10:38:39