网站首页  词典首页


请输入您要查询的字词:

 

字词 转向离合器及其操纵机构
类别 中英文字词句释义及详细解析
释义

转向离合器及其操纵机构


(一)转向离合器

转向离合器位于履带拖拉机中央传动从动齿轮与最终传动主动齿轮之间,两侧各有一个。用于改变两侧驱动轮的驱动力矩,实现拖拉机的转向。由于它传递的扭矩较大,采用多片、干式、常接合、摩擦离合器,其工作原理与主离合器相同,东方红-75、802型拖拉机的转向离合器由主动部分、从动部分和压紧机构等组成。其构造如图4-32所示。主动部分包括主动鼓、主动片及压盘,主动鼓与后桥轴花键连接,十片主动片的内齿与主动鼓外齿相啮合,可轴向移动。从动部分包括被动鼓轮毂、被动鼓和十片被动片,被动鼓轮毂与最终传动主动齿轮轴花键连接,被动鼓用螺钉紧固于被动鼓轮毂上,两侧铆有摩擦衬片的被动片以其外齿与被动鼓内齿相啮合,主、被动片交替安装,靠在主动毂凸缘面的必须是被动片,主、被动片的总厚度为104±2mm。压紧机构的压盘滑套在后桥轴上,通过六个弹簧销钉与主动鼓相连,六对大、小弹簧通过弹簧销钉、压盘使主被动部分经常压紧。压盘颈部装有挡油垫圈和分离轴承,轴承座外圆上有与分离叉相连的拨圈。转动分离拨叉使分离轴承带动压盘往中央传动方向移动时,主、被动片之间的压紧力减小或彻底分离。

图4-32 东方红-75、802型拖拉机的转向离合器

1.被动鼓 2.主动片 3.被动片 4.主动鼓 5.大弹簧 6.小弹簧 7.半圆卡 8.弹簧销钉 9.弹簧座 10.最终传动主动齿轮轴 11.被动鼓轮毂 12.支承垫圈 13.压盘 14.挡油垫圈 15.轴承座 16.挡油环 17.分离轴承 18.压紧螺母 19.后桥轴

(二)操纵机构

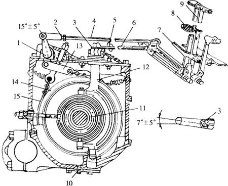
东方红-75型拖拉机转向系和制动系的操纵机构如图4-33所示。转向离合器分离叉下端插入后桥壳体底部的轴套中,上端轴由盖板轴承支撑,其伸出部分通过细牙花键与分离杠杆相连,杠杆通过推杆与操向杆连接,拉动操向杆时,推杆后移,带动分离杠杆拨动分离叉摆动,迫使分离轴承和压盘向中央传动方向移动,使转向离合器分离,从而减小或切断该侧驱动轮的动力,使拖拉机转向。

图4-33 东方红-75型拖拉机转向系和制动系的操纵机构

1.拐臂 2.拉紧螺母 3.转向离合器分离杠杆 4.制动器拉杆 5.推杆调节套 6.转向离合器推杆 7.制动器锁止扇形板 8.制动踏板 9.操向杆 10.调整螺钉 11.分离轴承 12.分离叉 13.拉板 14.制动鼓 15.制动带

随便看

 

离鸟网收录3541549条中英文词条,其功能与新华字典、现代汉语词典、牛津高阶英汉词典等各类中英文词典类似,基本涵盖了全部常用中英文字词句的读音、释义及用法,是语言学习和写作的有利工具。

 

Copyright © 2004-2024 vtrois.com All Rights Reserved
更新时间:2026/4/9 17:38:26