(一)用途与特点
辊式破碎机主要用于浆果类、核果类水果的破碎。其特点是,使水果破碎,而对果核没有太大的影响。
(二)结构与工作原理
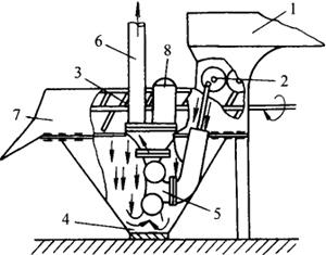
辊式破碎机主要由两个相对应的转速不同的破碎辊组成,辊子表面敷有橡胶层,或采用整体不锈钢的结构。为加大摩擦力,不锈钢辊的表面可加工成凸棱凹槽或锯齿形,也可以采用光滑表面。当工作时,水果经进料斗进入到破碎辊上,水果由于受到辊的挤压力和剪切力的作用而达到破碎,根据水果直径的大小,可以调整辊子的间隙。如图4-2-1,为葡萄破碎、去梗、送浆联合机。

图4-2-1 破碎、去梗、送浆联合机
1-料斗 2-滚筒 3-去梗部分 4-漏斗 5-送浆泵 6-管道 7-出口 8-气室
(三)主要技术参数

注:湖南湘潭市食品机械厂制造。