网站首页  词典首页


请输入您要查询的字词:

 

字词 通风道
类别 中英文字词句释义及详细解析
释义

通风道


3.9.1 通风道的设计

(1)经过通风道气体的性质

①含尘气体——根据粉尘性质、含尘浓度、粒度、比重等情况决定输送风速。参照粉尘输送风速标准值,比该值大15%~20%即可。一般含尘气体采用高速通风道。

②有毒气体——要考虑气体性质、对人体的毒性和腐蚀性。处理有毒气体时,必须在最终点设置排风机,整个系统都必须设计成负压。如果气体具有腐蚀性,要采用耐腐蚀材料。

③室内空气——根据有无空调设备,研究保温、保冷措施。

(2)决定通风道内的风速

根据通过通风道气体的性质决定风速。

(3)决定通风道结构

根据设定的流速、通风道材料来决定通风道结构。如果是易燃粉尘和气体,要加耐火挡板,以防万一。

(4)计算通风道直管部分压力损失

决定通风道路线后,根据风量、风速、通风道直径以及压力损失表计算直管部分的压力损失。

(5)计算弯管接头、支线的压力损失

根据风速、速度压力关系表,计算弯管接头以及支线的压力损失。

(6)计算全部系统的压力损失(图3-115)

图3-115 计算压力损失

i=1 γ=1

另外 h=h7+(h4+h5+h6+h14+h15)

以及 h=h3+(h5+h6+h16)

Qi—各吸尘罩需要的风量;hi—通风道各直管部分压力损失;hir—弯管接头、支线的压力损失;h——全部系统的压力损失

根据(4)和(5)的结果计算全部系统的压力损失。如果通风道有支线,要调节各支线压力损失与主系统压力损失,使之保持平衡。

(7)计算

计算压力损失,如图3-115所示。

因此,必须决定h7、h8。看图可知,极简单的通风道也需要复杂的计算。另外,各通风道都必须保持粉尘输送风速。

3.9.2 输送粉尘的标准风速值

输送粉尘的标准风速值见表3-29。

表3-29 输送粉尘的标准风速值表

3.9.3 集尘系统压力分布说明图

集尘系统压力分布,见图3-116。

图3-116 集尘系统压力分布

3.9.4 通风道各部分压力损失

通风道各部分的压力损失以各点的速度压乘以阻力系数求出(见图3-120~图3-132)。

图3-120 圆型合流通风道阻力系数

图3-121 蝶形挡板的阻力系数与开度

图3-122 滑动挡板的阻力系数与开度

图3-123 网的阻力系数

图3-124 圆型扩大式通风道阻力系数

图3-125 通风道罩的阻力系数

图3-126 弹性软管的压力损失(设置成直线时)

图3-127 采用弹性软管的局部排气装置

3-128 弹性软管曲率与阻力系数

图3-129 污染源经常移动时的吸尘罩

图3-130 风量、风速、压力损失关系

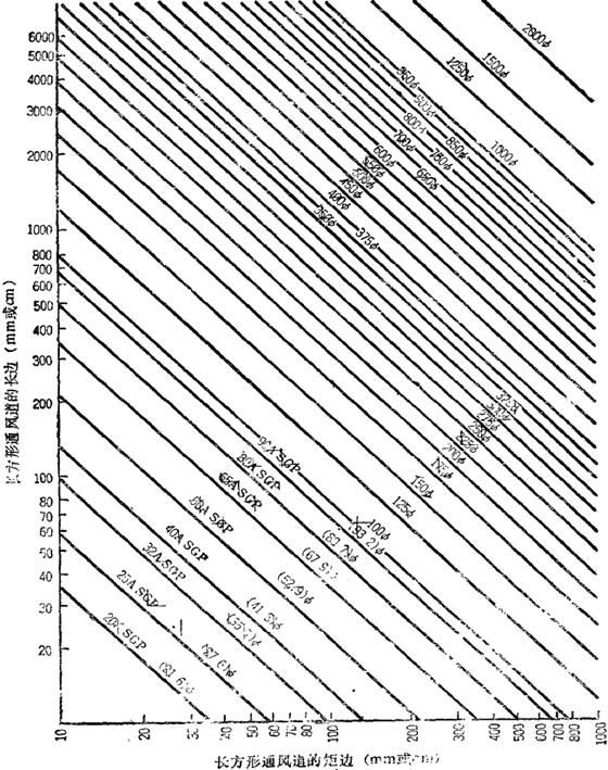
图3-131 长方形、圆型通风道换算图(等压损失)

图3-132 长方形、圆形通风道换算图(等速)

PR=ξ·PV

式中 PR——压力损失;

PV——速度压。

曲率与阻力系数见表3-30和图3-118。

图3-117 弯管接头部分

r——弯管中心线半径;

d——通风道直径

表3-30 曲率与阻力系数表

图3-118 阻力系数与曲率

图3-119 有多处合流的通风道

求速度压时,例如,空气密度1.2,风速15米/秒时,看图中央的风速线,将1.2与15米/秒点连结成直线,与左侧速度压曲线交叉点(13.8毫米H2O)就是求出的速度压值(见图3-133和3-134)。

图3-133 风速、速度压、空气密度关系

注:

上图使用说明——首先看温度→空气密度线。例如,90℃时,沿箭头方向走,与右侧空气密度线的交点可得到密度0.97。如果给的条件是绝对温度,例如,293K(常温20℃),沿着绝对温度→空气密度箭头走,可得到结果为1.2。

图3-134 管道直径与流量

随便看

 

离鸟网收录3541549条中英文词条,其功能与新华字典、现代汉语词典、牛津高阶英汉词典等各类中英文词典类似,基本涵盖了全部常用中英文字词句的读音、释义及用法,是语言学习和写作的有利工具。

 

Copyright © 2004-2024 vtrois.com All Rights Reserved
更新时间:2026/4/9 13:53:18