网站首页  词典首页


请输入您要查询的字词:

 

字词 速度高于2m/s电梯导轨校正
类别 中英文字词句释义及详细解析
释义

速度高于2m/s电梯导轨校正


速度高于2m/s的电梯,由于电梯速度的提高,对导轨安装精度的要求更高,所以需要使用精度更高的卡板式导轨校正尺进行校正操作。下面也一样,分步骤介绍速度高于2m/s以上电梯导轨校正方法。

(1)导轨的校正采用卸荷校轨法,具体做法如下:

①从最下一条导轨开始校正。

②校第一条导轨时,将第二条及以上导轨的压板收紧,然后将第一条导轨下面的部分木块(50mm)用手锤打掉(这里建议使用砖头垫起,那样容易打碎取下来),再松开第一条导轨和第二条导轨的连接螺栓,将第一条导轨沉下,使导轨连接部位的榫舌与榫槽分开。

③校正第一条导轨后,将第二条导轨沉下,校正第二条导轨。

(2)将前面因为吊装导轨拆除的样线5、6分别再挂在样板上的7、8点上,这两条样线将作为后面校正导轨的依据;有必要重新对该两条样线进行校核。

(3)导轨校正部位应在导轨接头处及导轨支承架处。

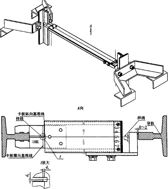
(4)调整导轨横向垂直度误差,如图4.5-8中Ⅰ放大所示。

图4.5-8 卡板式校轨尺校轨示意

拧紧压板螺栓至弹簧垫圈平齐时,将卡板型校轨尺卡在导轨上,并且校轨尺卡板应顶紧导轨顶面,读取样线与校轨尺卡板上横向基准线的对中偏差d1。通过在导轨底面与导轨支架之间增减垫片(厚度为d1),使对中偏差d1在±0.5mm以内。

(5)调整导轨纵向垂直度误差,如图4.5-8中Ⅰ放大所示。

①样线与纵向基准线的对中偏差d2在±0.5mm以内。

②校正方法:拧紧导轨压板紧固螺栓半圈后用手锤敲击导轨,直至卡板上纵向基准线与样线重合,拧紧压板螺栓。

(6)调整导轨对向平行度误差及导轨距,如图4.5-8所示。

校正方法:两人合作,使用校轨尺在各校正部位测量,要求校轨尺刻度板与样线的对中偏差f符合表4.5-2要求。若导轨对向平行度误差超差,可在导轨支架与导轨底面间插入单边垫片调整;若导轨超差则重复上面步骤(4)的操作。

表4.5-2 对中偏差f的要求

(7)导轨接头台阶和修光度校正:

如图4.5-6所示,使用导轨刨刀刨轨,具体偏差如表4.5-1的要求。

(8)其他要求:

①使用的垫片数如果厚度超过5mm,则要把垫片点焊在导轨支架上。

②单边垫片应点焊在导轨支架上。

③压板必须端正地压在导轨上,其整个长度上的倾斜度应小于或等于1,如图4.5-7所示。

随便看

 

离鸟网收录3541549条中英文词条,其功能与新华字典、现代汉语词典、牛津高阶英汉词典等各类中英文词典类似,基本涵盖了全部常用中英文字词句的读音、释义及用法,是语言学习和写作的有利工具。

 

Copyright © 2004-2024 vtrois.com All Rights Reserved
更新时间:2026/4/9 8:19:16