网站首页  词典首页


请输入您要查询的字词:

 

字词 钣金FMS及控制
类别 中英文字词句释义及详细解析
释义

钣金FMS及控制


目前钣金加工柔性控制系统主要有两种,一种主要用于加工配电面板等板材,是以冲模回转头压力机或激光切割回转头压力机、直角剪板机为主机组成的板材FMS。另一种主要用于加工冲压零件,是以多工位等压力机为主机的冲压FMS。

(一)冲孔-弯曲FMS

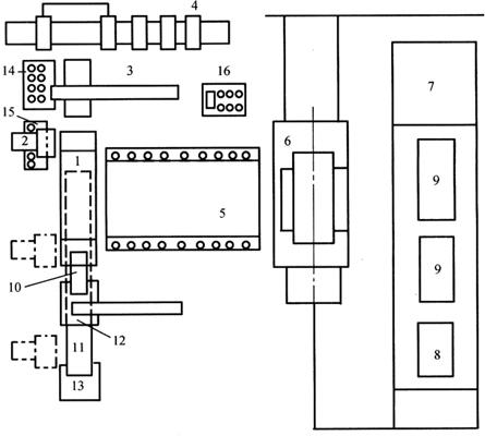
图1-15为电器零件冲孔-弯曲FMS结构图。该系统有压力机(OBW150型)及操作盘、搬送机器人(FRB4型)、坯料供给装置及操作盘、工件托架及运送装置、废料托架及运送装置、换模装置及操作盘、模具库及放置台和存放架,以及控制装置等组成。其中压力机的公称压力为1500kN。为减少换模时间,采用四幅模具为一组的模架,并设有模具自动选择装置和装模高度自动化设定装置。

图1-15 冲孔-弯曲FMS结构

1.压力机 2.搬送机器人 3.坯料供给装置 4.料垛托架 5.换模装置 6.吊车 7.模具库 8.放置台 9.存放架 10、11.运送装置 12.工件托架 13.废料托架 14、15.操作盘

机器人用于上、下料,其活动度为4,最大合成速度为2.25rn/s。坯料供给装置将装载料垛托架上的板料送至机器人的吸料位置;每个托架上可堆放6垛板料,每个堆垛处都有升降机构,以保证机器人的吸盘能吸到板料。用吊车将仓库中的模架运到换模装置上,再用此装置将模架搬送到压力机上装好。工作台上用过的模架也可按相反的过程送回仓库的架子上。

这种FMS的控制部分是一种分级控制系统,其原理如图1-16所示,各装置既有相应的控制器,又可在主计算机的指挥下进行信息交换,并实现总体控制。该FMS由日本小松和芝浦电气公司研制,主要用于加工强电控制器的零件,适用于批量为20~400个的零件,工序种类包括冲孔、修边、精压和弯曲,且工序数量为1~3个工序的生产。

图1-16 冲孔-弯曲FMS控制原理

(二)剪板-折弯FMS

图1-17是法国A.J.D公司和Colly公司研制的剪板-折弯FMS的结构。该系统由板料供给装置、吸料与转送装置、剪板机上下料装置、剪板机、折弯机器人、折弯机、工件输送带和中间料架等组成。

图1-17 剪板-折弯FMS的结构

1.板料供给装置 2.吸料与转送装置 3.剪板机上下料装置 4.剪板机 5.折弯机器人 6.折弯机 7.工件输送带 8.中间料架

折弯机器人和折弯机是该系统的关键部分,如图1-18所示。折弯机器人属于多关节型,其各部分的运动参数如下:

图1-18 折弯机器人和折弯机

A.旋转手臂 B.伸缩手臂 C.手腕 D.手抓

(1)手臂A旋转运动的转动范围为70°,速度为115°/s。

(2)手臂B伸缩运动的活动范围为1.2m,速度为1.6m/s,加速度为2m/s2

(3)手腕C旋转运动的转动范围为180°,速度为286°/s。

(4)手抓D旋转运动用于板料翻面,其转角固定为180°。

折弯机器人能完成比较复杂的动作,如将板料送入上、下模之间,并将其推靠在折弯机的后挡料装置处,在折弯过程中跟随板料一起运动,且能承受较大的力矩,以防止板料出现不符合要求的弯曲缺陷。

折弯机器人的手臂中还设有示教臂,如图1-19a所示。操作者用手推动示教臂,可借助直接模拟电路,使机器人的手臂跟随示教臂运动,并用与机器人各种动作相连的编码器记录其运动轨迹。当转换成自动工作时,机器人手臂能按照事先示教的位置及顺序自动运动。

图1-19 机器人工作原理

a.手臂和示教臂 b.控制线路

图1-19b是这种机器人的控制线路图。机器人的所有机械运动均用直流伺服电机驱动,并经谐波减速器减速,所用控制计算机为SBC11/21型。

(三)冲孔-步切FMS

图1-20所示为美国Widemann公司研制的DNC System1000型配电面板FMS的结构,由直角剪板机、冲模回转头压力机、物料输送机构、料仓和控制等部分构成,可加工的面板最大尺寸为1219mm×3658mm×4.76mm。

图1-20 冲孔-步切FMS的结构

1.结构组成

冲孔-步切FMS的主要工作部分结构是在冲模回转头压力机上,设有X、Y方向板料的高速定位工作台,并带有多付模具的回转头和等离子电弧轮廓切割器,以便能完成冲孔和步切工序。

直角剪板机上也设有X、Y方向板料的高速定位工作台,可在一次滑块行程中同时在X和Y方向进行剪切。

同时,在料仓内设有堆垛起重机,可自动从整架上选取所需的板材,并将其转送到装料移动台,或将已部分加工过的整架板材放回到料架上。

2.工作原理

由于冲模回转头压力机上,带磁性分片装置的顶置真空式升降装料器1既可吸取板材,又可将板材送至压力机的工作台上,推靠紧定位器;待冲压完毕后,装卸料夹钳可将面板从压力机上卸下,并越过双动卸料移动台等送至剪板机。

当剪板机的传感器检测到板材已装好后,将自动使板材推靠定位器,并由总传送带完成剪板机上的卸料,至于工件的分选可由另外几条能升降的传送带完成,以便使工件能滑落至相应的产品箱中。

然而,系统中的冲模回转头压力机和剪板机也可单独工作。当冲模回转头压力机单独工作时,已冲孔或步切的板料,可经双动卸料移动台送回料架。剪板机单独工作时,由顶置真空式升降装料器上料。

3.系统的分级控制

(1)分级控制组成:图1-21为冲孔-步切FMS的分级控制原理图,分为前置、制备和控制等三级。其前置级和制备级与车间主计算机相连,用于制定材料计划和计算机辅助设计(CAD)。

图1-21 冲孔一步切FMS分级控制原理

FMS本身的计算机是16~32bit的小型或超小型计算机,具有1MB以上的随机存取储存器(RAM),以及大于50MB的磁盘。外部设备通常有两个以上的打印机(其中一个在机器上,另一个在计算机房内)、两个以上的CRT(显示器)(其中一个为图形终端)、一台自动绘图机和一台备用磁带记录仪。

(2)分级控制文件:在其控制级中,每一台机器用一单独的CNC或PC控制。各个“工件的NC数据文件”又构成“总的NC数据文件”,以建立排样程序“COMPU-CUT”,并显示于CRT上或用自动绘图机绘出。

“COMPU-CUT”的输出建立“剪切NC文件”和“结果文件”,并与“工件NC数据文件”相结合,构成“综合程序”。且每个“工件的NC数据文件”被转换成每个工件孔的位置、冲孔和切割的顺序、轨迹,并形成“冲孔NC文件”和“剪切NC文件”(包括剪板与切割),再将两个文件与“板材装卸文件”一起输入自动板材装卸监督器(AMHS),以使堆垛起重机、板材装卸装置、冲模回转头压力机和剪板机等的控制相协调。

4.分级控制工作原理

冲模回转头压力机开始工作前,AMHS向堆垛起重机监督器(SCS)发出一请求信号,以便检查板材的可用性。若系统中没有足够的板材,将在车间的CRT上通知操作者,并紧急停止系统工作。

系统开始工作时,AMHS又向堆垛起重机控制子程序(SCCR)发出一请求信号,以便堆垛起重机能从料仓获得板材,并通过板材装卸控制子程序(MHCR)控制装料移动台移至其装料位置。当板材装至移动台后,该台将移至前端卸料位置,随之升降装料器、冲模回转头压力机等将相继开始工作。

当装料移动台上的板材耗尽时,MHCR将使移动台回到其后端装料位置,并通知AMHS材料已用完,于是AMHS向SCCR提出两个请求,一要求将空料架入库,二要求一个满料架;当空料架入库后,装料移动台从堆垛起重机上接受一满料架并移至其前端卸料位置,系统继续工作。

当系统运行完成后,AMHS将通过MHCR使装料移动台移至其后端装料位置,并同时向SCCR发出一请求,命令堆垛起重机将未用完的料架送回料仓。板材装卸CPU(中央处理器)控制器(MHCC)能协调各级硬件的运行。

随便看

 

离鸟网收录3541549条中英文词条,其功能与新华字典、现代汉语词典、牛津高阶英汉词典等各类中英文词典类似,基本涵盖了全部常用中英文字词句的读音、释义及用法,是语言学习和写作的有利工具。

 

Copyright © 2004-2024 vtrois.com All Rights Reserved
更新时间:2026/4/9 11:58:25