网站首页  词典首页


请输入您要查询的字词:

 

字词 锅炉供热
类别 中英文字词句释义及详细解析
释义

锅炉供热


(一)一般规定

(1)锅炉房的容量宜按负荷曲线法进行计算确定,不具备负荷曲线法计算条件时,可用最大负荷计入同时使用系数,再加上管网漏损的方法确定容量。

同时使用系数的数值如下:

供热负荷:0.80~0.90

(2)锅炉应优先采用层燃式链条炉,不宜采用煤粉炉,采用燃油锅炉必须经有关主管部门批准。自建锅炉房时,宜采用1.3MPa的饱和蒸汽锅炉;采用过热蒸汽锅炉应经技术经济比较。锅炉台数和容量的选择应能适应热负荷变化的需要,其计算负荷率宜为锅炉额定蒸发量的70%~80%。

锅炉装设在地震设防烈度为七级及以上地区时,必须对锅炉制造厂提出抗震要求。

(3)供热方式的选择应按建厂所在地区供热规划进行。当所需供热参数及负荷不能由区域热电站、区域锅炉房等外部协作供应时,方可自建锅炉房供热。自建锅炉房宜考虑扩建的可能,并应设置与全厂计量等级相一致的计量装置。

(4)锅炉宜按额定压力供热,需要时在用热点设减压装置。

为提高供热质量可采取下列措施。

①对供热品质要求较高的设备,宜设专管供热。

②热网或热电联产锅炉房提供过热蒸汽时,应设减温减压装置或稳压装置。

③设置变压式蒸汽蓄热器。

凝结水应回收。量小路远的可就近利用。

(二)锅炉房设计

(1)燃料选择:根据我国能源政策,工业锅炉应以煤为燃料,尽可能选用低位发热量≥18840J/kg;含硫量≤1%;挥发分>10%;水分6%~12%;灰分<30%;灰渣软化点≥200℃,中等结焦性或微结焦性的烟煤。

(2)锅炉热负荷与选型:

①热负荷。全厂热负荷测算包括:

Q1:各生产车间用汽负荷及参数要求,包括小时最大耗汽量;小时平均耗汽量;用汽时间。

Q2:各部门采暖、通风的小时最大耗汽量。

Q3:全厂生活用汽的小时最大耗汽量:小时平均耗汽量,参数要求及供汽时间。

Q4:锅炉房自用汽量,一般取5%~8%,有热力除氧器等用汽设备时,其用汽量需要计算后增加进去。

Q5:管网损失,一般取5%~10%。

Q6:工厂发展生产需要增加用汽量。

锅炉房的最大设计容量Qmax,以t/h表示:

Qmax=Q1+Q2+Q3+Q4+Q5+Q6

根据最大容量再考虑同时使用系数后,确定锅炉房安装容量。

②选型原则。可以供应的燃料品种必须与选用锅炉的要求相一致;对热负荷变化的适应性较好;消烟除尘效果好,对环境污染影响较小;热交率高、燃料消耗少;操作管理方便、劳动强度小,自动化程度高;锅炉的各项参数满足使用要求;锅炉宜选用相同参数、相同型式、同一制造厂产品,当选用不同容量的锅炉时,种类不宜超过两种。锅炉台数应不少于二台,其中一台为备用。

(3)给水设备:

①原水加压泵。厂区给水管网的水压低于196kPa时,锅炉房内应设二台水泵对原水进行加压,其流量不小于锅炉房补给水总量的1.2倍,扬程按需要确定,但不得低于196kPa。可采用一般的BA型离心水泵。

②凝结水泵。为提高凝结水回收系统工作的可靠性,宜采用压力回水方式。需要设凝结水泵二台,其流量不小于凝结水回收总量的2倍,扬程根据除氧器工作压力管路系统总阻力及因凝结水箱与凝结水泵进口之间的位差造成的压差值,并考虑一定余量(一般取0.5~1kPa)而定。

③除氧水泵。将软化水输送至除氧器之内,需设置2台,其流量不小于锅炉房总补充水量的1.2倍,扬程根据需要确定,一般不小于196kPa。可用一般IS型离心水泵。

④锅炉给水泵。每台锅炉应独立设置两台锅炉给水泵,其中一台应为蒸汽泵。每台给水泵的流量不小于锅炉额定蒸发量的1.2倍。其扬程H,以kPa表示,按下式确定:

H=10p+(20~30)

式中p——锅炉工作压力,kPa。

⑤盐水泵。用于将盐水打入钠离子交换器还原时用,一般采用塑料离心泵不必配置备用泵。

⑥软水箱。一般设一只,其容量不小于锅炉房额定总蒸发量的50%。当锅炉房常年不间断运行或在软水箱加入药剂进行炉外水处理时,应设2只水箱。

⑦凝结水箱。其有效体积按凝结水总回收量的80%来考虑,在小型锅炉房中,凝结水箱与软水箱可合为一只。

(4)给水处理:

①原水水质分析。原水成分随季节而有所变化,水质分析资料宜每个季节各1份,至少上下半年各1份。水质分析的项目见表10-3-7。

表10-3-7 水质全分析项目表

②水处理系统的选择。锅炉给水和炉水的质量应符合低压锅炉水质标准的要求见表10-3-8,以保证锅炉安全运行。采用炉外化学水处理时,锅炉的排污率一般不大于锅炉蒸发量的10%,此时锅炉给水的碱度及含盐量见表10-3-9。当工厂冷凝水回收量很少,而锅炉给水的原水含盐量及碱度又较高时,宜考虑脱碱或除盐处理。水处理常用方案见表10-3-10。

表10-3-8 低压锅炉水质标准

表10-3-9 炉外化学处理锅炉给水的碱度和含盐量的要求(排污率10%时)

表10-3-10 水处理常用方案表

未经污染的冷凝水通常可不考虑其硬度,碱度及含盐量。有凝结水回收时,锅炉给水的硬度等指标均可按下式计算:

E=αA

式中E——锅炉给水的硬度等指标;

A——锅炉补给水的硬度等指标;

a——锅炉补给水率,%。

建厂地区的一般操作水平,习惯上采取的水处理方法,再生剂等化学药品的来源及价格等因素,也应在决定水处理方案时加以考虑。

对带小发电机的锅炉,则应按火力发电厂的有关技术规范进行水处理系统设计。

单台蒸发量大于及等于4t/h的锅炉给水进行除氧处理。

原水浊度超过5mg/L时应进行预处理,通常可用机械过滤器来清除原水中的悬浮物。当进水浊度不超过20mg/L时,出水浊度可降至1~2mg/L。

③离子交换软化处理。离子交换软化处理中的钠离子交换软化系统是目前应用最普遍的水处理方法。其对原水水质的要求:原水不含苯、酸等有机化合物;原水呈中性(pH在7左右);原水中悬浮物含量小于5mg/L;原水温度不超过35℃。

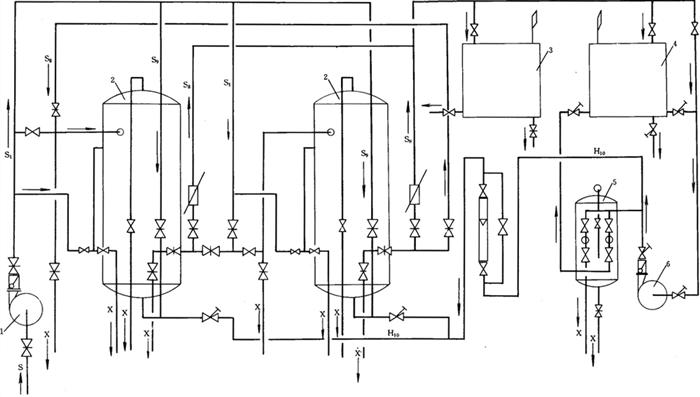
固定床逆流再生钠离子交换器软化水系统见图10-3-1

图10-3-1 固定床逆流再生钠离子交换器软化水处理系统图

1--原水加压泵 2-逆流再生钠离子交换器 3-软化水箱 4-盐水箱 5-盐溶解器(压力式滤盐器) 6-盐水泵 S-原水 S1-加压后生产用水 S8-软化水 S9-钠离子交换器反洗水 H10-盐水 X-排污 -闸阀 -截止阀 -逆止阀(止回阀) -逆流阀 -流量计(水表) -转子流量计 -通大气 →.介质流向

④降碱处理。软化水加酸是最简单的降碱措施。一般加硫酸,所产生的二氧化碳用脱气塔除去。加酸量的控制是使水的残余碱度在0.3~0.5mL/L范围内。其缺点是水中溶解固形物有所增加。此法适用于原水总硬度低于4mL/L时采用。

石灰法:石灰-纯碱法;石灰-氯化钙法。石灰法适用于碳酸盐硬度较高的水,如总硬度大于6mL/L总碱度大于6mL/L,永久硬度小于1mL/L的水质。石灰-纯碱法及石灰-氯化钙法可去除原水中的碳酸盐硬度,同时亦能去除非碳酸盐硬度,对于负硬度大于2mL/L的水较为合适。

氢-钠离子交换法串联系统:适用于原水的非碳酸盐硬度小于3.6mL/L,碳酸盐硬度占总硬度一半以上,而且原水中的碳酸根离子和氯离子含量合计在5.3~7.0mL/L的条件。通常采用强酸性离子交换剂作为氢离子交换器的离子交换剂,它先将原水中的各种离子转变成相应的酸,然后与碱度相中和,所产生的二氧化碳用脱气塔除去。

氢-钠离子交换法并联系统:适用于原水的碳酸盐硬度占总硬度的一半以下,且原水中的硫酸根离子与氯离子合计在5.3~7.0mL/L的条件。将经氢离子交换器出来的酸性水和经钠离子交换器出来的碱性水相混合以产生中和作用,起到既除硬又降碱的目的,二种交换器进水的比例要根据原水成分进行核算和调整,混合后的水亦需进行脱气处理。

⑤除氧。为延长锅炉使用寿命和提高运行的安全可靠程度,应对锅炉给水进行除氧处理(蒸发量小于4t/h的锅炉尚未规定必须进行除氧处理)。

喷雾式热力除氧器特点是设备体积小,较少发生水击现象,能在40%~100%负荷范围内有效工作,对负荷适应性较强。但必须按负荷大小调节投入运行的进水喷嘴数量,以保证雾化效果使给水达到设计的加热温度。

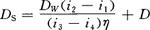
除氧器所需加热蒸汽量Ds,以kg/h表示,可按下式计算:

式中Dw——除氧器进水量,kg/h;

i1——除氧器进水热焓,J/kg;

i2——除氧器出水热焓,J/kg;

i3——加热蒸汽的热焓,J/kg;

i4——排出蒸汽的热焓,J/kg;

η——除氧器效率,η=96%~98%;

D——余气量,D=(1~3)kg/1000kg。

真空除氧:采用喷射器或真空泵使除氧器内产生真空,工作条件为:真空度800~930kPa,水温60~65℃,安装高度不小于10m。蒸汽耗量比喷雾式热力除氧器少。

(5)煤场与渣场:

①煤场面积(F)的确定以m2表示:

式中B——锅炉房平均小时最大耗煤量,t/h;

t——锅炉在一昼夜中的运行时间,h;

M——煤场贮煤天数,d;

汽车运输时:M=5~10d;

火车或船舶运输时:M=10~25d;

N——煤场过道占用面积系数,一般取1.5~1.6;

H——煤堆高度,m;

皮带式输送机堆煤时:H=5m;

装载机堆煤时: H=7m;

人工堆煤时: H=3m;

γ——煤的堆积相对密度,t/m3

γ=0.8~1.2t/m3

φ——煤的堆角系数,一般取φ=0.6~0.8。

②煤场设施。

a.运输设备:可根据锅炉房规模选用人工翻斗胶轮手推车、装载机、皮带输送机,将运输工具上的煤卸至贮煤场和将煤送至锅炉房上煤系统。

b.破碎和筛选设备:筛选设备可选用固定筛、振动筛或滚筒筛;在破碎机之前尚应设电磁分离器以清除煤中的铁质夹杂物;破碎机可选用颚式破碎机、反击式破碎机、齿辊式破碎机、环式破碎机等。

c.计量装置:小型锅炉可用磅秤(磅秤平台与地面平齐);规模较大的锅炉房则应采用地上秤或地中秤;也可用电子皮带秤。

③渣场。

a.每吨煤产生的灰渣量At,以t/t表示:

式中:Ag——煤产生基灰分,%;

q4——锅炉的机械不完全燃烧损失,%;

——煤的低位发势量,J/kg。

b.渣场占地面积F,以m2表示:

式中B——锅炉房平均小时最大耗煤量,t/h;

At——每吨煤产生的灰渣量,t/t;

t——每昼夜中锅炉运行时间,h;

M——渣场贮存天数,d;

M=3~5d;

N——渣场面积利用系数,N=1.5~1.6;

H——渣堆积高度,m;

 一般不超过2m;

γ——煤渣堆积密度,t/m3

γ=0.6~1.4t/m3

φ——堆角系数,一般取0.6。

c.渣的运输设备与运煤设备相同。

④煤场及渣场设计中的注意问题。江南多雨地区要考虑贮煤7~10d的干煤棚;

北方煤场及渣场的面积要根据封冻时间和长短适当增加;冬季较冷的地区,煤场及渣场宜采用一部分有采暖设施的房屋建筑。

(6)烟气排放与除尘。

①烟道设计。

a.圆形断面烟道直径d以m表示:

b.矩形断面烟道断面尺寸H、B以m表示:

F=H×B

F=Q/3.600×w

式中Q——通过烟道的烟气量,m2/h;

w——烟气流速(见表10-3-11),m/s。

表10-3-11 烟道中的烟气流速

②烟囱设计。

a.材料选择。

砖烟囱:使用年限长,造价中等;其上口径不宜小于0.8m,高度不宜超过50m,且不适用于地震强度7级以上的地区。

钢烟囱:施工周期短,造价便宜,有较好的抗震性能,但钢耗量大,且拦风的钢丝绳锚占地较大,维护工作量大,燃料的含硫量超过1.5%时腐蚀比较严重。一般用于急于投产以及地震强度高的地区。

钢筋混凝土烟囱:使用寿命长,抗震性能好,但造价较高一般在高度超过50m或地震强度7级以上的地区采用。

b.烟气排放标准(摘自GB3841-83)见表10-3-12。

表10-3-12 烟气排放标准

注:标准情况下的烟气浓度。

c.锅炉房容量与烟囱上口径及高度的关系,见表10-3-13。但周围半径200m范围内有高层建筑时,烟囱高度应超过最高建筑物3m以上;邻近有军事、电讯、气象、航空等特殊单位时,还应征求他们的意见并取得有关部门的同意。

表10-3-13 锅炉房容量与烟囱上口径及高度有关系

③除尘方式。除尘方式的选择要根据烟尘排放标准,结合锅炉类型、燃烧方式、燃料种类、辅机性能、操作条件、负荷状况、维修水平等因素综合考虑决定。烟气中含大量粗大尘粒时,宜采用一级干式旋风除尘器。建厂地区对环境条件无特殊要求时,可采用锅炉制造厂配套提供的除尘器。湿式除尘在除尘效率捕集细尘粒能力、本体阻力等方面优于干式除尘,并能吸收部分有害气体;但耗水量大,废水需中和处理,沉灰池掏挖不便,除尘系统需加防腐蚀措施,烟气温度下降较多。

(7)锅炉房的布置。

①一般原则。

锅炉的辅机(鼓风机、引风机、除尘器、锅炉给水泵、余热利用装置)宜与其锅炉单元式配置,自成系统。但水处理设备、水泵、风机等宜装设在与锅炉房相连的辅助建筑内;风机、水泵应采取消声减震措施。

烟囱及烟道的布置应力求使每台锅炉抽力均匀,阻力较小。烟囱离建筑物的最小距离,应考虑烟囱基础下沉时,不致影响锅炉房的安全。

锅炉房应独立设仪表控制室和必要的生活间。

锅炉房为双层布置时,对6.5t/h的锅炉其运转层高度不低于4m,对10t/h的锅炉其运转层高度不低于4.5m。锅炉给水箱、除氧器等的布置应有足够的高度,使相应的水泵有一定的液位灌注高度,避免气蚀。

锅炉前端到锅炉房前墙的净距离不应小于3m;一般取4~5m。需在炉前进行操作时,炉前净空应比锅炉燃烧室总长大2m。锅炉需在侧面操作时,蒸发量4t/h的锅炉不小于2.5m;6.5t/h的锅炉不小于3m;10t/h的锅炉不小于3.5m。

在炎热地区,宜在锅炉房前墙开门。当锅炉房为双层布置时,前墙外宜设阳台。

②锅炉房在厂区的位置。应根据总图布局综合考虑下列各项因素,加以比选确定。

a.尽可能接近用汽负荷中心。使厂区管道设置在技术经济上均为合理。

b.有足够的燃料和灰渣的堆放场地,而且运输方便,流向合理。

c.为减少烟尘和有害气体对周围环境的影响,锅炉房应设在夏季风向最小频率的上风侧(污染系数=风向频率/平均风速)。

d.与相邻建筑物保持足够的距离以满足防火和卫生规范的要求。保持较好的朝向,有利于通风、采光、防晒和防寒。

e.充分利用地形,考虑地质特点,宜建在土壤耐压力较高的区域。并根据全厂总体规划,考虑锅炉房的扩建余地。

③锅炉房设计注意事项。

a.土建:锅炉房属于丁类生产厂房,建筑应为一、二级耐火等级;尽可能采用建筑标准模数,跨度在18m以下时一般用3m的倍数;在18m以上时一般用6m的倍数。柱距一般用4m或6m的倍数。自地面至柱顶的高度一般为0.3m的倍数;锅炉房每层在相对二侧应设二个出口;锅炉房通向室外的门应向外开,辅助间的门应向锅炉房开;锅炉房各层均要设楼梯直达操作区;对操作部位较高的地点应设平台、扶梯及防护栏杆。

b.供电:10t/h以上容量的锅炉房供电宜按二类负荷考虑,一般采用放射式动力配线,有多台锅炉时,可按每台锅炉机组分别设控制箱或动力配电箱及就地启停按钮;鼓风机、引风机之间应有电气连锁,先开引风机,再启动鼓风机,先停鼓风机,再停引风机;各运煤机械之间应有电气连锁。按煤的流向,启动时先后再前,停止时先前再后。

c.自控:仪表与自控装置一般应按工业锅炉自控配套的要求设置。以检测、报警和保护为主,调节及控制为次,因地制宜加以考虑。

d.采暖通风:采暖地区的锅炉房应按《工业企业设计卫生标准》的规定考虑采暖;应根据当地气象条件及夏季运行锅炉表面散发的总热量计算确定是否应设气楼、天窗来散发余热;锅炉房、水泵间、配电间、水处理间、除氧间等均应保持良好的自然通风;炎热地区的多台锅炉的仪表控制室可设局部空调;对运煤系统的转运处、破碎筛选处和干式机械出渣等产生灰尘严重的地点,要有密封措施或设置局部排风装置。

随便看

 

离鸟网收录3541549条中英文词条,其功能与新华字典、现代汉语词典、牛津高阶英汉词典等各类中英文词典类似,基本涵盖了全部常用中英文字词句的读音、释义及用法,是语言学习和写作的有利工具。

 

Copyright © 2004-2024 vtrois.com All Rights Reserved
更新时间:2026/4/8 3:05:06