网站首页  词典首页


请输入您要查询的字词:

 

字词 门上坎的固定
类别 中英文字词句释义及详细解析
释义

门上坎的固定


厅门上坎一般采用支架,通过膨胀螺栓与井道壁固定,然后利用厅门立柱与厅门地坎连接起来,安装方法如下:

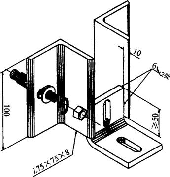
首先将门上坎搬入井道,与门套立柱上焊接固定着的连接螺栓(M8×20)进行固定,如图5.2-5所示。然后需要确定门上坎托架的安装位置,再用M12撞拉式膨胀螺栓(无预埋件)或焊接(有预埋件)将门上坎托架固定在井道壁上。安装上坎托架的工艺要求如下:

图5.2-5 厅门上坎安装示意1

标准厅门开门宽度OP为800mm或900mm;当开门宽度为1000mm或大于1000mm时,需增加两件门上坎托架,如图5.2-6所示。

图5.2-6 厅门上坎安装示意2

(一)安装门上坎托架

厅门上坎托架的安装方法一般分以下三种情况:

1.门口样线至前墙距离在105~150mm之间

这是正常情况下的安装,具体安装方法有下面两种:

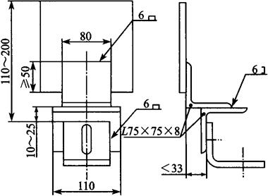
(1)当前墙是混凝土结构且无预埋件时,按图5.2-7所示用M12×100撞拉式膨胀螺栓直接紧固门上坎托架。紧固后,如图示将垫圈两点焊接在门上坎托架上。

图5.2-7 厅门上坎安装示意3

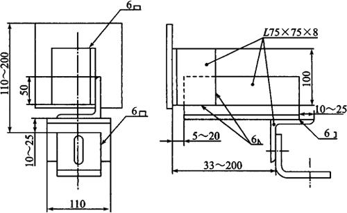
(2)当前墙是砖墙或混凝土结构且有预埋件时,按图5.2-8所示用焊接方法固定门上坎托架。

图5.2-8 预埋结构厅门上坎安装示意

2.门口样线至前墙距离在151~350mm之间

按图5.2-9所示进行安装,具体安装方法有下面两种:

图5.2-9 厅门距离墙面过大安装示意1

(1)门口样线至前墙距离在151~205mm时,按图5.2-10所示固定上坎托架。

图5.2-10 厅门距离墙面过大安装示意2

(2)门口样线至前墙距离在206~350mm时,前墙是混凝土结构且有预埋件的情况按图5.2-11所示固定门上坎托架;前墙是砖墙或混凝土结构且无预埋件的情况时,按图5.2-12所示固定门上坎托架。

图5.2-11 厅门距离墙面过大安装示意3

图5.2-12 厅门距离墙面过大安装示意4

3.特殊情况下门上坎托架的安装

(1)门上坎预埋件向上偏移时,按图5.2-13、图5.2-14所示方法安装门上坎托架。

图5.2-13 特殊结构厅门上坎安装示意1

图5.2-14 特殊结构厅门上坎安装示意2

(2)门上坎预埋件向左或向右偏移时,按图5.2-15所示方法安装门上坎托架。但当偏移量超过图5.2-15所示要求值时,则应按图5.2-7所示方法安装门上坎托架。

图5.2-15 特殊结构厅门上坎安装示意3

(3)无门上坎预埋件且井道壁不垂直时,如图5.2-16所示,如果门上坎托架与门上坎的间隙L≤5mm时,则可插入门上坎固定专用垫片(如图5.2-17所示)进行调整。如果L>5mm时,则必须用铁凿将井道壁削为垂直后再安装门上坎托架。

图5.2-16 特殊结构厅门上坎安装示意4

图5.2-17 特殊结构厅门上坎安装示意5

(二)安装上坎和门柱

安装完上坎托架后,就可以安装上坎和门柱了,安装方法是通过门上坎托架的长圆孔及门上坎与门套立柱连接的长圆孔,前后、左右移动门上坎,确认门上坎及门套的位置。具体调整方法如下:

(1)通过在门上坎托架与门上坎之间插入门上坎固定专用垫片,调整门上坎垂直度误差|a-a′|≤1mm,如图5.2-18所示。

图5.2-18 门导轨安装示意

(2)通过门上坎托架的长圆孔调整。

(3)门上坎水平度偏差≤1/1000。

(4)从门导轨的打孔标记垂下铅垂线与地坎在X、Y轴方向上进行对中,在X、Y方向上对中偏差应在1mm以内,如图5.2-6所示。

(5)门套立柱与门口样线及地坎的门口宽划线对齐,如图5.2-19所示。

图5.2-19 门套安装示意1

(6)检查门套前后、左右方向垂直度偏差,挠曲误差如图5.2-20所示。

图5.2-20 门套安装示意2

(三)加固门套

当完全安装好厅门上坎、地坎和立柱后,就可以安装和加固门套了,使用钢筋(Φ10mm×200mm)将打入墙中的钢筋与门套加强板进行焊接固定,大门套的焊接固定如图5.2-2所示,小门套的焊接固定如图5.2-3所示。焊接操作的焊缝高为4mm。

安装厅门框架的其他要求如下:

(1)紧固各部分的固定螺栓。门上坎托架固定用撞拉式膨胀螺栓的螺纹必须凸出螺母至少5mm,如图5.2-16所示。

(2)在撞拉式膨胀螺栓的平垫圈与门上坎托架之间点焊两点,如图5.2-16所示。

(3)消除焊接处的焊渣,涂上防锈漆。

随便看

 

离鸟网收录3541549条中英文词条,其功能与新华字典、现代汉语词典、牛津高阶英汉词典等各类中英文词典类似,基本涵盖了全部常用中英文字词句的读音、释义及用法,是语言学习和写作的有利工具。

 

Copyright © 2004-2024 vtrois.com All Rights Reserved
更新时间:2026/4/9 6:37:48