网站首页  词典首页


请输入您要查询的字词:

 

字词 防触电基本措施
类别 中英文字词句释义及详细解析
释义

防触电基本措施


对于上述两种类型的触电情况各有不同的基本防止措施。

(一)防止用电设备金属外皮漏电引起触电的基本措施

用电设备金属外皮漏电引起的触电,主要发生在低压电气设备上。目前,普遍采取的防止用电设备绝缘漏电的基本措施是对用电设备实行保护接地或保护接零(也叫做保护接中线)。此外,也可以在用电设备电源侧接入漏电保护器。这样,当用电设备绝缘漏电时,就能自动切断电源,从而避免发生人身触电事故。

1.保护接地 所谓保护接地,是将变压器、电动机、开关板等电气设备的金属外壳用导线和接地装置相连接见图2-6。当设备绝缘漏电、外壳带电时,漏电电流通过接地装置流入大地。如果此时正巧有人误碰设备的外壳,仅有一部分漏电电流经人体流向大地。这时人体与设备的保护接地并连连接,流过人体的电流大小与保护接地的电阻值和人体的电阻值之比有关。

图2-6 保护接地作用原理图

2.保护接中线(保护接零) 380V/220V的低压三相四线制电网中性点一般都是接地的。采用中性点接地主要有两个原因:当有一相导线出现接地故障时,避免其他两相线的对地电压升高;同时还可以将中性线电位固定为零,防止中性线电压升高。对于这样的低压电网,为了防止电气设备金属外壳漏电引起人身触电,也可以采用保护接中线代替保护接地,即将电气设备上所有不带电的金属部分全部和接地中性线相连接,如图2-7所示。

图2-7 保护接中线原理图

采用保护接中线后,当电气设备发生漏电或金属外壳带电时,因金属外壳和中性线相连,所以构成单相短路,使熔断器迅速熔断,以断开电源,防止人身触电。

注意:在同一低压电网内,不宜同时采用保护接地和保护接中线(保护接零)措施。

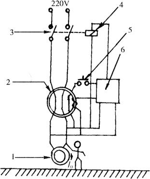
3.漏电保护器 漏电保护器也叫漏电电流动作保护装置,或者叫做剩余电流动作保护装置。它是以剩余电流来动作的低压保护装置,其原理见图2-8。

图2-8 漏电保护器原理图

1.用电器具 2.零序电流互感器 3.自动开关 4.脱扣线圈 5.试验按钮 6.电子电路

正常用电时,自动开关合上,220V电源通过火线和零线与用电器具接通,两根电线中流过的是同一个电流,一进一出,大小相等,方向相反。因此,穿过电流互感器的电流代数和为零,互感器磁路中的合成磁通也为零。磁路上的二次线圈中没有感应电势,脱扣线圈不动作,自动开关保持合闸状态。当人接触带有漏电电压的金属外壳时,漏电保护器的电子电路起动,于是电源与脱扣线圈之间的电路接通,自动开关跳闸。

(二)防止在电气设备上工作引起触电的基本措施

(1)在带电设备附近工作时,为了保证人身安全,必须与带电体保持一定的安全距离,见表2-12。

表2-12 人与带电体之间应保持的安全距离

如果用绝缘操作杆进行工作,则绝缘操作杆必须保持表2-13所示的最小有效绝缘长度。

表2-13 绝缘操作杆的最小有效绝缘长度

(2)在电气设备上工作,必须保证工作许可制度、工作监护制度、工作间断、转移和终结制度。完成程序有停电、验电、装设接地线及悬挂标示牌及装设遮栏等。

随便看

 

离鸟网收录3541549条中英文词条,其功能与新华字典、现代汉语词典、牛津高阶英汉词典等各类中英文词典类似,基本涵盖了全部常用中英文字词句的读音、释义及用法,是语言学习和写作的有利工具。

 

Copyright © 2004-2024 vtrois.com All Rights Reserved
更新时间:2026/4/8 19:33:57