网站首页  词典首页


请输入您要查询的字词:

 

字词 隔离器
类别 中英文字词句释义及详细解析
释义

隔离器


1.适用范围

适用于交流50Hz、额定工作电压至交流380V、直流至220V,约定发热电流至1600A的工业企业的配电设备中作为电源隔离之用。

(1)HD17刀形隔离器约定发热电流至1600A,主要用于企业的配电设备中作为电源隔离之用。带灭弧室的产品在规定的条件下,可用来接通或分断交流电路。

(2)HD18系列空气式隔离器约定发热电流至4000A,作为无载操作和隔离电源之用。

(3)HG1系列熔断式隔离器约定发热电流至63A,具有高短路电流配电回路和电动机回路中作为电源隔离器,并作为电路保护之用。

(4)HG30系列模数化熔断式隔离器约定发热电流至63A,适用于照明和动力线路中作为线路过载和短路保护之用。

(5)HS17转换隔离器约定发热电流至1000A,主要用于企业的配电设备中作为电源隔离之用。带灭弧室的产品在规定的条件下,可用来接通或分断交流电路。

2.常用隔离器产品型号及主要技术参数

常用隔离器产品型号及主要技术参数见表1-18。

表1-18 常用隔离器产品型号及主要技术参数

3.外形及安装尺寸

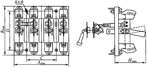
(1)HD17刀型隔离器中央正面杠杆操作机构式外形及安装尺寸见图1-7和表1-19。

图1-7 HD17刀型隔离器中央正面杠杆操作机构式外形及安装尺寸

表1-19 HD17刀型隔离器中央正面杠杆操作机构式外形及安装尺寸/mm

注:*H是刀片打开到-定角度时的尺寸。

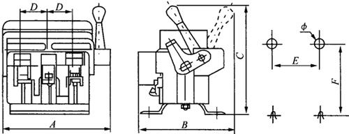
(2)HG1熔断式隔离器外形及安装尺寸见图1-8和表1-20。

图1-8 HG1熔断式隔离器外形及安装尺寸

表1-20 HG1熔断式隔离器外形及安装尺寸/mm

(3)HG30熔断式隔离器外形及安装尺寸见图1-9和表1-21。

图1-9 HG30熔断式隔离器外形及安装尺寸

表1-21 HG30熔断式隔离器外形及安装尺寸/mm

(4)HS17转换隔离器中央正面杠杆操作式的外形及安装尺寸见图1-10及表1-22。

图1-10 HS17中央正面杠杆操作式外形及安装尺寸

表1-22 HS17中央正面杠杆操作式外形及安装尺寸/mm

随便看

 

离鸟网收录3541549条中英文词条,其功能与新华字典、现代汉语词典、牛津高阶英汉词典等各类中英文词典类似,基本涵盖了全部常用中英文字词句的读音、释义及用法,是语言学习和写作的有利工具。

 

Copyright © 2004-2024 vtrois.com All Rights Reserved
更新时间:2026/4/8 19:42:26