网站首页  词典首页


请输入您要查询的字词:

 

字词 隔离开关及开关熔断器组
类别 中英文字词句释义及详细解析
释义

隔离开关及开关熔断器组


1.模数化隔离开关

(1)适用范围:模数化隔离开关适用于交流50Hz,额定工作电压为230V/400V及以下,额定电流至100A的线路中,在负载情况下能接通和断开电路。主要用于工矿企业、高层建筑、商业及家庭等场所。

(2)结构特征:模数化隔离开关外壳采用了高阻燃、高强度的特种塑料,抗冲击能力强、重量轻。具有良好的接触可靠性,适用于导轨安装,并能与其他模数化终端电器配套使用。

(3)主要技术参数:

①额定工作电压:AC230/400V:

②额定工作电流:16~125A:

③极数:1P,2P,3P,4P;

④额定短时耐受电流:12Ie

(4)常用产品型号及生产厂家:INP表示施耐德;5TE表示西门子;HL30表示南通信达;NH2、3、4表示正泰;CDB5表示德力西。

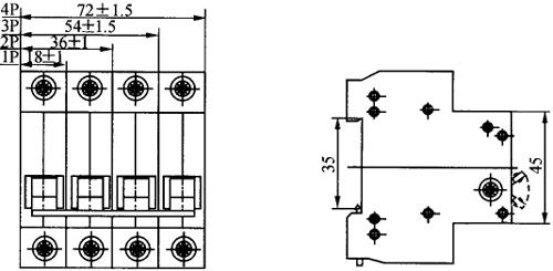
(5)外形及安装尺寸:模数化隔离开关外形及安装尺寸见图1-11。

图1-11 模数化隔离开关外形及安装尺寸

2.隔离开关熔断器组

适用于具有高短路电流、低功率的供配电电路中,作为手动、不频繁操作的主开关,尤其适用于安装在较高级的抽出式低压成套装置中。国产型号为QA、QP和QSA系列的隔离开关是引进丹麦LK-NES公司的技术。

3.主要技术参数

常用隔离器产品型号及主要技术参数见表1-23。

表1-23 常用隔离开关产品型号及主要技术参数

注:①我国各生产企业生产的HH15系列隔离开关熔断器组与QA、QP和QSA系列相似。

②德国西门子公司生产的系列隔离开关熔断器组产品型号分别为3KL、3KA,3KE、3NP和3NJ,型号之间的区别为3KL和3KE带熔断器,3极,63~630A;3KA5不带熔断器;3NP用于表面安装和开关柜安装;3NJ安装在低压配电柜、变电站等。

4.隔离开关熔断器组外形及安装尺寸

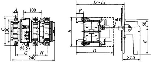
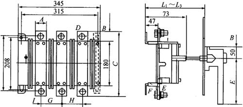
(1)HH15(QSA)系列隔离开关的外形及安装尺寸见图1-12和表1-24。

图1-12a HH15-125型隔离开关熔断组外形及安装尺寸

图1-12b HH15-160、225、400型隔离开关熔断组外形及安装尺寸

图1-12c HH15-630型隔离开关熔断组外形及安装尺寸

表1-24 HH15系列隔离开关熔断器组外形及安装尺寸/mm

注:L为轴的长度,用户可按不同安装深度选择L1或L2或L3或L。

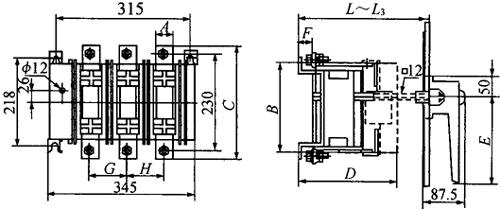
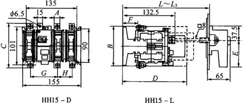
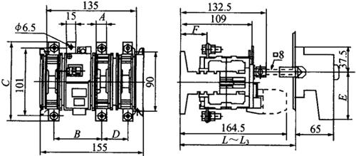
(2)HH15A(QA)系列隔离开关外形及安装尺寸见图1-13和表1-25。

图1-13a HH15A-200型系列隔离开关外形及安装尺寸

图1-13b HH15A-400、630型隔离开关外形及安装尺寸

图1-13c HH15A-1000型隔离开关外形及安装尺寸

表1-25 HH15A(QA)系列隔离开关外形及安装尺寸

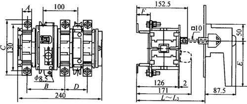
(3)HH15P(QP)系列隔离开关外形及安装尺寸图1-14和表1-26。

图1-14 HH15P-630、1000型隔离开关外形及安装尺寸

表1-26 HH15P系列隔离开关外形及安装尺寸

注:①L为轴的长度,用户可按不同安装深度选择L1或L2或L3或L。

②图1-14已标注的尺寸为HH15P-630~1000型的尺寸,HH15P-1125~3150R的其他尺寸可向制造厂索取。

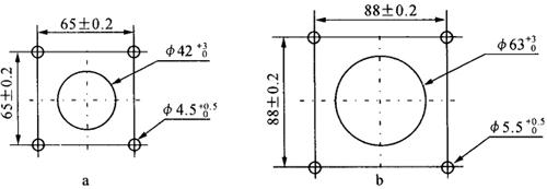
(4)HH15A、HH15P系列隔离开关,HH15系列隔离开关熔断器组面板开孔尺寸见图1-15。

a.HH15A-200型、HH15P-250型、HH15-125型的面板开孔尺寸

b.HH15A-400型及以上、HH15P-630型及以上、HH15-160型及以上的面板开孔尺寸

随便看

 

离鸟网收录3541549条中英文词条,其功能与新华字典、现代汉语词典、牛津高阶英汉词典等各类中英文词典类似,基本涵盖了全部常用中英文字词句的读音、释义及用法,是语言学习和写作的有利工具。

 

Copyright © 2004-2024 vtrois.com All Rights Reserved
更新时间:2026/4/8 16:47:05