网站首页  词典首页


请输入您要查询的字词:

 

字词 隧道窑布置
类别 中英文字词句释义及详细解析
释义

隧道窑布置


(一)一条隧道窑布置(图7-21)

图7-21 太钢80.84m耐火材料隧道窑布置图

1条隧道窑,一般设装卸车道(序号2)、回车道(序号3)各1条,存车和检修车道(序号4)半条以上(其中应能保证容纳3-4个检修车位),若装卸车道在窑的一端,则存车道也需1条。厂房面积:22m(跨度)×120m(长度)=2640m2。厂房桁架下沿高度;5.5m。

(二)二条隧道窑布置(图7-22、图7-23

图7-22 西安高压电瓷厂116m煤气烧电瓷隧道窑布置图

图7-23 咸阳陶瓷厂87m卫生瓷隧道窑布置图

2条隧道窑的烧成车间,装卸车道(序号2)应设1条以上,回车道(序号3)1条,存车和检修车道1条以上:若两条窑所烧产品不同,窑车不能通用(有棚板)时,应另考虑增加回车道为2条。

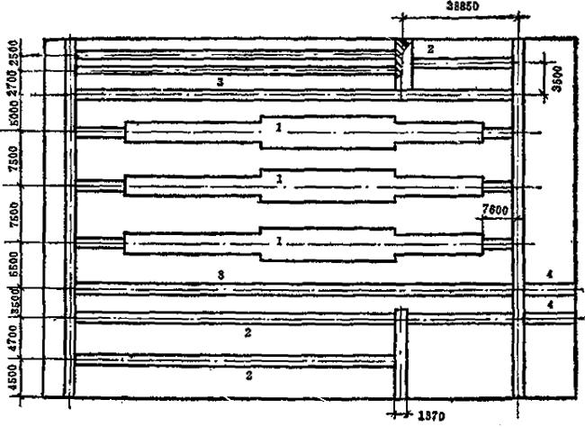
(三)三条隧道窑布置(图7-24)

图7-24 景瓷97m隧道窑(日用瓷)布置图

图中 厂房面积——45m(多跨)×138m(长度)=6210m2:其中窑炉占地5400m2,堆放匣钵占地45m×12m=540m2,办公室、控制室、检修窑车占地45m×6m=270m2窑车数量——窑车总数300辆;其中窑内48辆×3=144辆,窑外156辆。

随便看

 

离鸟网收录3541549条中英文词条,其功能与新华字典、现代汉语词典、牛津高阶英汉词典等各类中英文词典类似,基本涵盖了全部常用中英文字词句的读音、释义及用法,是语言学习和写作的有利工具。

 

Copyright © 2004-2024 vtrois.com All Rights Reserved
更新时间:2026/4/9 4:33:51