网站首页  词典首页


请输入您要查询的字词:

 

字词 面粉的检验
类别 中英文字词句释义及详细解析
释义

面粉的检验


(一)感官指标检验

将面粉在黑纸上撒成一薄层,然后与标准样品做比较,注意观察有无色变、发霉、出虫、结块及杂质等。

测定气味时,取少量样品于手掌上,哈气致热,应没有霉臭味、酸味、煤油味、苦味及其他异味。

测定滋味时,应将样品加水煮沸后尝试之。面粉可口,淡而微甜、无酸味、发苦、发甜以及其他滋味,咀嚼时没有沙声。

(二)理化检验

水分、灰分、淀粉、黄曲霉毒素B1、铅、砷的检验参阅第二章第一、二节有关内容操作。

1.酸度的测定

称取混合均匀研磨之后的样品5g,置于150mL烧杯中,加水50mL使成糊状,加酚酞3滴,以0.1mol/L氢氧化钠标准溶液滴定至初显红色,在0.5min内不退色为终点。

计算 酸度(°T)=V×20

式中 V——消耗氢氧化钠标准液的体积数。

说明:面粉和淀粉的酸度以“°T”表示,即中和100g粉(以干基计)的酸所需0.1mol/L氢氧化钠标准液的毫升数。

2.粉类粗细度测定(GB/T 5507-1985)

本标准为粮食、油料类检验。适用于商品粮食粉状(如面粉)粗细程度的测定。

粉类精细度是指按规定的筛层、规定的操作方法进行筛理,留存在规定筛层上的筛上物占试样质量的百分率。

在小麦粉中,由于麸皮在加工中难以磨碎,故对高级粉的细度要求高,而低级粉的细度要求低;也就是说前者麸皮含量小而后者麸皮混入较多。因此,粉类精细度是评价面粉品质的一项重要指标。粉类粗细度测定方法按照GB/T 5507-1985《粮食油料检验粉类粗细度测定法》执行。

(1)仪器和用具:

①电动粉筛:正方形,内径23.3cm,高4.8cm转速200r/min。

②天平:感量0.1g。

③橡皮球:直径5mm。

④表面皿。

⑤取样铲、毛笔、毛刷等。

(2)操作方法:按质量标准中规定的筛层;每层筛内放5个橡皮球,从平均样品中称取试样50g(m),放入上筛层中,然后按大孔筛在上,小孔筛在下,最下层是筛底,最上是筛盖,顺序安装,关紧,开动电动机,连续筛动10min,取出将各层筛倾斜,转拍筛框并用毛笔把筛上粉集中到一角,倒出称量(m1,小于0.1g时不计量)。

(3)结果计算:粉类粮食粗细度的测定结果以留存在规定筛层上的粉类数量占试样百分率表示。按下列公式计算:

式中 m1——筛上留存粉质量(g);

m——试样质量(g)。

双试验结果允许差不超过0.5%,求其平均数,即为测定结果。测定结果取小数点后第一位。

(4)新型号筛绢和旧型号筛绢规格对照:新、旧型号筛绢规格对照见表4-2-10。

表4-2-10 新旧型号筛绢规格对照表

3.粉类含沙量测定(GB/T 5508-1985)

本标准为粮食、油料类检验。适用于商品粮食粉状(如面粉)含沙量的测定。

粉类中含有细沙的百分率称为含沙量。

粉状粮食中含有细沙是难以清除的,当粉状粮食中含有细沙达到0.03%~0.05%时,制品食之就会产生牙碜感觉,不仅降低食用品质,而且也危害人体健康。为了保障人民健康,维护消费者的利益,在制粉加工和贮藏过程中严格控制含沙量,力求降低到最低指标。因此,我国粉类的质量标准中对各等级粉的含沙量都做了严格限制,规定各类、各等级粉含沙量都不允许超过0.02%。

含沙量的测定方法有四氯化碳法和灰化法两种(GB/T 5508-1985)。

A法:四氯化碳法

(1)原理:根据沙子和粉类的相对密度不同,将粉类试样放入相对密度介于两者之间的有机试剂——四氯化碳中并搅拌,然后静置,粉类相对密度小于四氯化碳的漂浮在上面,沙子相对密度大于四氯化碳,则沉于底部,倾出漂浮的粉类,将沉淀物进行洗涤、烘干、称重,从而测出粉类含沙量。

(2)仪器和用具:

①细纱分离漏斗(图4-2-15)、漏斗架。

图4-2-15 细沙分离漏斗

②天平:感量0.001g。

③量筒:10mL。

④电炉:500W。

⑤备有变色硅胶的干燥器。

⑥坩埚或铝盒。

⑦试剂瓶:1000mL。

⑧玻璃棒、石棉网等。

(3)试剂:四氯化碳。

(4)操作方法:量取70mL四氯化碳注入细纱分离漏斗内,加入试样10g(m),轻搅拌3次(每5min搅拌一次,玻璃棒要在漏斗的中上部搅拌),静置20~30min,将浮在上面的面粉用角勺取出,再将分离漏斗球形中的四氯化碳和泥沙放入已知质量的坩埚(m0)内,再用四氯化碳冲洗球体和坩埚2次,把坩埚内的四氯化碳倒净,放在有石棉网的电炉上烘干后放入干燥器,冷却称量(m1)。

(5)结果计算:含沙量按下面公式计算:

式中 m1——坩埚和细沙质量(g);

m0——坩埚质量(g);

m——试样质量(g)。

双试验结果允许差不超过0.005%,以最高含量的试验结果为测定结果。测定结果取小数点后第二位。

B法:灰化法

(1)原理:样品经灰化后,用盐酸处理灰分,以除去可溶性部分,然后将不溶解的残余物灼烧并称重,从而测出粉类含沙量。

(2)仪器和用具:

①电热恒温水浴锅。

②无灰滤纸。

③高温电炉。

④分析天平:感量0.001g。

⑤瓷坩埚:18~20mL。

⑥备有变色硅胶的干燥器。

⑦坩埚钳:长柄和短柄。

(3)试剂:

①10%盐酸:取相对密度1.19的盐酸237mL,注入蒸馏水中,再移入1L量瓶中并稀释至1L,充分摇匀。

②3%硝酸银溶液:称取3g硝酸银溶解于蒸馏水中,并加两滴浓硝酸,使其酸化,然后用蒸馏水稀释至100mL的棕色瓶中,充分摇匀。

(4)操作方法:用已知恒重的坩埚称取试样5g(m),按GB/T 5505-1985《粮食、油料检验灰分测定法》规定的方法进行灰化,将坩埚中的灰分溶解于10mL10%盐酸中,放在80℃左右的水浴锅上加热5min,将溶液用无灰滤纸过滤,坩埚中剩余不溶解的渣滓,再用10mL盐酸洗2次,将溶液连同渣滓用原滤纸过滤,再用蒸馏水将坩埚及滤纸充分洗净至滤液中不含氯离子为止(加入3%硝酸银溶液后,不生混浊)。将滤纸及沉淀物烘干后置于已知质量的坩埚(m0)内进行炭化,炭化后用600℃灼烧30min,冷却,称重,复烘20min,直至恒重(m1)。

(5)结果计算:含沙量按下面公式计算:

式中 m1、m0、m同A法中(4)。

双试验结果允许差及小数点位数同A法中(4)。

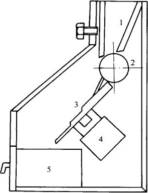
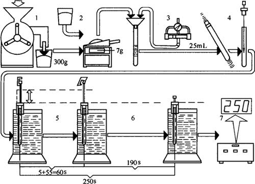
4.粉类磁性金属物测定(GB/T 5509-1985)

本标准为粮食、油料类检验。适用于商品粮食粉状(如面粉)磁性金属物的测定。

制粉原料中没有完全除尽的金属杂质经过机器磨制后,常碾成大小不一的颗粒状或刺针状,混存于粉状粮中。金属杂质的危害性很大,当它进入消化器官时,可能刺破食道、胃壁或肠壁,损害人体健康。所以粉类粮食磁性金属杂质的测定有重要意义。我国小麦粉、玉米粉国家标准中规定每千克粉中磁性金属物含量不得超过0.003g。

粉类磁性金属物测定方法有磁性金属物测定器法和磁铁吸引法两种(GB/T 5509-1985)。

(1)仪器和用具:

①磁性金属物测定器(电磁铁)(图4-2-16)。

图4-2-16 磁性金属物测定器

1-流量控制板 2-分流辊 3-阶梯式木板 4-电磁铁 5-抽斗

②磁铁:吸力不少于12kg,马蹄形。

③天平:感量0.0001g、0.1g。

④坩埚或铝盒、表面皿、毛刷等。

(2)操作方法:

①磁性金属物测定器法:从平均样品中称试样1kg,倒入测定器上部的容器内,接通电源,将电磁铁通电,开动电动机,调节流量控制板,使试样经淌板流到盛样箱内。试样流完后,切断电源,断磁,刷下磁性金属物放在表面皿中。再将试样按上法进行3次,将各次磁性金属物全并于已知质量的坩埚(m0)中,用四氯化碳漂洗数次,直至粉粒除净,然后烘干、冷却、称重(m1)。

②磁铁吸引法:从平均样品中称试样1kg,倒在玻璃板或光滑的平面台上,摊成长方形,厚度约0.5cm,用马蹄形磁铁将两极插入试样中,磁铁前端可略提高,后端与玻璃板接触,先从上向下慢慢顺序移动,然后再从左向右移动。当磁铁通过全部试样后,用毛刷轻轻刷去附在磁铁上的非磁性物,将金属物刷入已知质量的坩埚(m0)中。再将试样混合后,按上述方法进行3次,把吸出的磁性金属物一并称重(m1)。

(3)结果计算:磁性金属物含量按下列公式计算:

磁性金属物(mg/kg)=(m1-m0)×1000

式中 m0——坩埚质量(g);

m1——磁性金属物和坩埚质量(g)。

双试验以最高含量为测定结果。

注:磁铁用后,必须用厚约1cm的铁片盖在两极上,以保持磁性。

5.脂肪酸值测定

本标准适用于商品粮食中脂肪酸值含量的测定。

(1)仪器和用具:

①量筒。

②移液管。

③微量滴定管。

④表面皿。

⑤天平:感量0.01g。

⑥电动振荡器。

⑦漏斗等。

⑧带塞锥形瓶:150mL。

(2)试剂:

①氢氧化钾(或氢氧化钠)乙醇(95%)溶液(0.01mol/L):先配制0.5mol/L的氢氧化钾水溶液,再取20mL,用95%乙醇稀释至500mL。

②苯、95%乙醇。

③0.04%酚酞乙醇溶液(0.2g酚酞溶于500mL95%乙醇溶液中)。

(3)操作方法:

①试样制备:从平均样品中分取样品约80g,粉碎使90%以上试样通过40目筛。粉碎后试样如在20℃以上室温放置,脂肪酸值会很快增加,因此,必须及时进行测定。

②浸出:称取试样20g±0.01g(脂肪酸值高于60mg KOH/100g时称试样10g)于200mL或250mL锥形瓶中,加入50mL苯,加塞摇动几秒钟后,打开塞子放气,再盖紧瓶塞置振荡器振荡30min(或用手振荡45min),取出,将瓶倾斜静置数分钟,使滤液澄清。

③过滤:用快速滤纸过滤,弃去最初几滴滤液后,用25mL比色管或量筒收集滤液25mL,立即准确调节至刻度。

④滴定:将25mL滤液移入锥形瓶中,再用原比色管或量筒取25mL酚酞乙醇溶液加入锥形瓶中,立即用氢氧化钾乙醇溶液滴定至呈现微红色30s内不消失为止。记下所耗用氢氧化钾乙醇溶液毫升数(V1)。

⑤空白试验:取25mL酚酞乙醇溶液同(3)④用氢氧化钾乙醇溶液滴定,记下耗用氢氧化钾乙醇溶液毫升数(V0)。

(4)结果计算:脂肪酸值以中和100g粮食试样中游离脂肪酸所需氢氧化钾毫克数表示。

脂肪酸值按下面公式计算:

式中 V1——滴定试样用去的氢氧化钾乙醇溶液体积(mL);

V0——滴定25mL酚酞乙醇溶液用氢氧化钾乙醇溶液体积(mL);

50——浸泡试样用苯的体积(mL);

25——用于滴定的滤液体积(mL);

c——氢氧化钾(或氢氧化钠)乙醇溶液的摩尔浓度(mol/L);

56.1——氢氧化钾毫摩尔质量(mg/mmo1);

m——试样质量(g);

m1——试样水分百分率〔%(测定面粉脂肪酸值时按湿基计算,不必减去水分)〕;

100——换算为100g试样质量。

双试验结果允许差,脂肪酸值在51以上的不超过5mg KOH/100g;在50以下的,不超过3mg KOH/100g。求其平均数,即为测定结果,测定结果取小数点后第一位。

注:浸出液色过深,滴定终点不好观察时,改用四折滤纸,在滤纸锥头内放入约0.5g粉末活性炭,慢慢注入浸出液,边脱色边过滤。或改用0.1%麝香草酚酞乙醇溶液指示剂,滴定终点为绿色或蓝绿色。

6.小麦粉加工精度——粉色麸星检验(GB/T 5504-1985)

粉色是指面粉颜色的深浅,麸星是指面粉中所含麸皮的程度。它是小麦粉加工精度的标志,是小麦粉的定等基础项目。

小麦粉的粉色主要取决于麸星的含量,麸星含量少,粉色较白,加工精度高,出粉率低。反之,麸星含量多,则粉色加深,加工精度低,出粉率高。此外,小麦粉的粉色与小麦性质有关。通常软质小麦粉的粉色比硬质小麦粉的粉色稍淡,红皮小麦粉的粉色较白皮小麦粉的粉色深。

小麦粉加工精度检测方法有5种,仲裁时以湿烫法对比粉色、干烫法对比麸星。制订标准样品时除按仲裁法外,也可以用蒸馒头法对比粉色麸星。

(1)试剂:

酵母液:称取5g鲜酵母或2g干酵母,加入100mL温水(35℃左右),搅拌均匀备用。

(2)仪器和用具:

①5cm×30cm搭粉板。

②粉刀。

③感量0.1g天平。

④电炉。

⑤100mL烧杯。

⑥铝制蒸锅、白瓷碗、玻璃棒等。

(3)操作方法:

①干法:用洁净粉刀取少量标准样品置于搭粉板上,用粉刀压平,将右边切齐,再取少量试样置于标准样品右侧压平,将左边切齐,用粉刀将试样慢慢向左移动,使试样与标样相连接。再用粉刀把两个粉样紧紧压平(标样与试样不得互混),打成上厚下薄的坡度(上厚约6mm,下与粉板拉平),切齐各边,刮去标样左上角,对比粉色麸星。

②湿法:将干法检验过的粉样,连同搭粉板缓缓倾斜插入水中,直至不起气泡为止,取出搭粉板,待粉样表面微干时,对比粉色麸星。

③湿烫法:将湿法检验过的粉样,连同搭粉板缓缓倾斜插入加热的沸水中,约经1min取出,用粉刀轻轻刮去粉样表面受烫浮起部分,对比粉色麸星。

④干烫法:先按干法打好粉板,然后连同搭粉板倾斜插入加热的沸水中,约经1min取出,用粉刀轻轻刮去粉样表面受烫浮起部分,对比粉色麸星。

⑤蒸馒头法:标样与试样分别按相同操作做馒头。

第一次发酵:称取试样30g置于瓷碗中,加入15mL酵母液和成面团,并揉至无干面、光滑后为止,瓷碗上盖一块湿布,放在38℃左右的保温箱内发酵至面团内部略呈蜂窝状即可(约30min)。

第二次发酵:将已发酵的面团用少许干面糅合至软硬适度后,做成馒头形放入瓷碗中。用干布盖上,置38℃左右的保温箱内饧发约20min,取出放入沸水蒸锅内蒸15min,取出,对比粉色麸星。

在测定粉色麸星时应注意下列几点:

a.应注意粉色麸星两者的关系,即粉中麸星含量多,粉色必然深,但反过来,粉色深的,麸星含量不一定多。

b.注意粉刀、粉板洁净。

c.打粉样时,粉刀压紧用力要均匀,应压紧。

d.观察时光线要均匀一致,在散射光下观察比较。

(三)加工性能的测定

不同的面制品对小麦粉有着不同的要求,只有了解了小麦粉的理化特性及其在食品加工过程中的表现,才能较好地发挥小麦粉的特性,加工出优质的焙烤制品。评价小麦粉食用品质最准确的方法是直接进行面包烘焙、蒸制馒头、制成面条及糕点试验,但是目前尚无统一的标准方法,且这些试验过程复杂,试样要求控制的条件严格,需要一定的仪器设备和耗费大量的时间和试样。因此,在评价小麦粉食用品质时,有必要对与小麦粉食用品质密切相关的理化性状测定及面团特性试验,客观地反映小麦粉的品质,定量地评价小麦粉的品质和用途。

虽然各种食品对小麦粉的食用工艺品质、面团特性、理化性状的要求不同,但它们都与小麦粉中的面筋含量和品质、蛋白质含量、淀粉性质和淀粉酶活性的差异有关,其中面筋的含量和品质是小麦粉食用品质的决定因素。小麦粉的另一个重要特性就是其发酵强度,它取决于小麦粉中一些简单糖类的含量以及α-淀粉酶的活性,这对于获得内部结构细腻、均匀、不黏不干、香甜适口、皮色好看的面包是不可少的。

目前可以定量地评价小麦粉用途的试验仪器,国际公认的有考察面团性质的粉质测定仪和面团拉伸仪,以及主要考察小麦α-淀粉酶活性的黏度降落值测定仪,利用这些仪器测试时所绘制的图谱和数值,将小麦粉分为强力粉、弱力粉和中力粉,从而确定小麦粉的适当用途。

1.小麦粉干面筋测定法(GB/T 14607-1993)

(1)方法原理及适用范围:干燥并称量在本节一 (三)2中规定的条件下获得的湿面筋,本法适用各种小麦粉、全麦粉的干面筋含量及面筋吸水量的测定。

(2)操作步骤:

①湿面筋制备:湿面筋是用本节一 (三)2中规定方法获得的,称量精确至0.01g。

②烘干、称量:滤纸法:将湿面筋放在已烘干称量(准确至0.01g)的滤纸上,并摊成薄片状,然后放入130℃电烘箱内30min,取出置干燥器内冷却至室温,称量干面筋和纸的总量,精确至0.01g,总量减去纸的质量即为干面筋质量。

烘干炉法:烘干炉(面筋烘干专用设备内装有两块涂有聚四氟乙烯层的夹板,可控温150℃±2℃)预热10min后,将湿面筋球放在烘干炉的夹板中,盖紧,烘干4min,取出置干燥器冷却至室温,称量,准确至0.01g。

③结果计算:干面筋含量以每百克含水量为14%的小麦粉含有干面筋的克数表示,%(质量分数),见下面公式:

式中 m——面筋质量(g);

m1——每百克试样含水分克数(g);

86——换算为14%基准水分试样的系数;

10——试样质量(g)。

面筋吸水量以每百克面筋含有水分的克数表示,%(质量分数),见下式。

式中 m湿——湿面筋质量(g);

m——干面筋质量(g)。

(3)重复性:用同一试验样品进行两次测定,干面筋两次测定结果差不超过0.5%,以平均值作为测定结果,取小数点后一位数。

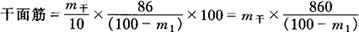
2.小麦粉湿面筋测定法(GB/T 14608-1993)

(1)方法原理及适用范围:湿面筋是用本标准规定的方法自小麦粉中获得的一种主要由麦胶蛋白质和麦谷蛋白质组成的具有弹塑性的胶状水合物。

小麦粉样品用氯化钠缓冲溶液制成面团,再用氯化钠缓冲溶液洗涤并分离出面团中淀粉、糖、纤维素及可溶性蛋白质等,再除去多余的洗涤液,剩余胶状物质即为湿面筋。

适用于各种小麦粉的湿面筋含量的测定,也适用于全麦粉湿面筋含量的测定。

(2)试剂:

①氯化钠缓冲溶液 20g/L:200g氯化钠溶于水中,加7.54g磷酸二氢钾(KH2PO4)和2.46g磷酸氢二钠(Na2HPO4·2H2O),用水稀释至10L,pH5.9~6.2。

②碘液 0.1g碘和1.0g碘化钾,用水溶解后再加水至250mL。

(3)仪器:

①洗面筋仪(用于机械洗法):主要由洗涤皿、筛网、搅拌器、搅拌轴、电机及控制系统、冲洗装置、定时控制装置等部分组成(图4-2-17)。

图4-2-17 洗面筋仪主要构造图

搅拌器转速 120r/min 洗涤小麦粉量 10g 洗涤液流量 50~54mL/min 筛网 CB33(33孔/cm)

②塑料杯或玻璃杯(用于机械洗法接洗涤液):500~600mL。

③离心排水机:带对称筛板,转速3000r/min,转2min自停或转速6000r/min,转1min自停。

④天平:感量0.01g。

⑤带下口的玻璃瓶(盛氯化钠缓冲溶液用):5L。

⑥滴定管:10~25mL分刻度0.05mL。

⑦搪瓷碗:Φ10~15cm。

⑧玻璃棒或牛角匙。

⑨挤压板(面筋排水用):9cm×16cm,厚3~5mm,周围贴0.3~0.4mm胶布(纸),共2块。

⑩带筛绢的筛具(用于手洗法)经30cm×40cm,底部绷紧CQ 20筛绢,筛框用木制或金属制均可。

⑾毛玻璃盘:约40cm×40cm。

⑿秒表。

⒀金属镊子。

(4)样品制备及水分测定:

①商品小麦粉:从平均样品分取约100g,备用。

②全麦粉:分取小麦试样100g,用粉碎机粉碎使通过CQ 16筛的样品占95%以上。

③水分测定:按GB/T 5497-1985测定。

(5)操作步骤:

①洗面筋仪洗涤法:

仪器准备及调整:调整制备面团的混合时间为20s,洗涤时间为5min。将洗涤器清洗干净。垫上筛网,用少许氯化钠缓冲液润湿筛网。放好接液杯。

称样及制备面团:称取10.00g±0.01g小麦粉样品于洗涤皿,加入氯化钠缓冲溶液4.6~5.2mL,将洗涤皿放置仪器固定位置上,启动仪器,搅拌20s和成面团后自动进行洗涤。

测定全麦粉湿面筋或面筋质量差的小麦粉(指按上述操作和面难以成团而形成碎块的小麦粉):称样10.00g±0.01g于小搪瓷碗中,加入约4.5mL氯化钠溶液,用牛角匙或玻璃棒和成面团球,将面团球置毛玻璃板[(3)⑾]上,用手将面团滚成7~8cm长条,再叠拢,再滚成长条,重复5次,然后将面团揉成球状放入洗涤皿,启动仪器进行洗涤。

仪器自动按50~54mL/min的流量用氯化钠缓冲溶液洗涤5min,自动停机,卸下洗涤皿,取出面筋。需用溶液250~280mL。

将上述洗出的面筋,再用手在自来水水流下洗涤2min以上。洗涤全麦粉面筋需适当延长。洗涤后用碘液检查湿面筋的挤出水呈微蓝色时,洗涤即可结束。

②手工洗面筋法:称取小麦粉样品10.00g±0.01g,于小搪瓷碗中,加入4.6~5.2mL氯化钠缓冲溶液,同(5)①法制备面团。

洗涤:将面团放在手心中,从盛有氯化钠缓冲液的容器(3)⑤中,放出氯化钠溶液滴入面团,以每分钟约50mL流量,洗涤8min,洗涤过程不断用另一只手的手指压挤面团,反复压平、卷叠滚团。洗涤时为防止面团及碎面筋损失,操作应在绷有筛绢的筛具上进行,用氯化钠缓冲液洗涤后,再用自来水揉洗2min以上(测定全麦粉面筋须适当延长时间),至面筋挤出液用碘液检查呈微蓝色时,洗涤即可结束。

③排水:

离心排水:将洗出的面筋球分成两半,分别置离心机的两个筛片上,离心脱去表面附着水。

挤压板排水:如没有离心机,可用挤压板排水,将洗出的面筋球放在挤压板上,压上另一块挤压板压挤面筋(约5s),每压一次后取下一块挤压板用干纱布擦干,再压挤,再擦干,重复压挤15次。

④湿面筋称量:用镊子取出离心排水或挤压排水后的湿面筋,称量湿面筋质量,精确至0.01g。

⑤结果计算:以含水量为14%的小麦粉含有湿面筋的百分数表示,%(质量分数)。

计算公式如下:

式中 m——湿面筋质量(g);

m1——每百克小麦粉含水分克数(g);

86——换算为14%基准水分试样的系数;

10——试样质量(g)。

(6)重复性:用同一试样进行两次测定。两次测定结果之差不应超过1.0%。平均值即为测定结果,取小数点后一位数。

3.干湿面筋含量与蛋白含量的关系

小麦及小麦粉中蛋白质含量与干、湿面筋含量之间存在明显的相关性。周卫等人(1985)报道:对我国1982~1984年11省、区、市商品小麦品质测报,结果表明蛋白质含量与干、湿面筋含量之间存在明显的相关性。蛋白质与干面筋的相关系数r=0.844~0.934,蛋白质与湿面筋的相关系数r=0.754~0.918,n=2523。瑞典种子联合会测试,蛋白质与湿面筋相关系数r=0.983,n=40。

根据面筋含量可以定量地计算出小麦蛋白质含量,其公式如下:

蛋白质=1.31×干面筋%+2.26(%)

蛋白质=0.407×湿面筋%+3.45(%)

由于测定面筋含量操作简便、快速,尤其对于暂时缺乏分析化验条件的基层单位,通过测定面筋含量换算出蛋白质含量具有实际意义。

4.小麦粉面包烘焙品质试验法——直接发酵法(GB/T 14611-1993)

(1)方法提要及适用范围:本实验以200g或300g面粉为基础,可供制作2个或3个含100g面粉的面包。

将各种面团配料一次混合制成面团,面团发酵90min后分割成形,经过45min饧发,入炉烘焙。面包出炉后测定体积,称量质量,对面包外部与内部特征指标进行感官鉴定,做出面包烘焙品质评分。

本法适用于评价小麦粉和其他面团配料对面包体积和面包内部结构的影响。

(2)配方与材料:

①配方:以300g试验面粉为例,见表4-2-11。

表4-2-11 实验面团配方表

注:①加水量应根据试验面团的软硬程度进行调整,也可以参照粉质吸水率做适当的增减,原则为使面团尽可能柔软而又不粘手影响操作。

②麦芽粉添加量视试验面粉降落数值而定,一般应将试验面粉降落数值调整到225~300s范围内。

②面粉:小麦粉,称量时校正到14%湿基。

③即发干酵母:在有效期内使用,要求发酵力大于800mL(参照QB 596《酵母及其检验方法》中干酵母检验方法测定),希望开封后立即分装在密闭的小瓶中,冷藏保存,3个月内用完(推荐使用法国产金燕牌即发干酵母)。

④盐:氯化钠(NaC1),化学纯,GB 1266-1986。

⑤糖:市售优级白砂糖,GB 317-1998。

⑥脱脂乳粉:脱脂淡乳粉,GB 5411-1999。

⑦起酥油:市售一级食用猪油,GB/T 8937-1988:或食用氢化植物油。

⑧水:蒸馏水或去离子水。

⑨麦芽粉:实验室制备的发芽的小麦或大麦低温干燥后制成的精粉,冷藏保存,一般可使用3个月。

⑩溴酸钾:KBrO3,分析纯,GB 650-1993。

(3)仪器与设备:

①电动和面机:每次和面量为200~300g面粉,可用具有低、中、高三档速度带勾形和面头的小型立式和面机或针形立式和面机。

②发酵箱:温度保持在30℃±1℃,相对湿度保持在85%。

③压面机:辊径9.5cm,辊宽15cm,转速70r/min,轧距在0.4~0.8cm范围内可调;也可用具有类似功能的其他类型压面机。

④面包听马口铁或铝合金材料,上口内径13.0cm×7.3cm,底部内径11.5cm×5.7cm,听深5.8cm。

⑤烤炉:电热式或煤气加热式带有水平烘焙面的转动式烤炉,或者其他类型温度分布比较均匀的烤炉。要求在正常烘焙温度下(210~230℃)控温精度在±8℃范围内。

⑥发酵体:容量为1~2L的有盖容器。

⑦温度计:量程为0~50℃,刻度单位为0.1℃,量程为0~100℃,刻度单位为1.0℃。

⑧面包体积测定仪:菜籽置换型,测量范围400~1050mL刻度单位为5mL。

⑨天平:感量分别为0.1g和0.001g。

⑩其他:秒表、剪刀、刮板、移液管、量筒、烧杯等。

(4)操作步骤:

溶液配制:

①盐-糖溶液:分别称取1090.0g糖和272.7g盐,放在2L的烧杯中,加蒸馏水并不断搅拌使糖、盐全部溶解,最后稀释到2L。100g面粉中添加11.0mL此溶液,相当于加入1.5g盐、6.0g糖和6.7mL水。此溶液在室温下可保存数周,只要无混浊沉淀出现仍可使用。

溴酸钾溶液:在1L蒸馏水中溶解40.0g溴酸钾(KBrO3)作为备用液,然后取20mL备用液稀释到2L。100g面粉中加入稀释液5mL,相当于添加20mg/kg溴酸钾和5mL水。

②称样:按照上表的配料比例,准确称取面粉、即发干酵母、麦芽粉、脱脂乳粉,放在发酵钵中拌匀,然后称取起酥油放在混匀的干物料表面,将发酵钵盖好备用。

③和面:用移液管吸取盐-盐溶液和溴酸钾溶液,放入和面缸中,用量筒加入剩余部分水,再加入面粉等干物料;开动和面机,先用低速和面约20s,然后用高速和面,使面团达到面筋充分扩展状态。此时,面团表面光洁,无断裂痕迹,手感柔和,一般可拉成均匀的薄膜。和好的面团,温度应为30℃±1℃。面团温度主要通过调整和面的水温和室内温度来调整和控制。

④发酵与揉压:将调制好的面团从和面缸中取出,用手捏圆面团,使其光面向上放在稍涂有油的发酵钵中,送入发酵箱发酵90min。发酵箱温度为30℃±1℃,相对湿度85%,发酵时间从面团和面开始时刻计起。

当面团发酵进行到55min和80min时,分别进行2次揉压;揉压步骤为:从发酵箱中取出面团,将面团轻轻地揉光滑并拉长,调整压面机轧距为0.6cm将面团压成长片,再将长片折成三层或对折2次折缝向下放入发酵钵,重新送回发酵箱。

⑤分割:当面团发酵到90min将面团从发酵钵中取出,用剪刀将面团分成2等份(对于200g面粉)或3等份(对于300g面粉),并用天平进行校正。

⑥成形:将面团轻轻揉光并适当拉长,用压面机将面团压2次,压成长片,第一次轧距为0.7cm,第二次轧距为0.5cm,用手将面片从小端开始卷起,卷片时应尽量压实以排出气体,然后将面团轻轻滚压数次,使其与面包听的大小相一致,将面团接缝向下,放在稍涂有油的面包听之中。

⑦饧发:面团成形装听后,送入发酵箱进行饧发,发酵箱温度为30℃±1℃,相对湿度为85%~90%,饧发时间为45min。

⑧烘焙:面团饧发到45min,立即入炉烘焙,烘焙温度一般为210~230℃,烘焙时间一般为15~25min。面包入炉前,先在炉内放一小盆清水,以调节炉内湿度。

(5)结果与评价:

①面包体积、质量与比体积:面包出炉后,在10min内测定面包体积,称量重量,分别以mL和g表示,面包体积和质量值,取双试验样品的平均值。面包比体积为面包体积与面包质量之比,由下式计算:

式中 v——面包比体积(mL/g);

——双试验样品面包体积平均值(mL);

m——双试验样品面包质量平均值(g)。

②面包外部与内部特征评价:面包在室温下冷却1h后,装入塑料袋,18h以后对面包外部与内部特征进行感官鉴定,主要包括以下内容:表皮色泽、表皮质地与面包形状、面包心色泽、面包心平滑度、面包心弹柔性、面包心结构和口感。

③面包烘焙品质评分:推荐采用中国农业科学院《面包烘焙品质评分标准》。

(6)允许差:以面包体积值的平均偏差作为面包烘焙试验允许差的评价指标。对于含100g面粉的面包,双试验面包体积值的平均偏差(δ)应小于或等于15mL,由下式计算:

式中 δ——面包体积值平均偏差(mL);

Vi——面包体积测定值(mL);

V——双试验样品面包体积平均值(mL);

n——双试验面包样品数。

举例:第一次试验面包体积值为860、880mL,第二次试验面包体积值为855、890mL,则双试验面包体积平均值按下式计算:

双试验面包体积平均偏差按下式计算:

5.中国农科院《面包烘焙品质评分标准》(表4-2-12)

表4-2-12 面包体积的评分标准(适用于含100g面粉的听成包)

(1)面包体积(35分)。

(2)表皮色泽(5分)。

a.棕黄、金黄、红棕、浅棕色: 5分

若有斑点、无光泽、不均匀扣0.5分。

b.棕黄、棕色、棕褐色: 4分

若有斑点、无光泽、不均匀扣0.5分。

c.棕灰、褐灰。 3分

d.灰白或焦黑色。 2分

e.灰白或焦黑色并呈塌陷状。 1分

(3)表皮质地与面包形状(5分)。

a.冠大,颈极明显,无裂纹,平滑无斑: 5分

不平滑,厚而硬,有裂纹扣0.5分。

b.冠中等,颈短,表皮光洁平滑无斑点。 4分

c.冠小,颈极短,表皮光洁平滑无斑点: 3分

表皮不光洁,不平滑扣0.5分。

d.冠不显示,无颈。 2分

e.无冠,无颈,塌陷。 1分

(4)包心色泽(5分)。

a.洁白、乳白并有丝样光泽: 5分

无丝样光泽扣除0.5分。

b.黄白、稍白。 4分

c.灰白、灰黄。 3分

d.灰、灰黄并发暗。 2分

e.黑、暗灰。 1分

(5)平滑度(10分)。

a.平滑、细腻、轻柔感。 10分

b.平滑,不太细腻,稍粗糙。 8分

c.不太平滑,不细腻,较粗糙。 6分

d.不平滑,不细腻,粗糙。 4分

e.很不平滑,很不细腻,很粗糙。 2分

(6)纹理结构(25分)。

a.面包气孔细密、均匀并呈长形,孔壁薄,无明显孔洞和坚实部分,呈海绵状。 25分

b.面包气孔细密、均匀并呈长形,孔壁稍厚,有小量孔洞或坚实部分。 24分

c.气孔大或小或间而有之呈长形,较均匀,孔壁较厚,有小量孔洞或坚实部分。 23分

d.气孔过小或偏大呈圆形,均匀或基本均匀,孔壁较厚,大孔洞稍多,坚实部分不多。 21分

e.气孔大,不均匀呈圆形,孔壁厚,大孔洞和坚实部分较多。 19分

f.气孔大,不均匀呈圆形,孔壁厚,大孔洞多,有小片坚实部分。 17分

g.气孔过大或过小,极不均匀,孔壁很厚,大孔洞多,坚实部分连成大片。 13分

h.气孔大大小小,极不均匀,大孔洞很多,坚实部分连成大片。 9分

(7)弹柔性(10分)。

a.柔软而富有弹性,按下复原很快。 10分

b.柔软,弹性较强,按下复原较快。 8分

c.较柔软,弹性稍弱,按下能复原。 6分

d.较柔软,弹性较小,按下复原慢。 4分

e.不柔软,弹性差,按下不复原或难复原。 2分

(8)口感(5分)。

a.有面包焦香味,有甜咸味,淡酵母味,味纯正,无霉臭味: 5分口感粗糙,不细腻扣0.5分。

b.有甜咸味,无香味和异味: 4分易断或掉渣扣0.5分。

c.味不太纯正,有轻度酸味或异味。 3分

d.味不太纯正,有轻度异味易掉渣和断裂。 2分

e.有霉味,极易掉渣。 1分

6.小麦粉面包烘焙品质试验法——中种发酵法(GB/T 14612-1993)

(1)方法提要:本实验以300g面粉为基础,可供制作3个含100g面粉的面包。

先将部分试验面粉和水及全部酵母和酵母养料混合制成中种面团,中种面团发酵4h,然后再与剩余的面粉、水及其他面团配料混合制成主面团,主面团经30min延续发酵后,进行分割、揉圆、中间饧发和成形,再经过65min最后饧发,入炉烘焙。面包出炉后,测定体积,称量质量,对面包外部与内部特征指标进行感官鉴定,做出面包烘焙品质评分。

本法适用于评价面包专用粉的烘焙品质,也适用于评价小麦粉和其他面团配料对面包体积和面包内部结构的影响。

(2)配方与材料:

①配方:以300g试验面粉为例,中种面团配方见表4-2-13,主面团配方见表4-2-14。

表4-2-13 中种面团配方

表4-2-14 主面团配方

注:中种面团和主面团的总加水量应根据试验面团的软硬程度进行调整,也可以参照粉质仪吸水率作适当的增减,应使主面团达到尽可能柔软而又不粘手影响操作。总加水量应按面粉基数均匀分配到中种面团和主面团之中:

例如总加水量为66.5%,则:

中种部分加水量为66.5%×180=119.7mL;

主面部分加水量为66.5%×120=79.8mL。

②面粉:面包用小麦粉,称量时校正到14%湿基(一般情况下不必添加麦芽粉)。

③即发干酵母:市售商品,在有效期内使用,要求发酵力大于800mL(参照QB 596《酵母及其检验方法》中干酵母检验方法测定),希望开封后立即分装在密闭的小瓶中冷藏保存,3个月内用完(推荐使用法国产金燕牌即发干酵母)。

④盐:氯化钠(NaCl),化学纯,GB 1266-1986。

⑤糖:市售优级白砂糖,GB 317-1998。

⑥起酥油:市售一级食用猪油,GB 8937-1988;或食用氢化植物油。

⑦水:蒸馏水或去离子水。

⑧酵母养料:配方如下:氯化铵(NH4Cl)9.4%,溴酸钾(KBrO3)0.3%,硫酸钙(CaSO4)30.0%,氯化钠(NaCl)35.0%,淀粉25.3%(所用试剂均为化学纯)。

(3)仪器与设备:

①电动和面机:每次和面量为200~300g面粉。可用具有低、中、高三档速度带勾形和面头的小型方式和面机或针形立式和面机。

②发酵箱:温度保持在30℃±1℃,相对湿度保持在85%。

③饧发箱:温度保持在35.5℃±1℃,相对湿度保持在85%~90%。

④压面机:辊径9.5cm,辊宽15cm,转速70r/min,轧距在0.4~0.8cm范围内可调;也可用具有类似功能的其他类型压面机。

⑤面包听:马口铁或铝合金材料,上口内径13.0cm×7.3cm,底部内径11.5cm×5.7cm,听深5.8cm。

⑥烤炉:电热式或煤气加热式带有水平烘焙面的转动式烤炉,或者其他类型温度分布比较均匀的烤炉。要求在正常烘焙温度下(210~230℃)控温精度在±8℃范围内。

⑦发酵钵:容量为1.5~2L的有盖容器。

⑧温度计:量程为0~50℃,刻度单位为0.1℃;量程为0~100℃,刻度单位为1.0℃。

⑨面包体积测定仪:菜籽置换型,测量范围400~1050mL,刻度单位为5mL。

⑩天平:感量分别为0.1g和0.001g。

⑾其他:秒表、剪刀、刮板、移液管、量筒、烧杯、锥形瓶、恒温水浴锅等。

(4)操作步骤:

①称样:按照表4-2-13和表4-2-14的配料比例,分别称取中种面团和主面团配料。

②活化酵母:将称取的即发干酵母倒入100mL锥形瓶中,加30mL预热到40℃的水,摇匀后放入40℃水浴中保温20min。

③和中种面团:将酵母养料与面粉拌和均匀倒入和面缸中,加入活化的酵母液,用量筒加入其余的水,开动和面机用低速或中速将面团和至均匀,和好的中种面团温度应为26.5℃±0.5℃;面团温度主要通过调整和面的水温和室内温度来调整和控制。

④中种面团发酵:将和好的中种面团从和面缸中取出,用手捏圆使其光面向上放在稍涂有油的发酵钵中,送入发酵箱发酵4h。发酵箱温度为30℃±1℃,相对湿度85%,发酵时间从面团和面开始时刻起计。

⑤和主面团:将预先称取的盐、糖倒入和面缸,先加一定量水并搅拌使盐、糖溶化,然后从发酵箱里取出发酵4h的中种面团放入和面缸,再加入主面团部分的面粉、起酥油及剩余的水,开动和面机,先用低速和面约20s,然后用高速将面团和至面筋充分扩展。此时,面团表面光洁、手感柔和,一般可拉成均匀的薄膜。和好的主面团温度为27.5℃±0.5℃。

⑥主面团延续发酵:将和好的主面团从和面缸中取出,用手捏圆,光面向上放在稍涂有油的发酵钵内,送入发酵箱延续发酵30min,发酵箱条件同(4)④条。

⑦分割与揉圆:主面团延续发酵完成后从发酵钵取出,用剪刀将其分成3等份,并用天平进行校正,然后用手将面团揉成圆形。

⑧中间饧发:面团揉圆后,在其表面覆盖一层湿纱布,在室温下(20℃以上)饧面12~15min,使面团松弛。

⑨成形:经过中间饧发以后,将面团适当拉长,用压面机将面团压两次压成长片,第一次轧距为0.7cm,第二次为0.5cm;用手将面片从小端开始卷起,卷片时应尽量压实以排出气体,然后将面团轻轻滚压数次,使其与面包听的大小相一致;将面团的接缝向下放在稍涂有油的面包听中。

⑩最后饧发:面团成形装听后,送入饧发箱进行最后饧发,饧发箱温度为35.5℃±1℃,相对湿度为85%~90%,最后饧发时间为65min。

⑾烘焙:面团最后饧发到65min,立即入炉烘焙,烘焙温度一般为210~230℃,烘焙时间一般为15~25min。面团入炉前,先在炉内放一小盆清水调节炉内湿度。

(5)结果与评价:

①面包体积、质量与比体积:面包出炉后,在10min内测定面包体积,称量质量,分别以毫升和克表示。面包体积和质量值,取双试验样品的平均值。面包比体积为面包体积与面包质量之比,按下式计算:

式中 v——面包比体积(mL/g);

——双试验样品面包体积平均值(mL);

m——双试验样品面包质量平均值(g)。

②面包外部与内部特征评价:面包在室温下冷却1h后,装入塑料袋并把口扎紧,18h以后,对面包外部与内部特征进行感官鉴定,主要包括以下内容:表皮色泽、表皮质地与面包形状、面包心色泽、面包心平滑度、面包心弹柔性、面包心结构和口感。

③面包烘焙品质评分:推荐采用中国农科院《面包烘焙品质评分标准》。

(6)允许差:以面包体积值的平均偏差作为面包烘焙试验允许差的评价指标。对于含100g面粉的面包,双试验样品面包体积值的平均偏差(δ)应小于或等于15mL,按下式计算:

式中 δ——面包体积值平均偏差(mL);

Vi——面包体积测定值(mL);

——双试验样品面包体积平均值(mL);

n——双试验面包样品数。

举例:第一次试验面包体积值为800、825、845mL,第二次试验面包体积值为815、830、850mL,则:

双试验面包体积平均值按下式计算:

双试验面包体积平均偏差按下式计算:

δ=|800-828|+|825-828|+|845-828|+|815-828 |+|830-828|+|850-828|=14(mL)

7.自然发酵饼干的小麦粉烘焙品质试验

(AACC方法10-31A)

(1)设备:

①电动搅拌机:具有单头搅拌头,搅拌缸体积2.8L,搅拌头具有低速(145r/min)、中速(257r/min)、高速(457r/min)三种转速。

②碾压板带有布罩。

③两根扁平的规块,厚度0.95cm。

④带有布罩轧辊。

⑤饼干切块机直径约5.1cm。

⑥马口铁烘焙板。

(2)配方见表4-2-15。

表4-2-15 配方表

(3)配料规格与用法:

①校正小麦粉水分到14%湿基,加水量可参照粉质仪的吸水量。

②控制配料温度,使面团为20℃。

③小麦粉227.9g(14%湿基)、碳酸氢钠3.4g、无水磷酸一钙[Ca(H2PO4)2]4.1g以及细颗粒食盐,充分筛选混合。

④起酥油采用氢化植物油,熔点40~45℃,罗维朋色泽最大为2R~15Y。不加硅酮消泡剂,最少稳定50h。

⑤使用含有10%脱脂乳粉的牛乳溶液(将100g脱脂乳粉调入900g水中)。

(4)操作方法:

①将小麦粉过筛2次,放入搅拌缸中,加起酥油,用手将搅拌缸中大块物松开,开动搅拌机,用低档搅拌3min,加入牛乳溶液,用中速搅拌15s。

②在碾压板上轻施面粉,从两扁平的规块之间转出面团,一直滚压到轧辊齐到规格,折叠面团,再依直角方向辗压,折叠。把面团切成8块(直径为5.1cm),测定其中7块质量,放在烘盘上,排列成圆周状,之间留有足够的间隙,使面团彼此之间不至于互相接触。将第八块面团放在烘焙板的中心位置,用剩下的碎块面团做成环形饼干的保护墙,但不要与它接触。

从加牛乳搅拌一直到面团的切块,全部时间不超过2min。

③在246℃的温度下烘焙12min。

④趁热观察并记录第八块饼干(位于中心)的气味和滋味,其他7块全部冷却30min,分别称出饼干的质量,并用菜籽排出法测量它们的体积。

(5)评价:本试验主要用于测定自然发酵小麦粉混合物的特性,包括:滋味、瓤的颜色、结构、化学平衡、自然饧发配料的发酵能力,各种特性的理想打分:

结构 10分 瓤的颜色 20分

柔软 10分 比体积(mL/100g) 40分

风味 10分

饼干的风味打分,根据热、冷饼干的滋味,并可以用沸水处理后的小麦粉气味做补充。

由菜籽排开法测量体积,根据面团质量,换算成比体积,与标准值做比较,按下面公式计算体积计分。

8.蛋糕用粉烘焙品质的测定

(AACC方法10-15)

(1)设备。

①电搅拌机:搅拌机上装有定时控制器。搅拌速度:低速为61r/min,中速109r/min,高速190r/min。搅拌钵体积9.5L,钵壁与打泡器间的最小间距不大于2.0mm。

②装有弹簧的手把(图4-2-18):将搅打头装到手把上,即成为一个混合小麦粉时打散小麦粉块用的工具。

图4-2-18 把手构造

1-橡木栓钉直径918×6in 2-销钉 3-压缩弹簧(7/8×7/8in) 4-木螺钉 5-橡木栓钉(7/16×7/2in)

注:1in=2.54cm

③蛋糕模型盘:铝制,24.5cm见方。

④刮勺:9.8cm,不锈钢。

⑤量具:1/4型不锈钢杯。

⑥蛋糕支架:24.5cm见方,钢性材料。

⑦标尺:15cm和30cm两种。

⑧切刀:电动或薄锯齿状的切刀。

⑨转盘。

⑩烤炉:转动或具有水平烘焙表面的旋转炉。温度精确控制在±3℃以内。

注意:钵、搅打头等必须无脂肪、油或表面活化剂。

(2)配方与配料规格见表4-2-16。

表4-2-16 配方与配料规格表

①市售绵白糖或白砂糖。

②鸡蛋蛋白:喷雾干燥的蛋白粉,再加十二烷基磺酸钠(约0.1%)帮助起泡。

③酸性盐:含一个结晶水的磷酸一钙[Ca(H2PO4)2·H2O],细粉,食品级。

④氯化钠:细粒食用盐或“粉”级。

⑤水:只能用蒸馏水或去离子水,液体的量在本试验中不是一个重要的变量,但在小麦粉水合作用极端不同的情况下应予考虑。

(3)操作方法。

①将烤炉升温(190~375℃),用一盘水做调节。在烘焙第一块试验蛋糕前取出这一调节器。

②配制干蛋蛋白。烘焙前约18h,加所需量的鸡蛋蛋白至盛有水(见表4-2-17)的9.5L搅拌钵中,用搅拌头低速搅打5min,每隔一些时间刮一下,将溶液转移到烧杯,用塑料布盖好,在约2℃下贮藏过夜。蛋白溶液应该冷藏,使之在烘焙时发泡性能改变最小。

表4-2-17 干蛋蛋白的配制

注:表值包含5%的过量以弥补损耗。

③预先对所用的混合钵称量。加入335g经过搅拌的冷蛋液,加入酸性盐、氯化钠和1/2的糖(157g)这三者的过筛混合物,低速搅拌1min,使固体溶解,经常刮一下容器。

④把搅拌器调到高档速度,打泡至密度为0.14~0.13。最佳打泡时间可以改变。间隔一定时间必须检查泡沫的密度,直到溶液达到标准为止。

⑤密度的测定:在灵敏的天平上用称量法校正1/4型杯标准量具,仔细地装满水进行称重。其标准质量应为59g即59mL容量。称量干的杯具,将杯具保持在45°的倾斜度,仔细地用泡沫渐渐充满,用刮勺逐渐添加以避免产生气洞,刮平并刮去杯外的多余泡沫,称重,到0.01g计算密度。

⑥在密度达到0.14~0.13范围或有时高于0.14时,放入过筛的粉和剩余的糖(157g)的混合物于一个已称质量的铲勺中,在低速下,抬起钵,加入混合物,搅拌时间不少于20s,从混面机上取下钵和搅打头,放在低工作台上,将搅打头装到有弹簧的手把上,浸入糊状物中,同时,将钵和搅打头旋转1/4圈,以打散干小麦粉和糖的混合物。摇动搅打头。重复上述操作10次。再摇动搅打头。拆去手把。如果需要,可测糊状物的密度和酸度,但不要延长放在工作台上的时间。

⑦用大号天平称重蛋糕模盘,放在装料台上,用橡皮刮勺移入糊状物,按需要运转模盘使之均匀。用刮勺保持稳定而转动盘子来消除气泡空洞和使顶部表面保持水平。调节糊状物的质量为650g。把装满糊的盘从5cm的高处下落5次,使大气泡浮到上面。

⑧在190℃炉温下烘焙35min。从炉中取出模盘,翻转,冷却。40min后,用钢勺把模子周围刮一下,扣出蛋糕到24.5cm见方的刚性支架上测量。

⑨测量和记录蛋糕塌下后的高度(hD)和冷却3~4h后的高度(hc),作为收缩率。用30cm的直尺和15cm的深度规尺来测量孔的中心部位的高度。把这两只标尺牢固地按十字形交叉,由交叉点位移标尺,进行读数,如此重复4次,每次读数时均使直尺旋转45°,见图4-2-19。

图4-2-19 蛋糕高度的测量

⑩在糕饼直径部位切割,而使引起的变形最小。按需要可由此切割面来评定内部特性。

任选项目评分后,测量最大与最小的外径(D)和内径(d),如图4-2-20所示。

图4-2-20 蛋糕外径、内径的测量

把蛋糕看成为几何图形的体积,局部的收缩和缺陷忽略不计。从平均直径与冷蛋糕的高hC按公式:

例如:hC DB DT dD dt

8.60 22.0 24.2 23.2 10.0 9.4 9.7

9.全麦粉发酵时间试验(GB/T 14613-1993)

全麦粉发酵时间试验是测定小麦中面筋质量的一种简单、快速的方法。全麦粉发酵时间值越大,说明小麦中的面筋质量越好,反之,发酵时间值越小,面筋质量越差。因此,通过测定全麦粉发酵时间值,可了解小麦粉的品质,对焙烤食品生产具有重要意义。

(1)原理:将一定量的全麦粉与酵母液混合制成球形面团,放入30℃的水中,由于酵母的发酵作用,球形面团中二氧化碳气体含量不断增加,体积也随之增大,相对密度降低,浮至水面,继续发酵至球形面团解体破裂。从面团开始发酵至解体所经历的时间即为全麦粉发酵时间值。全麦粉发酵时间值越大,小麦中面筋质量越好。

本法适用于各种小麦。

(2)仪器和设备:

①恒温水浴锅:保温30℃±1℃,装有透明玻璃门。

②恒温箱:保温30℃±1℃,装有透明玻璃门。

③粉碎机:内装有1mm筛子。

④天平:感量0.1g。

⑤烧杯:150mL,50mL。

⑥移液管:5mL。

⑦量筒:100mL。

(3)试剂:

①鲜酵母:活力符合QB 596规定。

②干酵母:活力符合QB 596规定。

③酵母悬浮液:将10g鲜酵母或2g干酵母悬浮于100mL、30℃±1℃的蒸馏水中,置于30℃±1℃的恒温水浴锅中,当时配制使用。

(4)样品制备:取50g小麦样品,除去杂质,用粉碎机粉碎使之全部通过40目筛,清理磨子与筛子,将残留物料与粉碎样品合并,混合均匀,装入密闭的瓶中备用。

(5)测定步骤:称取4.0g样品倒入50mL烧杯中,加入2.25mL酵母悬浮液,用玻璃棒混合成面团,取出用手揉成表面光滑的圆球。放入盛有30℃80mL蒸馏水的150mL低型烧杯中,移入30℃±1℃的恒温箱内,开始计时。随着酵母的发酵,球形面团中的二氧化碳含量不断增加,体积增大,浮至水面,经过一段时间后,球形面团开始解体破裂。裂口张大至1cm时作为面团解体的时间。

(6)结果表示:从面团浸入水中至解体破裂所经历的时间为全麦粉发酵时间值,以分为单位。

(7)允许差:同一操作人员相同的样品两次测定结果的差值与平均值之比不得超过6%。

(8)建议按以下数值进行小麦分类:

①软麦或糕点麦:

很弱 30min以下 中强 50~100min

弱 30~50min 强 100~175min

②硬麦或面包麦:

弱 150~225min 强 300~400min

中 225~300min 很强 400min以上

10.小麦粉吸水量和面团糅合性能测定法——粉质仪法(GB/T 14614-1993)

(1)方法原理:小麦粉在粉质仪中加水糅合,随着面团的形成及衰变,其稠度不断变化,用测力计和记录器测量和自动记录面团糅合时相应于稠度的阻力变化,从加水量及记录糅合性能的粉质曲线计算小麦粉吸水量及评价面团糅合时的形成时间、稳定时间、弱化度等特性,用以评价面团强度。

本法适用于小麦粉吸水量及其面团糅合性能的测定。

(2)试剂:蒸馏水或纯度与之相当的水。

(3)仪器设备:

①粉质仪:主要由揉面钵[包括和面刀(搅拌头)及外套罐]、测力计、杠杆系统、油阻尼器、滴定管、记录器、恒温水浴等部分组成,参见图4-2-21粉质仪结构示意图。其主要参数如下:

图4-2-21 粉质仪结构示意图

1-揉面钵 2-测力计 3-轴 4-杠杆系统 5-油阻尼器 6-读数盘 7-自动记录器 8-滴定管

和面刀转速:(63±2)r/min

慢和面刀转速:(31.5±1)r/min

揉面钵中两个和面刀转速比:1.5±0.01

记录纸行进速度:(1.00±0.03)cm/min

1粉质单位(F.U.)的转矩:

300g揉面钵的转矩为:(9.8±0.2)mN·m/F.U.[(100±2)gf.cm/F.U.]

50g揉面钵的转矩为:(1.96±0.04)mN·m/F.U.[(20±0.4)g·cm/F.U.]

②滴定管:用于300g揉面钵的滴定管,起止刻线为135~225mL,刻度间隔0.2mL,225mL排水时间不超过20s。

用于50g揉面钵的滴定管,起止刻线为22.5~37.5mL,刻度间隔0.1mL,37.5mL排水时间不超过20s。

③天平:感量0.1g。

④软塑料刮片。

(4)操作步骤:

①仪器准备:打开恒温水浴和循环水开关,将揉面钵升温到30℃±0.2℃,实验中应经常检查温度。

用一滴水润滑揉面器和面刀和后壁间的缝隙,开动揉面器,借助仪器左侧的零位调节器使测力计指针指到零位,如指针零位偏差超过5粉质单位(F.U.),进一步清洗揉面钵或寻找其他原因。调整笔臂使记录笔在图纸的读数与测力计指针读数一致,关停揉面器。

用手抬起杠杆使记录笔停在1000F.U.位置,松手放开杠杆,用秒表测量记录笔从1000F.U.摆至100F.U.的时间,测出时间应为1.0s±0.2s,否则应调节油阻尼器连杆上的滚花螺帽。调节时按顺时针方向调节,可降低摆动速度,使曲线波带变窄;按反时针方向调节,可加快摆动速度,使曲线波带变宽。测定曲线峰值宽度以70~80F.U.为宜。

用30℃±5℃的蒸馏水注满滴定管。

②水分测定:按GB/T 5497-1985测定小麦粉水分。

③操作步骤:根据所测小麦粉水分含量查表4-2-18,称取质量相当于50g或300g含水量为14%的小麦粉样品,准确至0.1g。

表4-2-18 称样校正表(相当于50g或300g含水量14%的基准小麦粉质量)

将样品倒入选定的粉质仪揉面钵中(一般用50g揉面钵),盖上盖(除短时间加蒸馏水和刮粘在内壁的碎面块外,实验中不要打开有机玻璃覆盖)。

启动揉面器,将转速开关放在快速档,放下记录笔,糅合1min后打开覆盖,立即用滴定管自揉面钵右前角加水[加水量按能获得峰值中线值于(500±20)F.U.的粉质曲线而定],蒸馏水必须在25s内加完,盖上有机玻璃覆盖,用刮片将粘在揉面钵内壁的碎面块刮入面团(不停机)。面团糅合至形成峰值后,观察峰值是否在480~520F.U.。否则,即停止糅合,在清洗揉面钵后重新测定。峰值过高,可增加水量,峰值过低则减少水量。应用50g揉面钵,每改变峰值20F.U.约相当于0.4mL水;应用300g揉面钵,每改变峰值20F.U.约相当于2.1mL水。

如形成的峰值在480~520F.U.,则继续糅合,一般小麦粉的曲线峰值在稳定一段时间后逐渐下降,在开始明显下降后,继续糅合12min,实验结束。记录仪绘出粉质曲线(糅合全过程)。

清洗揉面钵:取下揉面钵外套件,并放于温水中浸泡。用湿纱布(或用细软毛刷)擦洗和面刀,并用软塑料刮片,刮出粘在和面刀缝隙里的面团。重复数次。然后,将转速开关放到慢速档,双手同时按住开关,使和面刀转动,以露出缝隙里的面团。不断清洗、擦洗和面刀,直到和面刀转动时记录仪的指针指向零位。同样用湿纱布(或细软毛刷、软刮片)擦洗取下的揉面钵外套件,清洗出粘在钵上的全部碎面团,再用干纱布擦干,装于仪器固定位置上,待用。(注意:切勿用酸、碱或金属件刮洗。彻底清洗和擦干揉面钵,是得到正确测定结果的保证)。

(5)实验结果表示法(如图4-2-22粉质曲线图)。

图4-2-22 粉质曲线图

1-面团最大稠度 2-面团形成时间 3-面团稳定时间 4-面团弱化度

①吸水量。吸水量是指以14%水分为基础,每100g小麦粉在粉质仪中糅合成最大稠度为500粉质单位(F.U.)的面团时所需的水量,以mL/100g表示。

如测定的最大稠度峰值中线不是准确处于500F.U.线上,而在480~520F.U.,则需对实验过程加水量进行校正。

加水量校正按下面两式:

采用50g揉面钵:Vc=V+0.016(c-500)

采用300g揉面钵:Vc=V+0.096(c-500)

式中 Vc——校正后的加水量(mL);

V——实际加水量(mL);

c——测定获得最大稠度的粉质曲线中线值(F.U.)。

如出现双峰则取较高的峰值。吸水量计算按下面两式:

采用50g揉面钵:吸水量(mL/100g)=(VC+m-50)×2

采用300g揉面钵:吸水量(mL/100g)=

式中 Vc——试样形成最大稠度为500F.U.的面团时加入的水量或校正后的加水量(mL);

m——试样量,即根据试样实际含水量查表4-2-18的实际称样量(g)。

双试验测定结果差值不超过1.0mL/100g,以平均值作为测定结果,取小数点后一位数。

②面团形成时间。从小麦粉加水开始到粉质曲线达到和保持最大稠度所需要的时间(参见图4-2-15),以分钟(min)表示。读数准确至0.5min。

双试验测定结果差值不超过平均值的25%,以平均值作为测定结果,取小数点后一位数。

在少数情况下粉质曲线出现双峰,以第二个峰值即将下降前的时间计算面团形成时间。

③面团弱化度。从面团形成获得的最大稠度时粉质曲线的中线值与面团稠度衰变至12min时的粉质曲线的中线值的差值,称为弱化度(参见图4-2-15)以F.U.表示,读数准确至5F.U.。

双试验测定结果差值不超过测定平均值的20%,以平均值作为测定结果,取小数点后一位数。

④面团稳定时间。面团糅合过程粉质曲线到达峰值前第一次与500F.U.线相交,以后曲线下降第二次与500F.U.线相交并离开此线,两个交点相应的时间差值称为稳定时间(参见图4-2-15)以分钟(min)表示,读数准确至0.5min。

双试验测定结果差值不超过平均值的25%,以平均值作为测定结果,取小数点后一位数。

⑤双试验测定结果差值如超过(5)①、(5)②、(5)③、(5)④条规定的范围,则重做试验。

11.面团拉伸性能测定——拉伸仪法(GB/T 14615-1993)

(1)方法原理:小麦粉在粉质仪揉面钵中加盐水糅合成面团后,在拉伸仪中揉球、搓条、恒温饧面,然后将装有面团的夹具置于测量系统托架上,牵拉杆和拉面钩以固定速度向下移动,用拉面钩拉伸面团,面团受拉力作用产生形变直至拉断,记录仪自动将面团因受力产生的抗拉伸力和拉伸变化情况记录下来,从所得拉伸曲线评价面团的抗拉伸阻力和延伸度等性能。

拉伸仪广泛用于评价小麦粉品质及面团改进剂的研究,并通过不同饧面时间的拉伸曲线所表示的面团拉伸性能,指导面包生产,选定合适的饧发时间。

本法适用于小麦粉面团拉伸性能的测定。

(2)试剂:

①蒸馏水或纯度与之相当的水。

②氯化钠 分析纯。

(3)仪器设备:

①拉伸仪 由揉球器、搓条器、面团夹具、饧面箱、杠杆系统、拉伸装置、测力装置及记录仪等部分组成,见图4-2-17拉伸仪图。仪器主要参数如下:

揉球器转速:83r/min±3r/min,20r后自停;

搓条器转速:15r/min±1r/min;

拉面钩移动速度:1.45cm/s±0.05cm/s;

记录纸行进速度:0.65cm/s±0.01cm/s。

1拉伸单位(E.U.)阻力:(12.3±0.3)mN/E.U.[(1.25±0.03)gf/E.U.]。

②粉质仪 带恒温水浴和滴定管,300g揉面钵,按GB/T 14614执行。

③天平 感量0.1g。

④软塑料刮片。

⑤锥形瓶 250mL。

(4)操作步骤:

①仪器准备:打开粉质仪(采用300g揉面钵)、拉伸仪的恒温水浴及循环水开关,使粉质仪揉面钵和拉伸仪饧面箱升温至30℃±0.2℃,操作时经常检查温度。

拉伸仪中,每个饧面箱内放有一套面团装具,包括一个托盘和二套面团夹具。每套面团夹具由一块中间开口的底板和两块带叉子的上盖组成。在托盘凹槽内放少量水,面团装具在饧面箱内恒温15min后才能装置面团。

将面团夹具放在拉伸仪测量系统托架上,加上150g砝码,调整记录笔到零位。

粉质仪的调整,按GB/T 14614-1993规定执行。用温度30℃±5℃的蒸馏水注满滴定管。

②水分测定:按GB 5497-1985测定小麦粉水分。

③测定:

面团的制备:根据测定的小麦粉水分,称取质量相当于300g含水量为14%的样品(查GB/T 14614-1993中的表4-2-16),准确至0.1g。样品倒入粉质仪300g揉面钵中,盖上盖(除短时间加蒸馏水和刮粘在内壁的碎面块外,实验中不要打开有机玻璃覆盖)。

称取6g±0.1g氯化钠倒入锥形瓶中,并根据用粉质仪测定的小麦粉吸水量估算加入的水量(实际加水量比测得的小麦粉吸水量约少加2%水,以抵偿氯化钠的影响,如为软麦,则需减少更多加水量),然后从滴定管注入估算的水量于锥形瓶中溶解氯化钠。加入的总水量必须使下述测定中,面团糅合5min后能获得(500±20)F.U.的稠度(曲线峰中线值),否则,需改变加水量,重新制备面团。

启动粉质仪揉面器,放下记录笔,糅合1min后打开覆盖,立即用漏斗将锥形瓶中的氯化钠溶液自揉面钵盖中心孔加入小麦粉中,再用滴定管自钵盖右前角补加少许蒸馏水,盖上覆盖。氯化钠溶液和蒸馏水必须在25s内加完,用刮片将粘在揉面钵内壁的碎面块刮入面团(不停机)。糅合(5±0.1)min,这时面团稠度值必须在480~520F.U.。关停揉面器,此面团即可用做拉伸实验,否则重新按(4)③条制备面团。

面团分割和成形:将糅合好的面团从揉面钵中取出(不要揉捏),用剪刀将面团分割出2块,使每块重150g±0.5g。

将称好的一块面团放在拉伸仪的揉球器中揉成球形(若面团粘手,可在表面加少许米粉或淀粉)。

取出上述球形面团,放入搓条器搓成条。

打开饧面箱,取出一套面团装具,迅速将搓好条的面团夹持在夹具中(预先涂少许矿物油),另一份面团同样揉成球,搓成条,夹进夹具。2份夹具连同托盘一起推入饧面箱,关好箱门,开始计时,饧面45min。

清洗揉面钵。按GB/T 14614中(4)③条清洗揉面钵。

面团拉伸实验:饧面45min后,取出第一块面团和夹具将它们正确放置在拉伸仪测量系统托架上,放入记录笔,调整到零位。

启动测量系统,牵拉杆及拉面钩向下移动,拉面钩拉伸面团直至断开,记录器自动绘出拉伸曲线。

面团被拉断后,牵拉杆继续向下移动直到下部终止点,自动返回原位,收集拉断的面团,继续下面实验。

拉断后的面团,同样按(4)③条成形再使之揉球、搓条,再饧面45min,进行第二次拉伸实验。然后又按同样步骤进行第三次拉伸实验。这样同一块面团经历了饧面45min、90min及135min三个阶段的拉伸实验,并得到三条拉伸曲线。

从(4)③条分割出的第二块150g±0.5g面团用于做双试验。同上操作。

(5)实验结果表示法(参见面团拉伸图4-2-23)。

图4-2-23 面团拉伸曲线

E-延伸度 R50-50mm处面团拉伸阻力 Rm-面团最大拉伸阻力

①面团拉伸阻力:

面团最大拉伸阻力:拉伸曲线最大高度Rm为面团最大拉伸阻力,拉伸单位为E.U.,读数准确到5E.U.。面团在不同饧面时间最大拉伸阻力分别为Rm45′、Rm90′、Rm135′

两个面团测定结果差值不超过平均值的20%,以平均值作为测定结果。

50mm处面团拉伸阻力:从拉面钩接触面团开始,记录纸行进50mm处拉伸曲线高度R50为50mm处面团拉伸阻力,拉伸单位E.U.,读数准确到5E.U.,不同饧面时间50mm处面团拉伸阻力分别为R50.45′、R50.90′、R50.135′

两个面团测定结果差值不超过平均值的25%,以平均值作为测定结果。

②面团延伸度:从拉面钩接触面团开始至面团被拉断,拉伸曲线横坐标的距离称为面团延伸度E,单位mm,读数准确至1mm。不同饧面时间的面团延伸度分别为E45′、E90′、E135′

两个面团实验结果差值不超过平均值的15%,以平均值作为测定结果。

③拉伸曲线面积:用求积仪测量面团拉伸曲线包围的面积A,单位cm2,读数准确至1cm2。不同饧面时间拉伸曲线面积分别为A45′、A90′、A135′

两个面团实验结果差值不超过平均值的25%,以平均值作为测定结果。

如平行实验超过(6)①~③条所规定的差值范围,重做实验。拉伸仪结构示意图见图4-2-24。

图4-2-24 位伸仪和记录器图

1-面团 2-卡子 3-面团夹具 4-牵拉杆电机 5-拉面钩 6-杠杆系统 7-平衡器 8-记录器 9-油阻尼器

12.谷物降落数值测定(GB 10361-1989)

本标准等效采用国际标准ISO 3093-1982《谷物 降落数值的测定》。

(1)主题内容与适用范围:本标准规定了一种专门测定谷物α-淀粉酶活性,即“降落数值”的测定方法。

本方法适用于谷物,特别适用于小麦和小麦粉的降落数值的测定。

(2)引用标准:

GB 2014-1991蚕丝、合纤筛网技术要求

GB 5497-1985粮食、油料检验 水分测定法

(3)定义:降落数值是指一定量的小麦粉或其他谷物粉和水的混合物置于特定黏度管内并浸入沸水浴中,然后以一种特定的方式搅拌混合物,并使搅拌器在糊化物中从一定高度下降一段特定距离,自黏度管浸入水浴开始至搅拌器自由降落一段特定距离的全过程所需要的时间(s)即为降落数值。

(4)方法原理:小麦粉或其他谷物粉的悬浮液在沸水浴中能迅速糊化,并因其中α-淀粉酶活性的不同而使糊化物中的淀粉不同程度的被液化,液化程度不同,搅拌器在糊化物中的下降速度即不同,因此,降落数值的高低就表明了相应的α-淀粉酶活性的差异,降落数值愈高表明α淀粉酶的活性愈低,反之表明α淀粉酶活性愈高。

(5)试剂:

①蒸馏水。

②甘油或乙二醇:工业品。

③异丙醇:工业品。

(6)仪器:

①降落数值测定仪由下列部件组成:

水浴装置:直径15cm,高20cm,带有冷凝装置和盖子,盖上有孔可放入黏度管架,并备有固定黏度管及搅拌器的胶木压座及黏度管胶木架座。

电加热装置:600W。

金属搅拌器:包括一根有二个止动器的杆,杆下端有个小轮,搅拌器质量必须为25g±0.05g,搅拌器装有胶木塞并可在塞孔中上下转动自如,搅拌器规格见图4-2-25、图4-2-26。

图4-2-25 搅拌器

1-杆 2-上止动轮 3-胶木塞 4-下止动轮 5-轮

图4-2-26 搅拌器轮

黏度管:由特种玻璃制成,内径为21mm±0.02mm,外径为23.8mm±0.25mm,内壁高为220mm±0.3mm。

搅拌器自动装置:该装置能控制搅拌器在特定距离间上下移动,移动速度为每秒上下各2次,搅拌结束时可自动将搅拌器提到下止动器和塞子接触的最高位置并自动松开和自由降落。

能发信号的自动计时器或秒表;

橡皮塞;

精密温度计:测量精度±0.2℃。

②加液器或吸移管:容量25mL±0.2mL。

③粉碎机:能将谷物粉碎使其粒度符合表4-2-19要求。

表4-2-19 谷物粉碎粒度要求

注:筛孔710μm约相当于GB 2014-1991规定CQ 10;筛孔500μm约相当于GB 2014-1991规定的CQ 14;筛孔200μm约相当于GB 2014-1991规定的CB 30。

④筛子:孔径800μm(约相当于GB 2014-1991规定的CQ 9号筛)。

⑤天平:感量0.01g。

(7)操作步骤:

①试样制备:

a.谷粒试样:取平均样品200~300g在粉碎机中磨碎,当留存在710μm筛的筛上物不超过1%时,可弃去,充分混匀筛下物。

b.面粉试样:用800μm筛筛理使成块面粉分散均匀。

②试样水分含量测定:按GB 5497-1985测定。

③称样:

a.称样量必须按试样水分含量进行计算,使试样在加入25mL水后,其干物质与总水量(包括试样中的含水量)之比为一常数,在试样含水量为15.0%时,试样量为7.00g,精确至0.05g;试样含水量高于或低于15.0%时的称样量见表4-2-20第二列。

b.如要使不同试样测定的降落数值的差距增大,可将称样量改为相当于含水量为15.8%时试样量为9.00g的量,见表4-2-20第三列。

表4-2-20 称样量与水分的关系

采用说明:

ISO3093规定为锤式磨,本标准规定为能达到细度要求的粉碎机。

ISO3093未规定感量要求,本标准规定天平感量为0.01g。

ISO3093规定试样研磨30~40s,本标准规定以粉碎机内留存物不超过1%为原则。

ISO3093规定采用ISO712《谷物和谷物制品——水分测定法》。GB 10361-1989。

④测定:将称好的试样倒入黏度管内,并将黏度管及试样倾斜成45°角,再用加液器或吸移管加入25mL20℃±5℃的水,立刻盖紧橡皮塞,用手连续猛烈摇动20次,必要时可增加摇动次数,得到均匀无粉状物的悬浮液。取下橡皮塞,立即将搅拌器插入黏度管中,并将管壁上粘着的悬浮物推入悬浮液中。

迅速将黏度管和搅拌器套入胶木管架并穿过水浴盖孔放入沸水浴中(沸水浴温度调节见后),立刻开启自动计时器,仪器上的胶木压座自动伸出压紧搅拌器上的胶木塞,黏度管浸入水浴5s后,搅拌器开始以每秒上下来回2次的速度在特定的距离内进行搅拌(即每个来回搅拌器的下止动器和上止动器分别碰到搅拌器胶木塞的底部A和上部的凹面B,见图4-2-25)。

图4-2-27 降落数值测定操作流程图

1~7为操作顺序号

搅拌至59s后,搅拌器提到最高位置,60s时松开搅拌器,搅拌器自由降落。

当搅拌器上端降落至胶木塞上部C位置(见图4-2-25)时,自动计时器给出信号并停止计时。记下自动计时器显示的全部时间(s)。

⑤测定次数:同一试样进行两次测定。

(8)结果表示:

①降落数值:从黏度管放入水浴至搅拌器上止动器下降到达胶木塞上部为止所需的全部时间(s),即为“降落数值”。

如果2次测定的结果符合重复性(8)②的要求,取其算术平均值即为测定结果,否则需再进行2次测定。

②重复性:2次测定结果之差不得超过平均值的10%。

(9)沸水浴温度调节法。

在水浴内倒入蒸馏水,使水面离水浴顶部边缘2~3cm,加热并使水浴温度在全部测定过程保持激烈沸腾,同时注意经常加水以保持水位。

由于不同地区所处的海拔高度不同,不同大气压下水的沸点不同,而由于水浴温度不同对降落数值的测定结果有较大影响,温度愈低,降落数值测定结果愈高,因此,水浴沸腾温度须加以调节。

温度计读数校正:由于测量温度计的汞柱部分浸入水浴内,部分露在空气中,因此,温度计读数需进行校正。

校正值(℃)=K·n(T-t)

式中 K——校正系数为0.00016;

n——温度计在水浴塞子以上的汞柱刻度数;

T——插入水浴的测量温度计读数;

t——测量温度计周围的室温(用另一温度计测量)。

测量温度计的读数加上校正值即为水浴的实际温度。

如果水浴沸腾温度在98.0~99.8℃,可加入甘油或乙二醇调整使水浴沸腾温度达100.0℃,加入量见表4-2-21。

表4-2-21 提高沸点需要添加甘油或乙醇的量

如果水浴沸腾温度低于98.0℃,则不要调节至100.0℃来测定降落值,否则,测定过程黏度管内的糊化物有可能溢出而无法获得结果,这时可采用“做图法”来估算测定结果,即在实测温度下先测定一次降落数值,然后在水浴中加入13.6%(体积分数)的乙二醇或17.1%(体积分数)的甘油,使水浴温度升高1.5℃,再测定一次降落数值。以温度为横坐标,降落数值为纵坐标,将测得的两点做一斜线并延长,斜线上与横坐标为100.0℃时对应的纵坐标所示的降落数值即为测定结果。

如果水浴的沸腾温度高于100.2℃,则每超过0.1℃,在水浴中加入0.1%(体积分数)异丙醇,调节使水浴沸腾温度下降为100.0℃。

随便看

 

离鸟网收录3541549条中英文词条,其功能与新华字典、现代汉语词典、牛津高阶英汉词典等各类中英文词典类似,基本涵盖了全部常用中英文字词句的读音、释义及用法,是语言学习和写作的有利工具。

 

Copyright © 2004-2024 vtrois.com All Rights Reserved
更新时间:2026/4/8 18:16:09