网站首页  词典首页


请输入您要查询的字词:

 

字词 频敏变阻器
类别 中英文字词句释义及详细解析
释义

频敏变阻器


1.变阻器的适用范围

BP系列(包括BP1、BP2、BP3、BP4、BP6和BP8)频敏变阻器适用于交流50Hz,转子最大电压1000V,额定输出功率2.2~2240kW的绕线式感应电动机的转子回路中;主要供电动机作短时起动、重复短时起动用。根据负载机械设备的不同,频敏变阻器的负载可分为轻载、中载、重载和满载四种类型。BP8系列为BP1、BP2、BP3、BP4的改进替代产品。

2.变阻器的结构特征

BP系列频敏变阻器是一种静止无触点的电磁元件,相当于一个等值阻抗。在电动机起动过程中,由于等值阻抗随转子电流减小而自动下降(自动变阻),从而只需一级变阻器,就能使电动机完成平稳起动。变阻器实质上是一个铁芯损耗特大的三相电抗器。它由铁芯和绕组两个主要部分组成。铁芯结构形式有叠片式、钢管式、方柱式等;绕组有单绕组式、绕组加感应线圈、绕组加多层短路环等形式。变阻器线圈绕组由高温双玻璃丝包线绕制而成,每相绕组上有5个抽头,抽头比例为0-30%-80%-90%-100%。见图1-137。

图1-137 变阻器线圈绕组抽头比例

3.接线示意图

由于单台变阻器的体制、重量不宜过大,所以当电机功率较大时,就应有多组变阻器连接起来使用,其接线种类有单组、2组并联、2组串联及2串2并等多种接法。

接线方法见图1-138,其他接线方法依此类推。

图1-138 频敏变阻器接线示意图

4.BP系列频敏变阻器产品分类及特性

频敏变阻器产品分类及特性见表1-167。可根据不同的工作特性来选用。

表1-167 BP系列频敏变阻器产品分类及特性

5.频敏变阻器调整的要求

(1)频敏变阻器的极性和接线应正确。

(2)频敏变阻器的抽头和气隙调整,应使电动机起动特性符合机械装置的要求。

(3)频敏变阻器配合电动机进行调整过程中,连续起动次数及总的起动时间,应符合产品技术文件的规定。

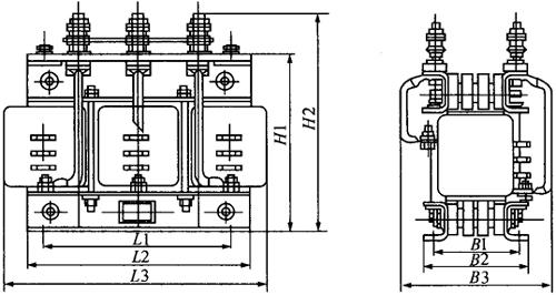
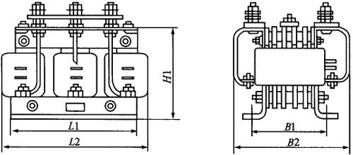
6.BP系列频敏变阻器外形及安装尺寸

BP系列频敏变阻器外形安装尺寸见图1-139a、139b及表1-168。

图1-139a BP1~BP6系列外形安装示意图

表1-168a BP1~6系列外形及安装尺寸

图1-139b BP8系列外形安装示意图

表1-168b BP8系列外形及安装尺寸

7.BP8系列频敏变阻器的选型

根据电机规格和操作频繁程度的不同,可在表1-169中直接查出变阻器的规格。

表1-169a BP8Y系列频敏变阻器选型表

表1-169b BP8R1系列频敏变阻器选型表(JZR系列电机专用)

表1-169c BP8R1系列频敏变阻器选型表(重复短时工作制电机专用)

表1-169d BP8R2系列频敏变阻器选型换算系数表(E值)表

注:BP8R2系列频敏变阻器用于JR系列、YR系列及各类绕线感应电动机。

表1-169e BP8R2系列频敏变阻器选型表

表1-169f BP8R3系列频敏变阻器选型表

注:BP8R3系列频敏变阻器于JR系列、YR系列及各类绕线型感应电动机。

表1-169g BP8R4系列频敏变阻器选型表

注:BP8R4系列频敏变阻器于JR系列、YR系列及各类绕线型感应电动机。

当起动冲击电流过大时,在保证变阻器线圈绕组能承载电机转子电流的情况下,可适当调整线圈匝数及增加变阻器的串联数量,从而有效起动冲击电流,确保输电网络正常。

当电机起动力矩不够、起动较慢时,在保证电网电压正常的情况下,可适当调整线圈匝数及增加变阻器的并联数量,从而增大起动力矩,使设备正常工作。

应强调的是,表1-169注明的BP8系列选型,BP1、BP2、BP3和BP4也可参照选用,对应如下:

(1)BP1对应BP8Y用于YZR系列起重及冶金用绕线型电机专用。

(2)BP1对应BP8R1用于JZR、JZR2系列起重及冶金用绕线型电机专用。

(3)BP2对应BP8R2用于JR系列、YR系列及各类绕线型感应电动机。

(4)BP3对应BP8R3用于JR系列、YR系列及各类绕线型感应电动机。

(5)BP4对应BP8R4用于JR系列、YR系列及各类绕线型感应电动机。

随便看

 

离鸟网收录3541549条中英文词条,其功能与新华字典、现代汉语词典、牛津高阶英汉词典等各类中英文词典类似,基本涵盖了全部常用中英文字词句的读音、释义及用法,是语言学习和写作的有利工具。

 

Copyright © 2004-2024 vtrois.com All Rights Reserved
更新时间:2026/4/7 0:38:19