网站首页  词典首页


请输入您要查询的字词:

 

字词 饼干加工装备
类别 中英文字词句释义及详细解析
释义

饼干加工装备


1 概述

从目前情况看,我国饼干加工装备的技术进步速度较快。辊印成型、冲印成型、辊切成型的饼干制作设备均有定型生产。近年来,集辊印,冲印和辊切功能为一体,实现了一机多用,在同一生产线上便可生产不同类型的饼干。

与国外先进装备相比,国产饼干加工装备仍有一定的差距。这些差距主要表现在自动化操作的程度、生产效率和一些辅机的制造水平上。国产的饼干烘烤设备与国外的先进设备相比,在热效率方面也有明显的差距。国外最先进的烘烤炉热效率可达85%,而国产同类设备的热效率仅为30%~40%。

2 饼干加工工艺

饼干的分类方法和品种很多,这里主要介绍韧性,酥性和苏打饼干的加工工艺,并对威化饼干、夹心饼干和杏元饼干的加工工艺进行简单的介绍。

韧性饼干加工工艺流程如图1-10-1所示;

图1-10-1 韧性饼干加工工艺流程

酥性饼干加工工艺流程如图1-10-2所示;

图1-10-2 酥性饼干加工工艺流程

苏打饼干加工工艺流程如图1-10-3所示;

图1-10-3 苏打饼干加工工艺流程

夹心饼干加工工艺流程如图1-10-4所示;

图1-10-4 夹心饼干加工工艺流程

杏元饼干加工工艺流程如图1-10-5所示;

图1-10-5 杏元饼干加工工艺流程

威化饼干加工工艺流程如图1-10-6所示。

图1-10-6 威化饼干加工工艺流程

2.1 调粉

2.1.1 韧性饼干的调粉 韧性饼干的面团是在蛋白质充分水化的条件下调制的面团。韧性面团配料中的油、糖含量少,因此容易形成大量的面筋。为了防止收缩变形,在调粉时可以加入定量的热水,以提高面团温度,促使面筋充分胀润。同时,面团在和面机的机械拉伸作用下,使面筋逐渐地趋于松弛状态。韧性面团的调粉时间要长,从保证蛋白质充分胀润形成面筋后,再经机械拉伸而失去筋力的时间,才能使调制的面团获得所要求的工艺性能。

调制韧性面团的主要原料配比如表1-10-1所示。

表1-10-1 韧性面团主要原料配比

韧性面团的调粉次序是先将面粉与水、糖等辅料一起投入和面机中混合,再加油脂进行搅拌。这样的次序是为了使面粉在适宜的条件下充分胀润,有利于面筋的形成。

调粉的和面机转速一般为25r/min,调粉时间约20~30min,调制完成时面团温度为36~40℃,含水量约为18%~21%。

为使调粉时韧性面团得以充分的拉伸和撕裂,韧性饼干调粉所需的设备为卧式(或立式)双轴和面机。

2.1.2 酥性饼干的调粉 调制酥性面团的基本要求是面团应具有较大程度的可塑性和有限的粘弹性,使之不粘成型辊和印模。成型后的饼干坯应具有保持花纹的能力,不收缩变形。烘烤后具有一定程度的胀发率。要达到这些目的,酥性面团调制过程中,需适当控制面筋的吸水率,形成有限的胀润度。调制酥性面团的主要原料配比如表1-10-2所示。

表1-10-2 酥性面团主要原料配比

酥性饼干调粉的次序是:先将糖、油、水等各种辅料搅拌均匀,然后加入面粉等原料调制成面团。

和面机的转速一般控制在25r/min左右,调粉时间5~10min,面团温度控制在26~30℃,面团的含水量为16%~18%。

调制酥性面团所需的设备为卧式单桨和面机。

2.1.3 苏打饼干的调粉 苏打饼干属于发酵类饼干。苏打饼干面团一般要经2次调粉、2次发酵处理。调制发酵面团的主要原料配比如表1-10-3所示。

表1-10-3 发酵面团主要原料配比

第一次调粉应加入面粉总量的40%~50%和酵母的全部,并加入一定量的水。调制时间约为4min左右,面团的温度,夏季应控制在25~28℃左右,冬季应控制在28~32℃左右为宜。

第一次发酵时间约为8~10h,第一次发酵的目的是让酵母大量繁殖,使得面团疏松,面筋的弹性降低到理想程度。第二次调粉时,应将第一次发酵的面团、其余50%~60%的面粉以及全部辅料和一定量的温水加入,然后调制成面团。调粉时间约为5~7min,面团的温度,夏季应控制在28~30℃左右,冬季应控制在30~33℃左右。发酵时间约为3~4h。

第二次发酵的目的是利用第一次发酵面团的发酵潜力,尽可能使面团结构疏松,并适当降低面筋的弹性。

调制发酵面团所需的设备为卧式和面机。

2.1.4 杏元饼干浆料的调粉 杏元饼干的浆料在调制前,须将鸡蛋、砂糖、疏松剂等辅料先在搅拌机中用低粘度的搅拌浆进行混合。在搅拌过程中缓缓地加入适量的水,在浆料经充分搅拌,起泡稳定的条件下,再加入面粉调制均匀。杏元饼干内部结构应呈多孔状,这主要是浆料经充分搅拌,气相分散在液相中形成的。鸡蛋和砂糖等物料经过搅拌,浆液把空气包围起来形成了泡沫。因此,浆料的搅拌程度和形成泡沫的稳定性是决定杏元饼干是否酥松的一个主要条件。

杏元饼干浆料主要原料配比如表1-10-4所示。

表1-10-4 杏元饼干浆料主要原料配比

浆料在开始搅拌时,为使各种物料混合均匀,应用125~130r/min较快的搅拌速度,搅拌5min后,待浆料体积微微上升时,缓缓地加入适量的水,此时应改为70r/min较慢的搅拌速度继续搅拌。搅拌时间一般不超过25min为宜。拌粉时间不要过长,一般经1~2min搅拌均匀即可。浆料的温度一般控制在25~28℃左右为宜。

杏元饼干浆料调制所需的主要设备为立式搅拌机(又称打蛋机)。

2.1.5 威化饼干浆料、馅料的调制 浆料的调制是指把配好的面粉、淀粉和疏松剂放入搅拌机的容器中,加入适量的水,经过搅拌混合使其达到符合威化片生产要求的浆料。威化饼干浆料的主要原料配比如表1-10-5所示。

表1-10-5 威化饼干浆料主要原料配比

放入一定量的淀粉,一方面是为了降低面粉的含筋量,改善威化片组织结构;另一方面可增加威化片的表面光泽。渗入量的比例一般为面粉量的10%~15%。

调制浆料的工艺要求搅拌到面粉、淀粉与水充分混合,并使浆料中包含着较多的空气泡。调浆时间约为7~9min,调浆时间过长,容易造成浆料起筋,使制成的威化片硬而不脆。浆料的温度应控制在25~28℃左右。

威化饼干夹心馅料的调制是指糖粉、油脂等原料经过搅拌器高速搅拌,使糖、油脂、空气充分混合而成松软的夹心馅。威化饼干馅料主要原料配比如表1-10-6所示。

表1-10-6 威化饼干夹心馅料主要原料配比

糖粉的细度直接影响到威化饼干的口感,一般要求细度为100~120目左右。油脂的熔点要求在34~40℃左右为宜。

调制威化饼干浆料和馅料所需的主要设备为立式搅拌机。

2.2 静置

对于酥性面团来说,面团调制完毕后可经过几分钟至十几分钟时间的静置,以使调粉时进行的水化作用继续进行而降低粘性,同时增加结合力和弹性。在实际操作中,往往利用这种方法使调粉不足的面团获得一定的补偿。必须说明,正常调制的酥性面团一般不需采用静置的方法而直接送入辊轧工序,否则将会导致面团发硬,粘性和结合力下降,以及影响饼干生坯的成型。

对于韧性面团来说,由于面团在调粉工序中经和面机桨叶的拉伸和撕裂作用,常会产生一定的张力。所以刚调粉完毕的面团弹性一时还降不下来,往往采取调粉完毕后静置15~20min的方法来促使弹性降低,粘度下降。但对于已符合要求的面团来说,可不必静置,否则,弹性会降得过低,延伸性和结合力也会下降,从而导致成型困难。

由于酥性、韧性面团静置的时间都不长,所以一般不需专用设备,只需在和面机的和面缸里进行即可。

2.3 辊轧

面团调制完毕后,在进入成型工序前,有些品种需经辊轧处理。

对于酥性面团来说,一般不需经过辊轧,这是因为酥性面团的弹性很小,而塑性较大,可以直接进入成型机经辊筒压成面片。另外,由于辊压会增加酥性面团的硬化程度,使饼干的酥松度下降,影响产品的质量,所以酥性面团均不采用此工序。

韧性面团有经辊轧和不经辊轧两种生产方法,但从质量要求来说还是经辊轧的方法好。

发酵面团必须经过辊轧操作。辊轧的目的是通过机械的作用,使面团成为结构致密均匀、表面光滑平整、厚度一致的面带,以便进行下一步成型操作。辊轧时应尽可能多次折叠转向,以使面片在纵横两个方向弹性变形一致,避免因受力不均造成的两个方向的变形不一,而导致饼坯的收缩变形。由于辊轧和多次折叠的操作,使得面带产生层次,制品会有较好的胀发度和松脆性。在外观质量方面,由于多次辊轧会使表面有光泽,花纹的保持能力强,色泽均匀。

对于制作有油酥的苏打饼干来说,面团不仅要经过辊轧,而且还要同时夹入油酥。要求油酥均匀地包在面片中,经过数次辊轧折叠和夹酥,使面片具有数层均匀的油酥层次。

面团的辊轧和夹油酥所需的主要设备为叠层机或各类辊轧设备。

2.4 成型

根据饼干配方和品种的不同,可选择不同的成型方式和成型设备。常用的饼干成型方法有冲印成型、辊印成型、辊切成型、挤出式成型和钢丝切割成型、挤出滴注成型等。

2.5 烘烤

面团经成型后形成饼干坯,饼干坯通过烘烤,在高温的作用下水分蒸发,淀粉受热后糊化,膨松剂分解后使饼干坯的体积增大,最后形成多孔性酥松的饼干成品。

用于机械化生产饼干的烘烤炉多为隧道式烤炉。饼坯入炉后经过糊化、制熟、上色三个阶段。对应着这三个阶段,烘烤所需的炉温不同,这就形成了烤炉的三个温区。

饼干烘烤时炉温和烘烤时间的选择是烘烤工艺中最重要的参数。这同饼坯大小厚薄、面团性能等多种因素有关,所以可供选择的工艺参数有较大的差异,很难作全面的阐述。下面仅就不同类型的饼干要求介绍如下:

2.5.1 酥性饼干的烘烤 酥性饼干的配方较为复杂,油、糖、奶制品用量的不同,烤炉的炉温和时间选择也不同。对于油、糖、乳制品等用量较大的品种,为防止烘烤时产生“油摊”现象,在烘烤开始阶段就需加大面火和底火,使其底部迅速凝固。而在制熟、上色阶段则用较低的温度,这样有利于色泽的稳定。对于一般配料的品种,需要依靠烘烤来胀发饼坯体积。因此,需将面火调节成有一温度渐升的过程,同时前半部要有较高的底火,使其能在保证体积膨大的同时,不致在表面迅速形成硬壳。

总体说来,酥性饼干的温度选择为:第一温区偏高,在250~300℃左右;第二温区略低,保持在200~250℃左右;第三温区控制在180~200℃左右。

总的烘烤时间一般掌握在4~5min。

2.5.2 韧性饼干的烘烤 韧性饼干由于调粉时面筋充分吸水胀润,结合水分较多,脱水较困难,所以一般采用较低炉温烘烤,烘烤时间长些,这样有利于脱去大量的水分。韧性饼干的配方变化虽然少,但饼坯的形状和块形大小变化较多,所以对烘烤温度和时间也要视具体情况加以选择。

2.5.3 苏打饼干的烘烤 苏打饼干烘烤时,应使烤炉前部的底火大,面火略低,这样可以使饼坯的表面尽可能保持柔软,有利于CO2气体的膨胀,使饼坯体积胀大。在烤炉的中间区域,要求面火渐增,而底火渐减,因为此时虽然水分仍在蒸发,但重要的是将已胀发到最大限度的体积固定。烤炉的后部炉温通常低于前面各区域,防止饼干色泽过深。

一般来说,第一温区的面火温度为200~250℃,底火在300~250℃;第二温区的面火温度为250~280℃,底火温度250~200℃;第三温区的底、面火温度在200~180℃左右。

烘烤时间控制在4.5~5min。

2.5.4 杏元饼干的烘烤 由于杏元饼干配方和浆料调制有特殊的工艺要求,因此在烘烤工艺方面也有特殊要求。主要如下:烤炉的前段相对湿度要求要高,这样有利于饼坯表面淀粉糊化形成光泽;烤炉中段的炉温底火要高于面火,以防止饼坯表面结成硬壳,而影响内部水分的蒸发。由于杏元饼干配方中糖和蛋的比例较高,容易上色。所以烘烤温度比普通饼干烘烤温度要低一些,一般控制在200℃左右。

饼干的烘烤所需主要设备为各式隧道式烘烤炉。

2.6 喷油

为了提高饼干的口感质量,对于一些韧性饼干和苏打饼干可根据需要加入一道喷油工艺。此道工序接在烘烤工序后进行,在饼干表面喷上一层经雾化的油层。喷油可只对饼干的上表面进行,也可同时对上、下表面进行。为保证所喷油的稀释度,同时也减少油温与出炉饼干的温差,防止饼干变形,油必须预热,油温一般不得超过80℃。

饼干喷油所需的主要设备为饼干喷油机。

2.7 冷却

饼干冷却也是饼干生产中的一个重要工序。饼干的冷却方式和冷却时间对饼干质量的影响很大。烘烤完毕的饼干,其表面层与中心部的温差很大,温度降低迟缓。饼干出炉温度都在100℃以上,水分含量也稍高于冷却后成品的水分含量。如果饼干不经冷却,在余热未放出之前即进行包装,不仅饼干水分不易蒸发,饼干内的油脂也易氧化酸败,饼干容易霉变。

饼干的冷却一般都是利用自然冷却法。根据烘烤时间与冷却适宜温度和水分变化来计算,冷却带长度应是烘烤炉长度的1.5倍。如要加速冷却,也可以使用吹风的冷却方法。但注意风的流速不宜超过2.5m/s。如冷却速度过快,水分蒸发迅速易产生破裂现象。

经冷却后的饼干温度应在30~40℃左右。水分含量为3%~4%为宜。

饼干冷却所需的主要设备为饼干冷却输送带。

2.8 整理

饼干通过整理工序的目的是将从冷却输送带送出的排列杂乱的饼干整理成纵向排列整齐的若干纵行,便于下道包装工序的顺利进行。

饼干整理所需的主要设备为饼干整理机。

2.9 包装

饼干包装的目的:防止饼干在运输过程中和销售环节里的破碎;防止被污染而变质;防止酸败、吸湿或脱水和“走油”;增加商品性,方便购买,便于携带。

用于饼干包装的材料有马口铁、纸板、聚乙烯塑料、蜡纸等,现多采用复合材料包装的形式。

目前,国内已有相当一部分厂家开始使用枕式包装机来进行饼干的自动包装,但大多数厂家仍运用手工包装的形式。

2.10 夹心饼干的加工工艺

夹心饼干是饼干的复制品。先制成饼干单片后,再经过夹馅复合成夹心饼干。国内常见夹心饼干的生产方式多为手工制作,夹心质量不佳,产量也低。目前,国内已试制出饼干夹心机,使得夹心饼干生产由机械代替了手工,提高了生产效率和产品质量。

2.10.1 调制夹心馅料 夹心馅料的调制工艺和威化饼干夹心馅料调制工艺相似。馅料由油脂、糖粉和香料搅拌混合而成。油脂可采用精炼硬化油或水分含量较低的奶油,糖粉的细度应在100目以下,这样制成的夹心馅料口溶性好。

夹心馅料调制所需的主要设备为立式搅拌机。

2.10.2 括夹心和盖饼 括夹心和盖饼均在饼干夹心机上进行。用来夹心的饼干下片底面朝上被送入机器,经过括夹心装置后,向前输送与另外被送入的底面朝下的上片对位后完成盖饼工序。

括夹心和盖饼工序所需的主要设备为饼干夹心机。

3 关键设备

3.1 调面设备

目前我国生产饼干的调面设备大致可分为卧式和立式两大类。搅拌桨轴有单轴和双轴两种型式。

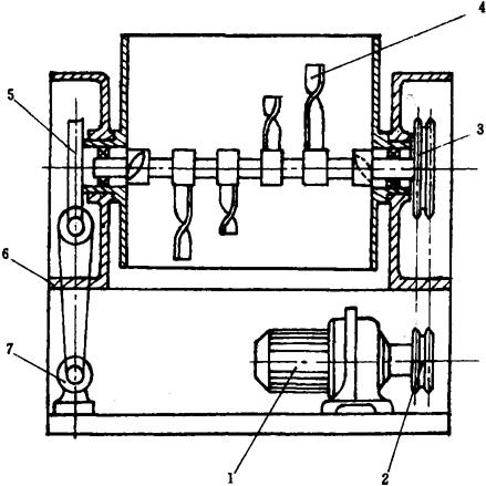
3.1.1 卧式调面机(图1-10-7) 工作时,启动主电动机1,经传动机构带动搅拌轴,桨叶随轴作旋转运动进行搅拌调面。调制好的面需取出时,只需启动副电动机,经三角带带动蜗杆旋转,蜗杆使调面桶上的蜗轮回转。使调面桶在限位范围内进行倾倒和复位。这种调面机属于单轴形式,调粉时对面团的拉伸、撕裂作用比较小,所以只适宜调制酥性面团。

调制韧性面团一般需使用双轴调面机。卧式双轴调面机与卧式单轴调面机的主要结构相似,只是通过齿轮传动在水平方向上多加了一道搅拌轴及搅拌桨叶。工作时,两搅拌轴带动搅拌桨叶相向转动,对于面团进行机械拉伸、撕裂,非常适合调制韧性面团。

图1-10-7 卧式(单轴)调面机

1-主电动机 2、3-传动链轮 4-搅拌桨 5-面缸翻转用蜗轮蜗杆 6-机架 7-副电动机

3.1.2 立式调面机(图1-10-8) 立式调面机由底盘、机身、电动机、蜗轮与蜗杆、调面主轴、调面桨叶及调粉桶等组成。

该机的特点是采用双轴搅拌的形式,对面团的压捏和拉升作用较强,适合调制韧性面团。但是该机的造价比卧式调面机高,取出面团比较困难,劳动强度大。

图1-10-8 立式(双轴)调面机

1-底盘 2-机身 3、4-电机 5-蜗杆 6-蜗轮 7-调面主轴 8-调面桨叶 9-调粉桶

3.1.3 立式搅拌机(图1-10-9) 工作时,搅拌轴一边自转一边又进行公转,转速可通过手轮调节调速齿轮的啮合比来进行变速。搅拌缸体可随托架升降运动来满足搅拌和卸料的需要。搅拌桨叶可以很方便地更换,根据被搅拌物料的粘度来合理地选择桨叶的类型。

图1-10-9 立式搅拌机

1-机架 2、7-带轮 3-电机 4-三角带 5-升降托架 6、8-手轮 9-传动总轴 10-分速轴 11-调速手柄 12-过渡轴 13-桨叶传动总轴 14-行星齿轮 15-搅拌轴 16-桨叶 17-搅拌缸

3.2 辊轧设备

根据机器结构不同,辊轧机大致可分为卧式辊轧机与立式辊轧机两种。

辊轧机根据工作性质又可分为间歇式与连续式辊轧机两种。生产规模不大的厂家可采用间歇式辊轧机;生产量大的厂家,特别是生产梳打饼干进行辊轧夹酥时,一般应使用连续式辊轧机。这种供辊轧夹酥用的连续式辊轧机常被称为叠层机。

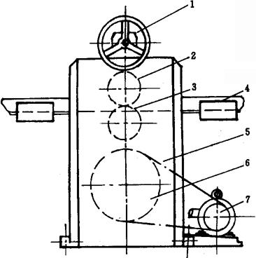
3.2.1 卧式辊轧机(图1-10-10) 卧式辊轧机是一种间歇式生产的辊轧机。工作时,由电动机7驱动,经三角带、齿轮传动带动上轧辊2、下轧辊3同转。通过开关控制电动机正反旋转,达到往复辊轧的目的。辊轧面片的厚度可通过上轧辊与下轧辊的间距调节来控制。使用这类辊轧机工作时,面片的往复移动换向、折叠、转向均需用人工操作,配合机械化生产饼干比较困难。

图1-10-10 卧式辊轧机

1-厚度调节手轮 2-上轧辊 3-下轧辊 4-面粉盒 5-机架 6-传动件 7-电动机

3.2.2 立式辊轧机(图1-10-11) 立式辊轧机工作时将面团送入料斗1,首先经轧辊2进行辊轧,辊轧出的面带被导入计量辊4。计量辊是由间隙可随面带厚度而调节的相同直径的轧辊组成。通常立式辊轧机设有2~3对计量辊,主要作用是控制辊轧成型后的面带厚度均匀一致。由于加工苏打饼干的需要,立式辊轧机设有折叠器5,用以折叠过程中在面带层之间撒入油酥。

图1-10-11 立式辊轧机原理图

1-料斗 2-轧辊 3-面片 4-计量辊 5-折叠器

与卧式辊轧机相比,立式辊轧机占地面积小,轧制面带厚度均匀。但是机器的结构比较复杂。

3.2.3 叠层机 叠层机是生产效率高,可和饼干生产线中的成型机同步,可对面团进行辊轧、面皮纵横换向、夹酥、复合辊轧、叠层等一系列的工艺操作。

叠层机根据轧辊排列位置的不同可分为立式叠层机和卧式叠层机两种类型。

立式叠层机的形式与前面介绍的立式辊轧机相类似。

卧式叠层机(图1-10-12)是使用的较多的一种机型。工作过程:两道三辊轧皮装置同时将面团辊轧成具有一定厚度的面皮,在两道三辊轧皮装置之间设有撒油酥装置,使得经两道三辊轧皮装置轧制成的面片在上、下对位复合之前,中间被夹入油酥层。然后面皮经输送带进入复合辊轧装置,经两道辊轧后的面皮即送入叠层机构,通过叠层机构内的往复平推小车的作用达到叠层的目的。经叠层后的面皮就可直接送往饼干成型机。

图1-10-12 卧式叠层机

1-撒油酥装置 2-三辊轧皮装置 3-复合辊轧装置 4-叠层机构 5-饼干成型机面皮输入带

还有一种卧式叠层机的形式与上述的形式略有不同。它是将三辊轧皮机构由两组简化为一组,通过这组辊轧机构制成的面皮被一把辊刀从纵向一分为二,经两组输送带分别输送,通过45°环形带,使面皮成90°换向。并使两路面皮呈上、下输送形式,在上、下两层间配置了撒酥机构,使两层面皮间夹酥后再被合二为一送往复合轧辊轧制、压延。这种机型的特点是简化了机构。避免了因两组辊轧机构同时工作而造成的速度同步的困难;多了一道面皮换向,使面皮在纵、横两方向的受力更趋一致。这种机型是一种值得推广的机型。

3.3 成型设备

常见的饼干成型设备有:冲印式成型设备、辊印式成型设备、辊切式成型设备和挤出滴注成型设备。

3.3.1 冲印式饼干成型机(图1-10-13) 冲印式饼干成型机的优点是能够适应多种产品的生产,如韧性饼干、苏打饼干和油脂含量较低的酥性饼干。

图1-10-13 连续(摆动)式冲印饼干成型机

1-面块送入输送带 2、3、4-面皮轧辊 5-摇摆冲印机构 6-余料分离机构 7-饼坯输出带 8-烘烤炉网(钢带) 9-余料返回传送带

这种机型的缺点是冲击载荷较大,不适宜放在楼层高的厂房内使用;噪声大;产量不及辊印式和辊切式成型机高。

冲印式饼干成型机分为间歇式和连续式(摆动式)两种。间歇式机型目前已经基本淘汰。

连续式(摆动式)冲印饼干成型机主要由面皮辊轧部分、冲印成型部分、余料分离部分、输送入炉部分等组成。工作过程:经辊轧机初步辊轧过的面块被送入成型机的面片辊轧部分,一般经过3对旋向相同轧辊的连续辊轧,形成厚薄均匀一致的面带。面带被送入冲印成型部分,通过连续摇摆冲印的印模,从而产生了带有花纹的饼干生坯和边料。冲印成型后的面带继续向前送,经余料分离部分使饼干生坯与余料分离。饼坯由传送带送至烘烤炉的网带或钢带上入炉烘烤。余料经余料返回输送带送回辊轧部分再进行辊轧复用。

3.3.2 辊印式饼干成型机 辊印式饼干成型机适用于高油脂酥性饼干的生产。这种机型是将面团不经辊轧直接压入印模内成型,因此无余料,产量较高。运转时无冲击载荷,结构简单,价格也较低。但这种机型的适用面不宽,不能生产韧性和苏打饼干类的产品。

辊印式饼干成型机有两种类型:第一种是直接进入网带(钢带)式(图1-10-14);另一种是落烤盘式(图1-10-15),这种类型的成形机只需更换成型模就可生产桃酥,所以又称作饼干、桃酥两用机。前一种成型机的产量大,配合网带(钢带)炉直接进入烘烤,热损失也小。后一种成型机必须经烤盘,配套链条炉使用,热损失大。但使用、组合较为灵活。

图1-10-14 辊印式饼干成型机

1-料斗 2-喂料辊 3-花纹成型辊 4-橡胶辊 5-帆布传送带 6-帆布刀口分离器 7-烘烤炉网(钢)带 8-电动机 9-机架 10-减速器 11-刮刀

图1-10-15 烤盘式辊印机

1-料斗 2-喂料辊 3-花纹成型辊 4-橡胶辊 5-帆布传送带 6-减速器 7-电动机 8-帆布刀口分离器 9-烤盘输送链条 10-张紧装置

两种类型的成型机从成型原理上说是完全相同的。辊印式饼干机主要由成型脱模机构、饼坯输送机构、传动系统及机架等组成。工作过程:将调制好的面团送入料斗1,在喂料辊2与花纹成型辊3的相向运转中,面团被压入花纹成型辊的印模槽内,经过铲刀铲去花纹成型辊表面的多余面团,余料紧贴在喂料辊表面上再带入喂料处。花纹印模槽内的饼坯由橡胶辊4带动的帆布传送带5压紧在花纹成型辊上,使饼坯粘附在帆布带上,从花纹印模槽内分离出来。饼坯在帆布传送带的传送下,落入烘烤炉的网带(或钢带)上,或落入烘烤盘上入炉烘烤。

3.3.3 辊切式饼干成型机 辊切式饼干成型机是在综合了辊印式和冲印式饼干成型机的优点的基础上制造出的一种新型饼干成型设备。这种机型的特点是可以广泛适用于苏打饼干、韧性饼干和酥性饼干等不同产品。并具有速度快、效率高、振动噪声低的优点。这种机型近年来在国内已经得到普遍的推广使用。

辊切式饼干成型机(图1-10-16) 主要由面皮压片部分、辊切成型部分、余料分离和返回部分等组成。其中面皮压片和余料分离返回部分的结构与冲印式饼干机的对应机构相类似。辊切成型部分与辊印式饼干成型机的成型部分相类似。

图1-10-16 辊切式饼干成型机

1-面皮压片轧辊(共3组) 2-面皮过渡帆布传送带 3-中间缓冲传送带 4-花纹辊筒 5-刀口辊筒 6-橡胶辊 7-余料分离装置 8-进炉帆布带 9-烘烤炉网带(钢带)

工作过程:面团经3组面皮压片机构1的辊轧形成光滑、平整、均匀一致的面带,面带由过渡帆布传送带2和中间缓冲传送带3送至辊切成型部分。面带首先经花纹辊筒4辊印出饼坯花纹,然后在前进中经与花纹辊筒同步运转的刀口辊筒5切出带花纹的饼干坯来。位于花纹辊与刀口辊下方,设有直径较大的橡胶辊6,在压花、切块过程中起着弹性垫板和脱模的作用。成型的饼干坯由进炉帆布带8送上烘烤炉网带(钢带)9。余料由余料分离装置7分离,经返回帆布带送回面皮压片机料斗供重新辊轧复用。

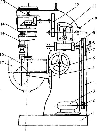
3.3.4 杏元饼干成型机 杏元饼干成型机采用“挤出滴注成型”方式,利用杏元饼干面浆易于流动的特性,通过挤浆柱塞将定量的面浆挤出滴注在烤盘或钢带上。

目前生产杏元饼干所采用的设备有两种,一种是以烤盘为载体的间歇挤出式成型机;另一种是以烘烤炉的钢带为载体的连续挤出式成型机。前一种机型适用于中、低产量的生产;后一种机型适用于大批量生产。

间歇式杏元饼干成型机(图1-10-17)以烤盘为烘烤载体,一只烤盘只需滴注一次即可完成成型操作。

图1-10-17 间歇挤出式杏元饼干成型机

1-浆料斗 2-成型斗 3-橡皮活塞 4-偏心连杆 5-烘盘拨块 6-导板 7-传动链轮 8-活塞上下驱动偏心轮 9-烤盘升降凸轮 10-双曲柄轮 11-双摆杆 12-传动齿轮 13-连杆 14-烤盘

工作过程:橡皮活塞3由偏心轮带动作上下运动,向上时吸料,向下时将面浆料挤出滴注在烤盘14上。通过调节偏心距,改变活塞的运动行程,即可变化挤出浆料的多少。浆料斗1和活塞嘴是固定不动的,当活塞开始向下运动时,烤盘向上运动,这时浆料被挤出滴注在烤盘上。当活塞向下到最低点时,烤盘快速下降,将活塞嘴与烤盘上成型的杏元饼坯之间的浆料拉断。烤盘的水平输送是由曲柄摆杆机构来进行的。

连续挤出式杏元饼干成型机是以烘烤炉的钢带为直接载体,杏元饼干浆料被挤出滴注在同步运动着的钢带上,进入炉内烘烤。

3.4 烘烤设备

一般用于饼干烘烤的设备都为隧道式烘烤炉。常见的隧道式烘烤炉的型式有钢带式、网带式和链条式烘烤炉等。

3.4.1 隧道式电热钢带烘烤炉(图1-10-18) 隧道式电热钢带烘烤炉是以钢带为烘烤载体,以电作热源来进行烘烤的烘烤炉。该机主要由炉体、钢带、电热管、传动系统和钢带调偏、张紧机构、电控系统等组成。钢带依靠分别设在炉体两端的直径为500~1000mm的空心辊筒驱动。辊筒由调速电机、减速器等传动,可以通过调节调速电机的转速来使钢带的运行速度与配套使用的饼干成型机的成型速度同步。饼干坯由成型机的输出传送带直接送上钢带,进入烘烤炉烘烤。烘烤完毕的饼干从烘烤炉的输出端被送出,进入冷却工序。

图1-10-18 隧道式电加热钢带烘烤炉

1-电动机及传动系统 2-电控柜 3-出炉端钢带主动辊筒 4-底火电热管 5-面火电热管 6-排湿烟囱 7-保温层 8-进炉端钢带被动辊筒 9-金属弓顶 10-电热管反射罩 11-钢带 12-钢带上托架 13-钢带下托架 14-炉体

炉内用来作烘烤热源的一般是柱型远红外电热管,电热管沿与钢带运行的垂直方向,以一定的间距安装在炉内,一般的分布是面火的电热管根数要少于底火。在接线控制中,分常开电热组和调节电热组,使用时通过开、关调节电热组的电源,来达到调节炉温、面、底火强度和温区调节的目的。

调节由于只在炉内循环运转,所以热损失少,但由于钢带在受热后变形量大,因此跑偏现象较严重,必须采用有效的调偏装置,才能达到运行稳定。

钢带炉除苏打饼干品种之外,其他品种都可以烘烤。不宜烘烤苏打饼干的原因主要是入炉端的钢带温度较低,升温慢,不利于饼坯的胀发和定型,易造成成品僵硬。

3.4.2 隧道式电热网带烘烤炉 隧道式电热网带烘烤炉的结构与钢带式烘烤炉的结构相似,只是烘烤载体采用了由金属丝编制而成的网带。由于网带具有网眼空隙,烘烤过程中饼坯底部的水分易蒸发,不会产生油滩和凹底现象。由于网带比钢带厚得多,受热变形比钢带的变形要少,所以跑偏现象易于调节控制。网带长期使用损坏后,可以局部补编后复用,因此使用寿命长。但由于网带厚度为钢带厚度的许多倍,重量比钢带也要重1倍以上,所以热容量较大,耗能比钢带炉要大。网带表面不易清洗,网带上的污垢易粘在饼坯底部。

网带式烘烤炉的烘烤适应面宽,可以用来烘烤各类饼干,是目前应用最广的饼干烘烤炉。

3.4.3 隧道式电热链条烘烤炉(图1-10-19) 隧道式电热链条烘烤炉是指食品及其烘烤载体(一般是烤盘)在炉内的运动是靠链条来传动的一种炉型。这种炉型的炉体、加热系统等与前述的钢带、网带炉相似,只是传动系统有所不同。链条式烘烤炉的传动系统主要由调速电机、减速器、传动轴和链轮、链条等组成。传动系统带动主轴上的1对链轮,带动2根链条同步转动。在平行的两链条间按一定间距装1根两端用开口销固定的圆柱杆,烤盘则放在圆柱杆上随链条向前输送。

图1-10-19 隧道式电热链条烘烤炉

1-入炉端被动链轮 2-传动链条 3-出炉端主动链轮 4-减速传动系统 5-调速电机 6-面火电热管 7-炉体保温层 8-上链条轨道 9-底火电热管 10-下链条轨道 11-炉体基座

链条炉的烤盘不仅在炉内使用,在炉外还要经过许多环节后方可送回炉内,这样热损失比使用钢带或网带炉都要大。隧道式电热链条烘烤炉现在多为钢带或网带炉所替代,其多用于糕点、面包的烘烤。

3.5 辅料撒布设备

辅料撒布设备是指在成型后的饼坯表面涂刷蛋、奶等液料,撒布砂糖等颗粒料和在烘烤后的饼干表面喷油雾而使用的设备。

3.5.1 刷蛋、奶机(图1-10-20) 刷蛋、奶机的动力可从成型设备传入,也可单配电动机和调速器,以便根据不同的产品选择涂刷速度。

图1-10-20 刷蛋、奶机示意图

1-饼坯传送带 2-液料盘 3-流量控制阀 4-液料斗 5-电动机减速器 6-辊筒传动链条 7-上料辊 8-过渡辊 9-刷料辊

工作时,上料辊7将液料盘2内的液料不断传给过渡辊8,最后均匀地被传到刷料辊9表面,刷料辊与通过传送带送进的饼坯表面接触,达到涂刷蛋奶的目的。上料辊与过渡辊一般用金属材料制成,其中心距可调,这样可以控制液料的涂刷量。刷料辊一般用软质材料制成,刷料辊与饼坯的间距也可调,以保证涂刷和输送的质量。通过调节液料斗上控制阀来调节液料的流量,保证液料盘的一定液位高度。

3.5.2 撒糖、盐机(图1-10-21) 撒糖、盐机是一种用来给成型后的饼坯表面撒布颗粒状的糖、盐的设备。

图1-10-21 撒糖、盐机示意图

1-落料闸门 2-料斗 3-撒布辊筒 4-辊筒驱动链条 5-电动机、减速器 6-回料刮刀 7-回收料斗 8-传送带驱动辊筒 9-饼坯传送带 10-张紧装置 11-从动辊筒

撒布辊筒3的外表面沿轴向均匀地刻有细长槽,辊筒由传动机构带动,糖、盐等物料落进沟槽被连续均匀地撒在由饼坯传送带向前输送的饼坯表面上。闸门与撒布辊筒3的间隙可调,可以控制撒布量的大小,表面被撒布了糖或盐的饼坯即可送入烤炉烘烤。饼坯传送带9上的剩余物料则通过传送带的折回行走和刮刀的铲刮落入回收料斗,以便收集复用。饼坯传送带的动力一般与饼干成型机的传送带同步并连动。

3.5.3 喷油机(图1-10-22) 喷油机是用来给烘烤出炉后饼干表面喷涂上一层薄油雾而使用的设备。

图1-10-22 饼干喷油机原理图

1-油箱 2-张紧辊筒 3-油泵 4-油压调节装置 5-变速器 6-网带驱动辊筒 7-电动机 8-机架 9-饼干输送网带 10-油雾回收装置 11-喷油电机 12-离心喷油轮 13-喷油输送管 14-电控箱 15-从动辊筒

工作时,经传动装置带动饼干输送网带回转,在输送网带的上、下方各并排安装有2台高速(>2000r/min)电动机,电动机轴上直接装有伞状离心喷油轮,食用油经油箱、油泵、调压分配器和开关电磁阀被送至离心喷油轮的中心而获得旋转运动。因离心力的作用,成薄膜状的油液以不断增长的速度向喷油轮边缘移动而喷出细的雾状,达到给饼干的面、底表面喷上油雾的目的。喷油层饼干蒸发的油雾通过油雾回收装置中的离心式风机吸回,再喷到刚进机的饼干上,这样循环利用,减少了油耗。

3.6 饼干整理机

饼干整理机的作用是将经冷却输送带送来的饼干进行自动整理,使之有规律地排列,以便包装。在整理机的饼干输入端装有1只旋转毛刷,毛与帆布输送带反方向旋转,刷尖与帆布之间的距离可调,使之只有1片饼干能够通过。经过这个旋转刷,在这道帆布带上就没有重叠的饼干,饼干平铺在输送带上被送入整理帆布带,在帆布带上方装有按饼干尺寸而设定的平行分行轨道,使得饼干能够按行向前输送。经过倾斜的道板,饼干滑至有一定落差的输出传送带。在整理输送带和输出传送带间装有按350~400次/min作往复运动的推板,将饼干整齐地排列起来。

3.7 夹心饼干机(图1-10-23)

图1-10-23 夹心饼干机

1-主机 2-饼干上片输送架导槽 3-饼干下片输送架导槽 4-第一夹心馅料充填机 5-夹心馅料充填机构 6-第二夹心馅料充填机 7-饼干输送带

夹心饼干机工作时,将用于夹心的饼干分别排列放入饼干输送架的导槽内,通过饼干拨料链条的运动,带动饼干单片向前作水平移动。夹心馅料经馅料充填机的输送机构输送到馅料出料轴。馅料出料轴的转动与推进饼干的链条同步,出料轴每转动1次,相应的搬运链条向前运动一个间隔。当饼干到达馅料出料口时,即将馅料注在饼干上部。注完馅料的饼干继续向前移动。在机器的中部装有光电检测装置来检测有无饼干通过。当饼干通过时,光电装置即指令电磁阀打开,将另一种夹心馅料注入饼干上部。2次注料后的饼干继续向前移动,当到达饼干上片输送架时,上片饼干即与下片饼干粘合,完成饼干夹心的操作。

两道馅料充填机构可以分别控制,以便制作单色或双色的夹心饼干。

3.8 威化饼干生产设备

国内目前使用的威化饼干自动生产线几乎全是从国外引进的。这种自动生产线具有产量大,制出的成品质量好等优点。在这类自动生产线上,威化浆料中的各种原料在浆料搅拌机中进行混合后,通过管道输送到威化饼干烤炉。在烘烤炉中浆料被烘烤成威化片子。在烤炉的出口处有自动落片装置将威化片子送入冷却输送机进行自然冷却,然后输送入威化夹心机进行夹心。夹心的浆料由夹心搅拌机经管道自动泵入威化夹心机。夹心机可按照所要求的层数进行夹心。经过夹心的威化块被送入冷却隧道,使之进一步冷却到所需的切割要求,促证威化块在进入切片机时能顺利地切割,达到要求的产品尺寸。最后,产品进入包装机进行包装。

国内生产的威化饼干制作设备都为单机,许多工序还需要手工来进行。定型生产的单机有威化制片机和威化切片机。

3.8.1 威化制片机(图1-10-24) 威化制片机为转盘式,一般由6~12块烤模组成,其中以9块烤模的威化制片机为多。该机由浆料斗、转盘、威化制片烤模、自动开模凸轮、出料管压紧弹簧和传动系统等组成。

图1-10-24 转盘式威化制片机

1-浆料斗 2-转盘 3-回转驱动装置 4-模板 5-开模凸轮

工作过程:转盘通过电动机带动,转盘的转动由人工控制,每踩一次离合器,转盘就转过一个烤模的位置。转盘转动时上模被开模凸轮开启,进入加料位置,浆料由出料管注入。转盘继续转动,上模闭合,模内浆料水分汽化膨胀,浆料逐渐烤制成片状。转盘转至出片位置,上模又被开模凸轮开启。取出制成的威化片,然后再加料,重复以上的动作。

3.8.2 威化切片机(图1-10-25) 威化切片机的作用是将已经夹好馅的威化片切成一定规格的成品。

图1-10-25 威化切片机

1-纵向推板 2-横向推板 3-横向连杆 4-横向连杆传动凸轮 5-横向切刀驱动电机 6-横向切刀 7-防护罩板 8-纵向切刀 9-主传动电机 10-减速器 11-纵向导杆 12-纵向连杆传动凸轮 13-纵向连杆

威化切片机主要由纵向推板、纵向切刀、横向推板、横向切刀、传动系统等组成。纵向推板和横向推板均由偏心轮组成的导杆机构驱动,横向和纵向切刀均为旋转的圆片切刀,纵向切刀由主传动减速器电机直接驱动,横向切刀由另一台电机驱动。工作时,纵向推板将威化饼坯推进纵向切刀先切成长条,然后横向推板将长条威化饼坯推进横向切刀切成小块威化饼干成品。

随便看

 

离鸟网收录3541549条中英文词条,其功能与新华字典、现代汉语词典、牛津高阶英汉词典等各类中英文词典类似,基本涵盖了全部常用中英文字词句的读音、释义及用法,是语言学习和写作的有利工具。

 

Copyright © 2004-2024 vtrois.com All Rights Reserved
更新时间:2026/4/8 21:55:25