高频焊设备一般由高频电源、感应器、阻抗器、控制器、电触头等几部分组成。
1.高频电源
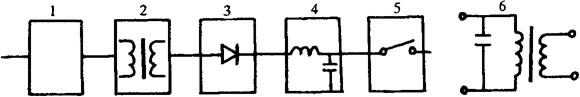
频率超过10kHz的真空管振荡电源,原理框图如图7-25所示。先将网压升高并整流成直流电压,由振荡器变频成高频高压(25kV),再由输出变压器降为低压大电流,供焊接使用。近年来随着电力电子技术的发展,振荡器还可采用晶闸管、绝缘双栅极晶体管等,可使高压电路的电压大大降低,设备安全性提高。

图7-25 高频电源原理框图
1-操纵保护电路 2-升压变压器 3-整流电路 4-滤波电路 5-高频振荡电路 6-输出变压器
2.接触头
是将高频电流导入工件的器件,分固定式和移动式两种,一般由铜合金做成。工作时接触头和其固定座都需要水冷。接触头对工件的压力,主要取决于电流密度,同时考虑工件的厚度和材料。
3.感应圈
为适应工件或被加热区的几何形状,满足高频感应加热的需要,线圈形状各异。通常是由铜及其合金制成,内部需通水冷却。
4.阻抗器
在管材或筒形状焊件焊接时,一部分高频电流沿工件外表流过,为有效电流。另一部分沿工件内表面流动,为无效电流。在工件内心放一磁心以增加内感抗,减小内表面电流,此磁心称为阻抗器。表7-49给出典型高频焊设备及参数。
表7-49 高频焊管机主要技术数据

