| 字词 | 与门电路 | ||||||||||||||||||||||||||||||||||||||||
| 类别 | 中英文字词句释义及详细解析 | ||||||||||||||||||||||||||||||||||||||||
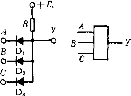
| 释义 | 与门电路 与门电路yumen dianlu实现“与”逻辑关系的电路。简称与门。与门是具有多个输入端和一个输出端的逻辑门电路。当所有输入端都是高电平1时,输出才是高电平1;否则,只要有一个(或多个)输入是低电平0,输出就是低电平0。上图是三端输入与门电路的原理图和逻辑符号。其逻辑功能的数学表达式为:Y=A·B·C。式中的乘号“·”称为逻辑乘,Y是逻辑变量A、B、C的逻辑积。
下表列出了与门的逻辑真值。
☚ 门电路 或门电路 ☛ |
||||||||||||||||||||||||||||||||||||||||
| 随便看 |
|
||||||||||||||||||||||||||||||||||||||||
离鸟网收录3541549条中英文词条,其功能与新华字典、现代汉语词典、牛津高阶英汉词典等各类中英文词典类似,基本涵盖了全部常用中英文字词句的读音、释义及用法,是语言学习和写作的有利工具。