低压调温舱
低压调温舱是关于高空低气压与航空温度、湿度环境条件的综合性环境模拟实验设备,供研究不同高度和温度、湿度因素对人体的复合影响,提出人体工程设计所需实验数据和试验有关防护装备之用。
低压调温舱舱体的构造类似中、小型普通低压舱(见“低压舱”)。舱体装有保温层,并设有专用调温调湿系统。舱的“上升”高度一般要求能达到20000m,舱内气温与舱壁温度(壁温)应可分别调控,按所要求的温度-时间曲线进行模拟。舱壁还可分区域给出不同壁温,以造成正、负辐射条件。舱内气温范围约为-40~+75℃,精度<±1℃,舱壁温度可高于舱内最高气温。舱内相对湿度范围可为干燥至100%。为模拟高性能飞机的更严峻的高度和温度环境条件,有些舱的上升高度可达30000m; 气温和壁温高达180℃左右。有的舱,壁温还可达到240℃。
低压调温舱内的气体系通过密闭回路循环再生使用,舱内气温则可分别由密闭回路上的电加热器升温或制冷机降温而被调控于一定范围。舱壁加温可通过使预热的液体介质在舱壁夹层内套循环而实现。降温,则视所要求低温范围,可通过向夹层内套分别输送冷水、冰冷盐水、已降温的甲(乙)醇,或利用氟利昂循环通过舱内的排管蒸发器等方法实现; 也可用喷射液态二氧化碳的方法实现。能耗(装机容量)与舱体容积及温度变化速率呈正比关系。故在满足实验要求的前提下,舱的容积应尽量减小,以降低能耗和提高变温速率。有的变温舱,初调阶段需数小时始能完成。国外有的变温舱,使用专用的流体介质,在热交换器内与另一种预热的介质,或预冷的三氧乙烯进行热交换,可使舱内调温速率加快。其调温速率可达到: 气温上升及下降速率分别为+10℃/min及-3.3℃ /min; 壁温,+18℃/min及-2.9℃/min。有的实验室在普通大型低压舱内装置非气密的小舱,直接利用电热器升温,组成简易低压高温舱。低温舱内还可放置装配式低温水槽,以供常压下低温浸水实验之用。低压调温舱的控制和显示系统要集中安装,以利操作使用;舱的抽气、进气管道要合理分布,以防止局部通风不佳和二氧化碳在低层积聚。除特殊要求外,在一般情况下,舱内风速不应大于0.4m/s。舱内风道要有消声措施,以避免噪声干扰。舱体所在实验室应防尘。舱内应定期消毒(如用紫外线灯),以防止微生物污染。观察窗应采取防雾措施,实验后舱内结霜应予解冻并拭干。因低氧分压可影响视力。故舱内照明应可调节。低温下碳钢的冲击性能减弱,应注意选材和操作。注意避免体表直接接触过热或过冷金属表面,以防止烧伤、冻伤及冷金属粘皮。低温液体用铜泵输送,关键阀门应作双重配置。电线要妥善绝缘,舱体要接地良好。

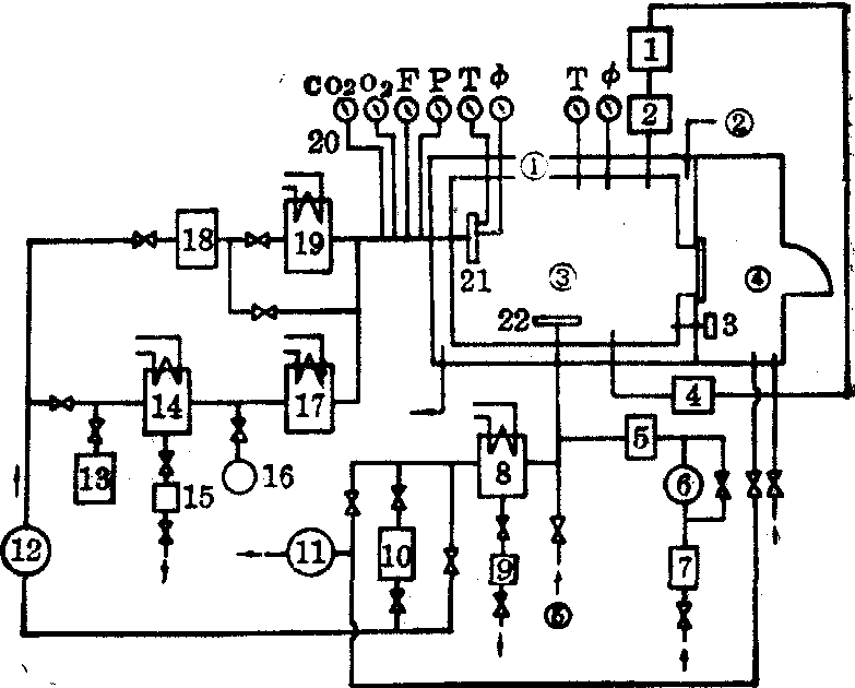
低压调温舱示意图
1,12.风机 2,4.消音器 3. 压力平衡管 5,18. 干燥器 6. 空压机 7. 过滤器 8,17,19. 换热器9,15. 冷凝水罐 10. CO2吸收器 11. 真空泵13.加湿器 14. 湿度控制器 16. 氧气瓶 20. 仪表(CO2、O2、流量、压力、温度,湿度) 21,22. 多孔管
❶舱壁夹套
❷调温水溶液
❸主舱
❹过渡舱
❺应急复压