网站首页  词典首页


请输入您要查询的字词:

 

字词 制材工艺
类别 中英文字词句释义及详细解析
释义

制材工艺sawing technology

用锯切、铣削等工具,将原木加工成锯材产品的过程。包括锯割方案、生产程序、技术条件等。采用先进合理的制材工艺,可以提高出材率和产品质量,增加经济效益。
制材生产程序 由原木供应到锯材出厂前的全过程。可分为原木准备作业、原木锯割作业、贮材场作业3个阶段(图1)。

图1 制材生产程序


原木准备作业 具体做法:❶根据产品的要求,将原木按照尺寸、树种、等级区分和堆垛;
❷根据产品规格进行材长设计,必要时进行原木截断;
❸为了提高锯材质量和出材率,采用小头进锯工艺,将大头朝前的原木调转180°,成为小头朝前;
❹要用冲洗剂或其他方法清除原木表面的泥沙;
❺为了防止带有金属物的原木进锯,采用原木金属探测仪对原木进行检查;
❻为了有利于正确判断锯口的位置,减少锯条磨损,保证木片质量,用原木剥皮机剥皮;
❼为了提高锯剖效率,减少裁边量,需要用原木整形机整形;
❽进行原木端面工艺设计。
原木锯割作业 按照工艺程序完成由原木到半成品、成品的加工过程。包括剖料、剖分、裁边、截断等工序。❶剖料:主锯机将原木纵向锯割成毛料或锯材;将板皮部分进行削片或锯出毛边板。
❷剖分:将原木毛方和大板皮进行锯割。
❸裁边:对毛边板进行锯边或铣边。
❹截断:齐头及横向截去缺陷,或为了提高产品质量和等级,将长材截成合乎规格要求的长度。
贮木场作业 指锯材的成品和半成品的分等、分类、包装、贮存、天然干燥过程。
制材工艺类型 按制材主机区分,主要有以下几种:
以带锯为主机的制材工艺 常以一台或几台大带锯剖料,小带锯、圆锯剖分,圆锯裁边和截断。其工艺程序如图2。以带锯为主机的制材工艺,生产适应性广,既可以锯割大直径原木,也可以锯割不规则原木或缺陷原木;既可采用原木翻转下锯,也可采用径向、弦向下锯以保证特殊材种的要求。能作到看材下锯,合理制材,提高产品等级和出材率。同时还具有锯口小、进给速度快的优点。按所用主机可分以下几类:❶主机为单台大带锯机。大带锯主要进行剖料,也可自行锯割成板、方材。剖料时,剖出的毛方送到主力小带锯锯割。大带锯和主力小带锯锯出的较大板皮可以通过剖分带锯得到毛边板,经裁边和截断进入成材分等。主力小带锯、板皮剖分锯、裁边锯、截断锯锯割下来的小板皮、边条、截头,经投料口送到削片机制成木片。根据产品特点,带锯生产工艺各不相同,除主机外,设备的类型、数量及废料处理也不尽相同。
❷主机的双联带锯或由双联带锯组成的多联带锯机。因兼有大带锯和框锯的优点,既可使用薄锯条,又略有灵活性,又能一次完成多道锯割。适用于外形圆直、材质差异小的中等径级原木高速流水作业。可以单独组成生产线或与再分锯机配合使用形成流水线。
❸主机为双面齿往复带锯机。往复均能锯割原木,生产效率较高,但跑车只能在带锯的一侧翻木,影响效率的提高。为了保证质量,必须有好的修锯技术;对设备的要求,跑车往返移动要精确。

图2 带锯制材工艺程序
1.大带锯;2.主力带锯;3.板皮剖分带锯;4.截断锯;
5.裁边锯;6.削边锯;7.选材场


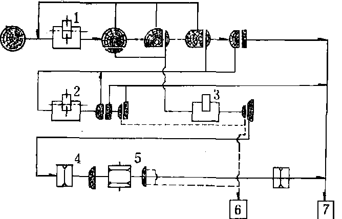
以框锯为主机的制材工艺 单一的框锯类型的生产工艺是由一台或多台框锯机组成,配有裁边锯和截断锯等设备,可采用毛方、毛板、混合下锯法。其优点是:锯机稳定性好,锯出成品尺寸精度高;生产效率大于其他单锯条锯机;适当改变锯齿齿型,可生产长锯屑。由两台框锯组成的制材工艺程序(图3),原木经运输设备送到第一台框锯,锯成毛方及毛边板和板皮之后,把毛方送到第二台框锯上锯割成锯材,得到的整边板经分等运出车间。第一台框锯和第二台框锯锯割下来的毛边板进行裁边。废材进入削片机生产工艺木片。

图3 框锯制材工艺程序


1.框锯;2.截断锯;3.裁边锯;4.削片机
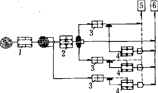
以圆锯为主机的制材工艺 由一台或多台单锯片、双锯片或多锯片圆锯机组成。单锯片圆锯机一般锯割小径级原木、缺陷原木及短原木,适用于小规模生产的企业或附属车间。双锯片圆锯机适用于锯割中径级原木,同剖分锯和裁边圆锯组成流水线生产普通锯材。企业内的独立车间大都采用此法。多锯片圆锯机适用于大型制材车间,也适用于小径级原木制材。图4是圆锯制材工艺程序图。原木进料由装有卡爪装置的链式输送机完成。原木锯割之后,板皮由专用装置分开,并送到单锯片薄板锯机进行剖分,锯出的毛边板在双圆锯裁边机上裁边后,运到分选装置加以分选。毛方自动运送到三锯片圆锯机上锯成板材,再运送到分选装置。锯下的板皮仍可进行再加工。

图4 圆锯制材工艺程序
1.双锯片圆锯机;2.三锯片圆锯机;3.单锯片圆锯机;4.双锯片圆锯机;
5.废料利用工段;6.分选装置


以削片—制材机为主机的制材工艺 直接将原木上的板皮部分削成木片,剩下部分为方材或同时锯成板方材。削片—制材机可分为削方机和铣削—锯割两类。削方机包括两面和四面削方机;铣削—锯割联合机,包括四面削片—多锯片圆锯机、两面削片—多锯片圆锯机、两面削片—多联带锯机和单面削片—跑车带锯机。前者原木一次通过即加工成方材和工艺木片,这种设备生产效率高,但下锯灵活性差、成材出材率低、材面质量较粗糙;后者为主机的生产工艺,常采用一台或少量设备就完成制材工艺过程。这种工艺布局简单,易于形成自动化生产,节约劳动力,生产效率比较高,适用于锯割中、小径级原木。
混合型制材工艺 两种以上设备为主机相互配合的制材工艺。适用于原木质量和径级差异大、树种不单一,以及产品规格较多的场合。如在生产中可以由双联带锯、多锯片圆锯、铣削锯机及框锯机组成的大型生产车间。这种工艺可采用大带锯锯割直径较大的原木,锯出的毛方再由圆锯或框锯上进行剖分。直径较小的原木在铣削锯机上加工成整边板和木片。
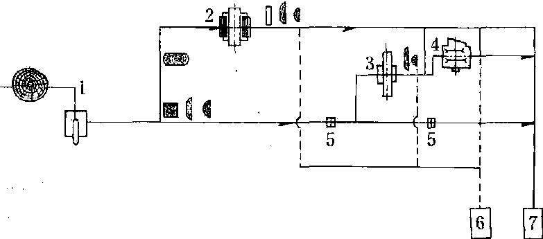
带锯和框锯相配合的制材工艺 一种是由两个工段相配合的工艺,即:主机为框锯工段,锯割质量好的原木;主机为带锯工段,锯割内腐或有其他缺陷的原木。另一种是在一个工段里两种设备相配合。图5是带锯框锯的制材工艺程序。这种工艺,根据原木特点和产品要求,大带锯可以直接锯割成板、方材,也可以

图5 带锯、框锯配合的制材工艺程序
1.带锯机;2.框锯机;3.卧式带锯机;4.双锯片裁边机;
5.单锯片截断机;6.削片机;7.选材场


制成毛方后由框锯完成主产品加工。板皮送到卧式带锯机锯割成毛边板,再经双圆锯裁边机裁边。
随便看

 

离鸟网收录3541549条中英文词条,其功能与新华字典、现代汉语词典、牛津高阶英汉词典等各类中英文词典类似,基本涵盖了全部常用中英文字词句的读音、释义及用法,是语言学习和写作的有利工具。

 

Copyright © 2004-2024 vtrois.com All Rights Reserved
更新时间:2026/4/7 17:09:22