网站首页  词典首页


请输入您要查询的字词:

 

字词 大豆制品加工设备
类别 中英文字词句释义及详细解析
释义

大豆制品加工设备processing equipment for soybean products

提取大豆蛋白质并使之成为食品的设备。豆制品加工起源于中国,在20世纪50年代以前,生产豆腐类制品,使用的设备主要是人力或畜力石磨、手工滤浆摇包、煤柴灶及煮浆铁锅、木榨、石块脱水等。50年代以后,豆制品加工设备有了很大进展,且在原有传统食品加工设备的基础上,改进、研制和发展了一系列新兴的大豆蛋白食品加工设备。日本豆制品生产设备发展比较快,已基本上实现了豆腐、豆奶生产过程的机械化,而且正在向自动化方向发展。美国主要利用低温脱溶豆粕生产各种大豆蛋白食品,采用机械化、自动化程度较高的设备。
大豆制品加工设备按豆制品加工工艺的不同,有不脱脂豆制品加工设备与脱脂大豆蛋白质加工设备之分。不脱脂豆制品可分为非发酵豆制品与发酵豆制品,其中非发酵豆制品加工设备主要用于豆浆及其再制品的加工,如豆奶、豆腐、百叶、油炸豆制品、腐竹、豆粉、速溶饮料等;发酵豆制品加工设备主要用于酱油、腐乳、豆豉、酸豆奶等制品的加工。脱脂大豆蛋白质加工设备主要用于浓缩、分离、组织状以及纤维状大豆蛋白的加工。
豆腐生产设备 包括将大豆清选、磨浆、滤浆、煮浆、凝固、压型等一系列过程所需的设备。常见的工艺流程如图1所示。

图1 豆腐生产工艺流程


清洗设备 用来清除大豆中的杂物,有干选和湿选两种方法。干选通常采用组合清理机,主要由风选、筛选、比重去石、磁选四部分组成。湿选是利用大豆与杂物的比重不同,在水中沉浮的办法进行清选的。它既有清除杂物又有清洗大豆表面的作用。按工作原理不同,分为沉降式和旋流式两种清选装置。沉降式是一个与水平面呈30°倾角的流槽,长4~5米,槽底每隔1米设有贮存比重较大的金属杂质和石子的凹斗,在水中冲洗的大豆,沿槽流至末端金属网上,沥去表面水。旋流式是将大豆和水以大约1:3的比例放入洗豆槽,经输送泵送入旋风分离器,豆水混合物由分离器上部排出,比重大的石块等杂物留在分离器底部,由阀门定期排出。
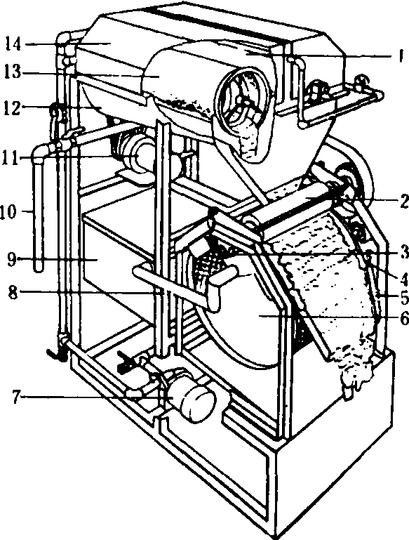
磨浆设备 用来将浸泡膨胀后的大豆磨制成沫糊浆,使其细胞膜破裂,蛋白质溶于水中。常用的是片磨和锤式粉碎机。片磨通常有石磨、钢磨、砂轮磨之分,通常采用能使浆渣自动分离的砂轮磨。图2是砂轮磨浆机。

图2 砂轮磨浆机

1.料斗; 2.调节手轮;3.上固定盘;4. 上磨片; 5.下磨片; 6.下固定盘;7. 法兰盘; 8.电机; 9.机座; 10.螺母; 11.垫片; 12.压紧环;13.上磨箱; 14.下磨箱;15.出料口;16. 主轴


滤浆设备 从沫糊(又称豆糊)中提取豆浆的设备。按滤浆方式不同,可分为筛分式、离心式和挤压式三类。使用的滤网一般为27~47孔/厘米。筛分式有振动平筛和旋转圆筛等。离心式浆渣分离机的工作部件是内表面安装着滤网的锥形转鼓(筛篮)。转鼓小端内部设有与进料管相通的分配盘。沫糊从进料管流到高速旋转的分配盘时,在离心力作用下,均匀地沿转鼓内表面从小端向大端移动。豆渣沿滤网不断地被推向转鼓大端而排出,豆浆则穿过滤网流向外壳,集中排出。挤压式浆渣分离机有等螺距变直径和等直径变螺距两种。沫糊由螺旋推向压力门的过程中,由于螺距间空间容积逐渐减小,沫糊受挤压,豆浆经筛筒滤出。豆渣被螺旋推至端部,挤压弹簧压力门而排出。调压弹簧用以控制滤净所需的压力。图3是日本豆制品生产线比较常用的一种筛分与挤压组合滤浆设备。沫糊先经圆筛滤出第一道浆(存入豆浆罐),再将所得的渣稀释,经挤压胶辊与滤浆筒挤出浓度低而含细渣的豆浆,此浆流入沫糊罐与沫糊混合,再泵送到滤浆圆筛过滤,以降低豆渣中残留的蛋白质。

图3 组合滤浆机

1.洗涤用蒸汽管;2.加压橡胶辊;3.接浆槽;4.刮板;5.豆渣接受板; 6.滤浆筒;7.泵; 8.输浆管; 9.沫糊罐; 10.豆浆取出管;11.电机; 12.豆浆罐;13.滤浆圆筛;14.滤浆圆筛罩


煮浆设备 专用于加热煮沸豆浆,使浆中蛋白质受热,适度变性,并使大豆中生理有害物质失去活性,杀死细菌并消除豆腥味。煮浆设备有间接加热和直接加热两种方式。间接加热的热效率低,易结垢。直接加热使用蒸汽,热效率高,不结垢,但蒸汽需要过滤。按煮浆温度分为常压式(100℃以下)和密封加压式(100℃以上);按煮浆过程分为连续式和间歇式。连续式煮浆罐,罐径为0.5米,罐高由0.65米递减0.08米的5只罐组成,相邻两罐间用溢流管相连通,5只罐的温度分别为40℃、60℃、80℃、90℃、95~98℃,每小时可煮浆5~7吨。移动隔板式连续煮浆机,煮浆机为一断面呈U形的长槽,其中安装有由链条带动的隔板,豆浆在隔板的推动下,依次经过U形槽底3个温度不同的蒸汽室,完成蒸煮过程。隔板边缘有橡胶密封条,与U形槽底形成密封,避免生浆与熟浆相混。
凝固设备 在熟浆中添加凝固剂,使其成为凝胶物的设备。手工凝固一般采用陶土缸和保温的金属容器,人工搅匀凝固剂。自动凝固设备则包括豆浆及凝固剂的定量装置、凝固桶、传动装置、凝固搅拌器、破脑器和成型箱等。
压榨脱水设备 将豆腐脑中的黄浆水压出,并使其成型的设备。压榨脱水设备可利用重物、手动或电动螺旋、液压或气动等方法进行加压,有断续加压和连续加压之分。断续式空气加压脱水机,由水平回转的型箱传动链及其上方的一系列压榨气缸组成。型箱在一定时间内依次从每个不同压力的气缸下面通过,受到压榨型箱进入端的气缸压力较小,而排出端的压力较大。连续式空气加压脱水机的结构与断续式基本相似,只是在压榨过程中,压力部件与型箱始终保持接触,一起同步移动。
豆奶生产设备 可将大豆直接制成豆奶,其工艺流程如图4所示。全过程中使用的主要设备包括脱皮机、磨浆机、浆渣分离机、调合搅拌罐、杀菌除臭装置和高压均质机等设备。其中磨浆、分离与豆腐加工使用的设备相同。一般采用干法脱皮,相应的脱皮机由烘干、破碎、风选分离三部分组成。通常采用的破碎设备如图5。脱皮后的大豆放在筒形容器内,通人蒸汽短时间加热或用碱性热水浸烫,使大豆中的脂肪氧化酶钝化。调合搅拌罐将加入豆奶的植物油、糖、钙等成分搅拌均匀,可制成不同风味的豆奶。杀菌除臭装置通常由一个可使豆奶与140℃的高压蒸汽进行短时热交换的加热器,以及用以减压脱臭的脱臭罐所组成。

图4 豆奶生产工艺流程

图5 干法脱皮用破碎设备

均质机的作用是使浆液混合物颗粒达到均匀细化的目的。主要包括高压泵、反压装置和均质头。均质头的工作原理如图6所示。豆奶混合液由高压泵送入外环与芯子之间的缝隙,在此细缝中,混合液受阻,高压能被转化成动能,混合液颗粒受到极大的剪切力和冲击力等作用,达到均质的目的。

图6 均质头剖面


豆粉类食品生产设备 将大豆加工成粉末状食品的设备。通常有两大类型,一类是制豆腐粉(生豆粉)的设备,另一类是制速溶豆腐粉(如豆乳粉、豆乳晶)的设备。豆腐粉的生产设备包括清选机、脱皮机以及粉碎机等。粉碎机结构与加工饲料用锤片粉碎机类似(见饲料粉碎机)。当带锤片的转子高速旋转时,依靠锤片对大豆的打击、剪切、摩擦作用,使大豆破碎成粉。利用调节控制轮与衬套的间隙可调节豆粉的粒度。粉粒在风机负压的作用下被沿轴向吸出,由旋风分离器收集。速溶豆粉饮料生产设备与豆奶生产设备基本相同,只是将豆奶再进行浓缩,然后制成不同的产品。豆乳粉是将浓缩豆奶进行喷雾干燥制得的产品。常用离心喷雾干燥机(图7)进行干燥。即浓缩后的豆奶液在高速旋转的喷雾器产生的离心力作用下,散成细微的乳滴,通过干燥机内热风干燥成粉状。生产豆乳晶常用的是真空烘箱,其内部装有多层密闭式蒸汽加热板,盛有浓缩的豆奶液的烘盘与加热板相接触,直接传递热量而使豆奶液处于负压下被加热干燥,形成膨化的豆乳晶。

图7 离心喷雾干燥机


大豆蛋白生产设备 从脱脂大豆粕中提取大豆蛋白的设备。主要包括生产浓缩大豆蛋白,分离大豆蛋白和组织状大豆蛋白的设备。
浓缩大豆蛋白生产设备 将脱脂豆粕浸于稀酸或酒精中,经过分离机提取沉析,清洗沉析及中和处理,然后干燥制得产品的设备。稀酸浓缩蛋白质的工艺流程如图8所示。其中关键设备之一是碟式离心机,它将所需沉析的浆状物与可溶性糖及其它可溶性物质,以及水洗废液分离。最终产品采用喷雾干燥机干燥。浓缩大豆蛋白的蛋白质含量达到70%以上。

图8 稀酸浓缩蛋白流程


分离大豆蛋白生产设备 将低温脱脂豆粕在水或碱液中溶解,用离心机去除残渣,用酸沉析蛋白,经水洗,中和及干燥制得大豆蛋白的设备。分离大豆蛋白的蛋白质含量可达到90%以上。分离大豆蛋白的工艺流程如图9所示。

图9 分离蛋白生产流程


组织状大豆蛋白生产设备 将脱脂、半脱脂、全脂豆粕或浓缩大豆蛋白粉进行挤压、膨化,使制品结构组织化的设备。膨化机是生产组织化大豆蛋白的关键设备之一。它使蛋白物料在水分、压力、热和机械剪切力的共同作用下产生大豆蛋白组织结构化和熟化的过程。
随便看

 

离鸟网收录3541549条中英文词条,其功能与新华字典、现代汉语词典、牛津高阶英汉词典等各类中英文词典类似,基本涵盖了全部常用中英文字词句的读音、释义及用法,是语言学习和写作的有利工具。

 

Copyright © 2004-2024 vtrois.com All Rights Reserved
更新时间:2026/4/7 0:00:32