拖拉机传动系transmission system of tractor将发动机动力按需要传给拖拉机驱动轮和动力输出轴的全套装置。可分为机械式和静液压式两类。前者由离合器、变速箱、中央传动、差速器(转向离合器)、最终传动等组成;后者主要由高压油泵、液压马达等组成。机械式传动系为有级变速,液压式为无级变速。传动系的主要作用是:能随时接合或切断动力,实现变扭变速,使拖拉机获得所需行驶速度和牵引力。 
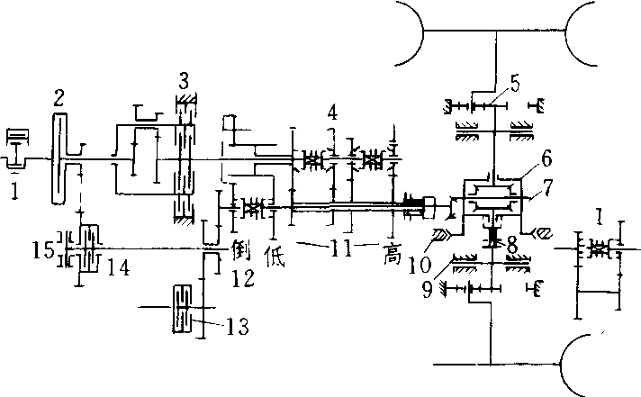
轮式拖拉机传动系统 1.发动机 2. 主离合器 3. 动力换档快/慢 4. 主变速 5. 最终传动 6. 中央传动与差速器 7. 动力输出轴 8.差速锁 9.行车制动器 10.停车制动器 11.组成式变速箱 12.分动箱 13.前桥驱动离合器 14. 动力输出轴离合器 15. 动力输出轴制动器 |