网站首页  词典首页


请输入您要查询的字词:

 

字词 暗沟犁
类别 中英文字词句释义及详细解析
释义

暗沟犁earth mole

在地下用塑孔器挤压土壤形成地下排水渠道(即暗沟)的机具,又称鼠道犁。
类型 按与拖拉机的挂接方式分有牵引式与悬挂式;按工作部件分为振动式与非振动式。
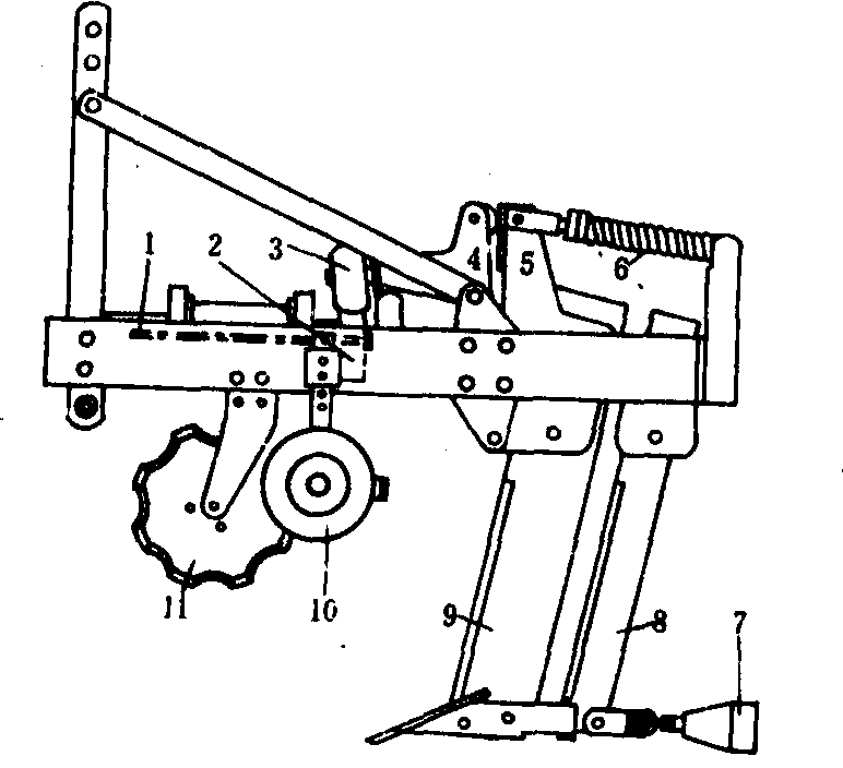
振动暗沟犁 结构如图。常用锥形塑孔器塑孔和板式刀片开缝。由于土壤的挤压和摩擦阻力很大,为减少牵引阻力,通常使塑孔器或切土刀柱在振动状态下工作。工作时,由拖拉机动力输出轴将动力传给振动凸轮,旋转的振动凸轮带动从动滚轮上下振动。与从动滚轮相联的振动架围绕支点作前后振动,即带动刀刃切割土壤,振幅为30毫米左右。由于高频振动切割土壤,可以减轻阻力10~30%。塑孔器在振动刀刃开过的膨松土壤中,挤压土壤形成排水暗沟。压缩弹簧的作用是保持振动凸轮与从动凸轮接触时不产生冲击噪音。圆盘刀带有锯齿,对坚硬土与带有稻秆的地块,有较好的适应性,并减少阻力。限深轮控制深度,配置在刀刃的前方时用一个限深轮;配置在刀刃的后方时则用两个限深轮。传动部件为万向节传动轴经齿轮传动或采用液压传动。

振动暗沟犁示意图

1. 输入轴;2. 振动凸轮;3. 从动滚轮;4. 振动架;5. 振动刀刃安装附件;6. 压缩弹簧;7. 塑孔器;8. 固定刀刃;9. 振动刀刃;10. 限深轮;11. 圆盘锯齿刀刃


非振动式暗沟犁 主要由机架、切土刀柱和塑孔器组成。作业时,切土刀柱开出窄缝,其下端带有炮弹状的塑孔器沉入土中,靠塑孔器挤压土壤形成暗渠。其截面多呈圆形,直径为80~100毫米,距地表的深度为30~80厘米。当地下水渗到暗渠时即可排除。暗渠排水不占耕地,排水效果较好。
主要工作部件 是塑孔器,有单面楔、双面楔(与切土刀柱固定联结)和圆锥头(与切土刀柱是挠性联结)三种型式。塑孔器为一个或两个前后相连的流线型圆柱体,刚性或柔性联结在切土刀柱的下部。塑孔器用高强度、高耐磨性钢材制造,由锥头、圆柱体、尾部组成。锥头的锥角对于泥炭土采用35°~50°;对于矿物质土壤采用40°~55°。圆柱体部分的直径为80~120毫米,其长度,泥炭土为直径的1.5倍,矿物质土壤为150~200毫米。尾部长度为20~50毫米;尾部锥角为20°~25°。切土刀柱对地面的后倾角,对于矿物质土壤,极限切削角为70°~85°,泥炭土的极限切削角为100°~130°。

暗沟犁

mole plough

随便看

 

离鸟网收录3541549条中英文词条,其功能与新华字典、现代汉语词典、牛津高阶英汉词典等各类中英文词典类似,基本涵盖了全部常用中英文字词句的读音、释义及用法,是语言学习和写作的有利工具。

 

Copyright © 2004-2024 vtrois.com All Rights Reserved
更新时间:2026/4/9 15:06:09