网站首页  词典首页


请输入您要查询的字词:

 

字词 木材流变特性
类别 中英文字词句释义及详细解析
释义

木材流变特性rheological behavior ofwood

木材在受力后,随时间的推移所表现的应力和应变的定量关系。木材作为结构材料在其应力低于弹性极限时,以往被看作是弹性固体,这在实用上是适合的,但对于所谓“弹性固体”的木材,在力的长期作用下,可观察到它的非弹性性能,如木梁受长期荷载作用所产生的挠度,当卸去荷载以后,其挠曲变形仍有部分不可恢复。木材流变力学指出:木材受荷载一定时间后再卸载,变形的一部分会立即恢复,即所谓弹性变形部分;另一部分则随时间推移而逐渐恢复,最终还有一些变形则将永久保留着。这些与时间有函数关系及永久保留的变形称粘弹性变形。通常木材受弯曲荷载,并在应力和应变不大的情况下,可用线性的粘弹性描述,亦即弹性效应服从于虎克定律,粘性效应则服从牛顿流体定律。
木材流变学主要研究以时间为函数的有关应力和应变,以及与之有相当大影响的两个其他变量,即含水率和温度。对于木材高聚物来说,水即相当于塑料高聚物的柔韧剂,材料取决于时间的力学性能,为人们最熟悉的是蠕变和松弛两个现象。
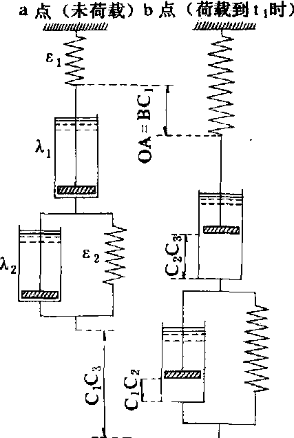
流变学中为近似而定性地模拟物体的力学特性,用一些理想的力学单元组成模型,按其作用力与变形的关系,导出物体的流变方程。通常,单元中用完全弹性的弹簧比拟弹性性质;粘性性质则与减震器即阻尼器相似。木材的弹性区和粘性区是结合起来的,是木材内不同的解剖分子和胞壁的化学组成总的表观体现。木材高度晶态的纤维素单独存在时具弹簧的性质,而无定形的木质素单独存在则表现出减震器的性质。然而,木材在一定的应力一应变的范围内,也确有不少情况可按弹性及粘性单元,以部分串联或部分并联所得的力学模型加以表达。对于木材或某些高分子聚合体来说,表示串联和并联的弹性及粘性单元的配置图(见图),是一个简化的,但又令人满意的力学模型。这一模型按照以荷载时间为函数的弹性一塑性体的变形,描述了应力—应变性能。图中a是表示未荷载时,图中b表示加荷载到t1时,所引起的总应变(ε)由下列组分构成:
ε=BC1+C1C2+C2C3=εeleapl
式中 εel为瞬时弹性变形;εea为推迟弹性变形;εpl为塑性变形。

表示串联和并联的弹性及
粘性单元的配置自北原觉一,1974


现在考虑弹性与粘性单元串联和并联交替配置的恒应力一流动曲线,理想的弹性体在恒应力(σ)下的变形(ε)不随时间而变化,根据虎克定律ε=σ/E代表弹性模量,可推导出流动曲线E=f(t)=常数:


式中 dε/dt为应变速度,dσ/dt为应力变化速度。
若物体是粘性的,并具有牛顿液体的性质,变形与时间成比例,则

式中 η为粘性系数,当材料具有弹性单元与粘性单元串联时,其流动速度按下式计算:

上式为流变学基本公式,包含了理想的粘性流动条件,并可写为为常数。由于这一方程是线性微分方程,故称为线性粘弹性方程。以此方程所描叙的以时间为函数的应力和应变特性,称为线性粘弹性。

木材流变特性rheological behavior of wood

木材在受力后,随时间推移所表现的应力和应变的定量关系。木材受荷载一定时间后再卸载,变形的一部分会立刻恢复,即所谓弹性变形部分;另一部分即随时间推移而逐渐恢复,最终还有一些变形将永远保留。这些与时间有函数关系及永远保留的变形称黏弹性变形。通常木材受弯曲荷载,并在应力和应变不大的情况下,可用线性的黏弹性描述,亦即弹性效应服从虎克定律,黏性效应则服从牛顿流体定律。木材流变学主要研究以时间为函数的有关应力和应变,以及与之有相当大影响的含水率和温度两个变量。对木材高聚物来说,水相当于塑料高聚物的柔韧剂,材料取决于时间的力学性质,为人们所熟悉的是“蠕变”和“松弛”两个现象。

随便看

 

离鸟网收录3541549条中英文词条,其功能与新华字典、现代汉语词典、牛津高阶英汉词典等各类中英文词典类似,基本涵盖了全部常用中英文字词句的读音、释义及用法,是语言学习和写作的有利工具。

 

Copyright © 2004-2024 vtrois.com All Rights Reserved
更新时间:2026/4/9 9:41:59