网站首页  词典首页


请输入您要查询的字词:

 

字词 白兰地
类别 中英文字词句释义及详细解析
释义

白兰地bái lán dì

用葡萄、苹果等汁酿成的酒。[英] brandy。1828年,马礼逊在《广东省土话字汇》中将 brandy 译作“罢阑地酒”,这是 brandy 的早期译名。此后,有关 brandy 的汉译名出现过很多,有音译的,有意译的,也有音意兼译的。◇伯兰地、白兰提、巴兰地、拔兰地、勃兰地、罢兰地、罢兰的、罢兰地酒、罢阑地酒、孛兰提酒、菩兰提、巴兰地酒、菩兰提酒、卜蓝地酒、布兰的酒、墨兰地酒、泼兰地酒、黄火酒、葡萄烧酒、葡萄火酒、白兰地酒、白兰提酒、勃兰提酒、勃兰第酒、勃兰地酒、伯兰地酒。19世纪七八十年代,“白兰地”一词已经见诸文献,如1879年杨少坪《增广英字指南》卷四:“Brandy,白兰地。”1883年黄式权《淞南梦影录》卷四:“酒有舍利、火克斯、白兰地、皮卤、香饼诸名目,每瓶自半元起,至五六元不等。”

白兰地brandy

以葡萄为原料,经发酵、蒸馏、陈酿制成的蒸馏酒。其他果实的蒸馏酒称水果白兰地, 并冠以水果名称, 如樱桃白兰地、苹果白兰地等。制品有高浓度白兰地和饮用白兰地两类, 前者含酒精80~94.5度, 供果酒调整用; 后者含酒精40~55度, 供饮用。
加工过程 主要是原料酒的酿制、蒸馏、陈酿和调合(勾兑)。
原料酒的酿制 白兰地的酿制首先是将原料酿制成原料酒,而后再行蒸馏。白兰地的酿制原料有两种,一种是鲜果, 另一种是榨粕和酒脚。鲜果原料常利用不适于酿制葡萄酒的葡萄品种制作, 榨粕白兰地对葡萄品种无一定要求。
原料酒的酿制可参照葡萄酒, 但酿制上不应加用亚硫酸,以免蒸馏时二氧化碳还原为硫化氢等硫化物,损害酒质。此外, 前发酵完毕后即可蒸馏, 无需除渣和后发酵。酿成原料酒约含酒精6~10度。
蒸馏 是白兰地酿制的主要工艺流程, 对产品质量和产量有较大影响。原料酒组成复杂, 蒸馏即在于分开酒液中的挥发性组分和非挥发性组分, 并提高酒精度。反复蒸馏可进一步分馏挥发性组分和提高酒精度。但酒精以外的某些挥发性组分能赋予白兰地以优良风味和香气, 因此蒸馏时应尽量除去乙醛等毒性较大、刺激性较强的组分, 同时保留较多酯类和缩醛,以及部分杂醇油。
原料酒中的挥发性杂质,依其沸点高低分为:❶头级杂质。沸点低于酒精, 主要是乙醛, 此外为少数醛类和酯类,如乙酸乙酯和甲酸乙酯等。
❷中级杂质。沸点与酒精相近, 主要是甲醇, 以及少数酯类, 如异丁酸乙酯和异戊酸乙酯等。
❸尾级杂质。沸点高于酒精,主要是各种高级醇, 如戊醇、异丁醇和己醇等; 此外尚有各种有机酸, 其中主要是醋酸。
蒸馏时酒液中能相互混合的组分,例如酒精和水,则蒸气压低于这两种纯组分单独沸腾时的蒸气压的总和。蒸馏的沸点决定于混合液中这两种组分的比例和糖分等其他可溶性物质的含量。当较易挥发组分的含量较大和糖分等含量较低时, 沸点较低。蒸馏时气相中较易挥发的组分的含量高于原液, 因此酒液蒸馏后能提高酒精浓度。
蒸馏时酒液中不能相互混合的组分, 例如水和戊醇, 则能沸腾于其中任一纯组分的沸点温度。气相中组分的相对含量决定于组分的相对挥发性, 而与原液中各组分的含量无关。因此,低浓度酒液中的戊醇,蒸馏时也能聚集在前馏液中。
据以上情况,酒精蒸馏时, 除酒精能逐渐馏出外,杂醇油和若干酯类当有水存在时也能同时馏出, 集中于前馏液中; 若无水存在, 则各依其沸点高低顺次馏出, 集中于后馏液中。沸点低于酒精的乙醛等头级杂质能及早馏出, 沸点与酒精相近的中级杂质与酒精同时馏出。
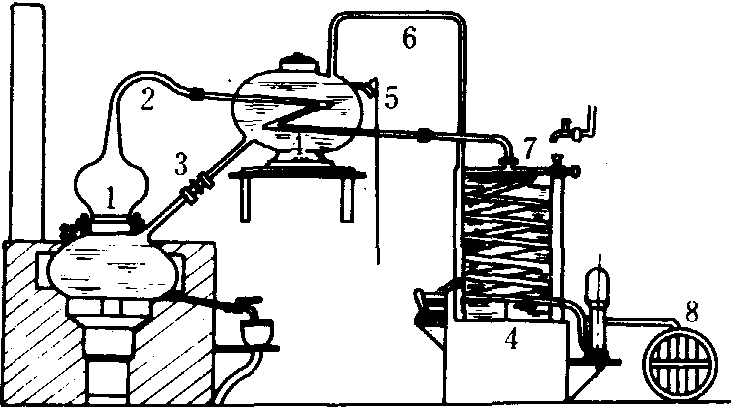
酒精蒸馏有罐式和塔式两种, 在白兰地酿制上以罐式蒸馏为主。罐式蒸馏器(见图)由蒸馏器、预热器和冷凝器所组成。塔式蒸馏器即酒精蒸馏塔。塔式蒸馏用以制取高浓度白兰地,特点是操作连续化, 酒度稳定, 酒度高, 有分馏作用, 但所得白兰地与酒精无多大差别, 风味和香气较差。罐式蒸馏用以制取饮用白兰地, 特点是操作不能连续, 无分馏作用, 酒中芳香物含量高, 风味和香气较好。

罐式蒸馏
器1. 蒸馏罐; 2. 鹅颈管; 3. 温酒进管; 4. 预热器;5. 冷空气管; 6. 回收酒气; 7. 冷凝器; 8. 白兰地


罐式蒸馏时随着蒸馏的进行, 原料酒中的酒精含量逐渐下降,馏出液或气相中的酒精含量也随之下降;且罐式蒸馏并无分馏作用, 不能除去乙醛和杂醇油等不良组分。为此, 蒸馏时必须适当地除去前馏液和后馏液, 以保持适当的酒度和品质。蒸馏时自冷凝器流出的酒液温度以不超过20℃为宜, 以免造成过多的挥发物损失。蒸馏的终点以原料酒中酒精浓度下降到1%为度。分出的前馏液和后馏液可回加于下一次蒸馏的原料酒中, 或另作处理。罐式蒸馏可以只蒸1次, 或反复蒸馏2次, 是依原料酒浓度和白兰地质量而定。
陈酿 新酒具有强烈刺激味, 不适于饮用, 成熟后才有良好的风味和香气。白兰地的酒精和挥发性杂质含量较高,自然陈酿成熟需时较长, 一般为4~5年。
白兰地陈酿成熟的原理和方法与果酒相同。白兰地陈酿过程中酒液蒸发损耗大于发酵酒。化学成分上,抽出物、酸分、缩醛和酯类的含量有所增加, 而醛类和杂醇油相对减少, 因此品质显著改进。
白兰地人工成熟可归纳为两个不同的过程: 除去新酒不良气味过程; 酯化和聚合两种作用下改进风味的过程。但这两个过程的反应速度略有不同, 除去新酒不良气味的过程略慢于改进风味的过程。人工成熟法中的还原法能加速新酒味的除去, 而氧化法有助于风味的改进。主要的人工成熟法有吸附洗提法、还原法、空气氧化法以及氧化氮法、电解法、射线辐照法等。
调合 陈酿成熟后的白兰地, 由于原料产区、原料酒、蒸馏年份的差别, 酒质并不一致, 故装瓶前需要调合。其作用在于增进白兰地的陈酒风味和色泽。调合方法和配方各有不同。例如,先按蒸馏年份和桶别,通过评味后加以混合,而后在每100升酒液中加入西洋杉片或苦扁桃杏、核桃、李的葡萄酒浸出液500毫升,用以增进抽出物含量和香味。最后再用焦糖着色, 使酒液具有黄亮的色泽。调合后即可装瓶。
白兰地酒精含量一般以40~41度居多, 抽出物约0.2~0.8%, 每100升纯酒精含醛0~12毫克,酸(以醋酸计)20~40毫克,酯(以乙酸乙酯计)72~160毫克,杂醇油125~254毫克, 甲醇0~200毫克。

白兰地

将葡萄汁经发酵蒸馏所得的馏液,进行再加工制成的蒸馏酒。酒度30~43度。最早是10世纪在埃及开始的。法国在12世纪的文献里记载了一种“易燃的水”,13世纪取名“生命之水”,即今白兰地。16世纪开始白兰地的商品生产。

白兰地

英文brandy的音译。一种以葡萄为原料制成的蒸馏酒。又称“蒸馏葡萄酒”。原产于法国。酒精含量40%左右。色金黄,味甜香醇和。质量与陈酿条件及时间的关系极为密切,一般为橡木桶贮放四五年,多者达数十年。(用其他果实为原料制成则冠以果实名称,如“苹果白兰地”)

白兰地

白兰地

英文brandy的音译名。用白葡萄酒或红葡萄酒酒脚,以及用葡萄皮、渣经蒸馏陈酿而制成的酒。原产法国,产量最多。酒度多在38~43°之间,色泽金黄,清香浓郁。现我国已有很多酒厂引进国外技术生产白兰地。我国烟台张裕葡萄酿酒公司生产的白兰地,1915年在巴拿马国际博览会上获得金奖,因而得名“金奖白兰地”,以后又于1963年、1979年、1984年多次被评为国家名酒。

☚ 葡萄酒   啤酒 ☛

白兰地

brandy

随便看

 

离鸟网收录3541549条中英文词条,其功能与新华字典、现代汉语词典、牛津高阶英汉词典等各类中英文词典类似,基本涵盖了全部常用中英文字词句的读音、释义及用法,是语言学习和写作的有利工具。

 

Copyright © 2004-2024 vtrois.com All Rights Reserved
更新时间:2026/4/9 9:17:34