网站首页  词典首页


请输入您要查询的字词:

 

字词 矢线图法
类别 中英文字词句释义及详细解析
释义
矢线图法

矢线图法Arrow Diagram

拟订日程计划和进行进度管理的网络图方法。它是计划评审技术与关键路径法在质量管理中的应用。矢线图把所有工作或作业组织成为一个系统,便于从整体上计划与协调,既是一种有效的计划方法,又是一种组织和控制生产的手段。任何一项工程或计划,都需要很多具体的作业或工作来完成,而这些作业或工作之间的关系往往是错综复杂的,若要将它们按照其内在规律进行有序的组织和安排,使各项作业活动顺利进行,使计划如期完成,就需要矢线图这一工具。
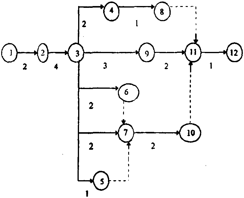
矢线图主要以圆圈、箭线和虚箭线构成,如图9-16所示。圆圈是结点,即两条或两条以上的箭线的结合点,它只是一个符号,表示其前面箭线所代表工作的终结和后面箭线所代表工作的开始;第一个圆圈表示工程或计划的作业开始,而最后一个圆圈表示全部作业的完成,即工程的中止;箭线表示作业,它需要消耗资源和时间,箭线上的数字表示完成工作所需要的时间,箭头从工作起始指向工作结束,它的长短与时间不成比例,可长可短,但不能中断;虚箭线只表示工作间的相互关系,即工作时间为零的实际上并不存在的作业,用来消除含糊的现象。


图9-16 矢线示意图


矢线图的做法是:(1)确定完成计划或工程所需的各项工作或作业;(2)分析各工作或作业间的相互关系,比如,在作业A和B间,当B工作的开始必须以A工作的结束为前提时,A工作即为B的先行工作;若规定A一完成就开始B时,B就为A的后续作业;若二者能够分别进行或被规定分别进行时,则为并行作业;(3)按其相互关系,用箭线连接,从起始指向终结;(4)估计各项工作的完成时间,将之标于箭线上,常用的方法是三点估计法,即把作业时间分成三种情形:乐观时间a,最可能时间m和保守时间b,按T=(a+4m+b)÷6计算得出;(5)通过计算和分析,掌握关键线路,以便为其安排充分的资源,集中力量解决瓶颈问题。
☚ 过程决策程序图法   正交试验 ☛
矢线图法

矢线图法

质量管理的“新七种工具”之一。它实际上是网络计划法在质量管理中的具体运用,即用网络计划法来编制质量管理工作计划,找出质量管理工作的关键,并进行进度控制。其基本原理和方法与网络计划法相同。(参见网络计划法)

☚ PDPC法   全员设备管理 ☛
00005854
随便看

 

离鸟网收录3541549条中英文词条,其功能与新华字典、现代汉语词典、牛津高阶英汉词典等各类中英文词典类似,基本涵盖了全部常用中英文字词句的读音、释义及用法,是语言学习和写作的有利工具。

 

Copyright © 2004-2024 vtrois.com All Rights Reserved
更新时间:2026/4/7 3:47:59