网站首页  词典首页


请输入您要查询的字词:

 

字词 茶树根系
类别 中英文字词句释义及详细解析
释义

茶树根系root system of tea tree

茶树的营养器官之一, 由胚根发育而来的体轴的地下部分,是构成茶树整体的重要部分。根系分布于地下,主要功能是把茶树固定于土壤和支持地上部, 并从土壤中吸收水分和溶于水中的无机养料, 贮藏生命活动所形成的营养物质。
根的生长特性、分布规律、生长活动是制订茶园管理技术措施的重要依据。
根系生长特性 茶树根系由主根、侧根、细根和根毛组成, 主根由种子的胚根发育而成,它垂直向下伸入土中,生长时其生长点细胞向外形成根冠组织,向内形成伸长组织, 使根尖在土壤内伸展。茶树根尖每生长一个时期之后要休眠,休眠之后再生长。主根能不断深入土层, 侧根也不断发生, 即由主根上分生侧根和细根,细根上生出根毛, 使主轴形成分枝。主根粗壮, 其加粗生长和伸长生长是交替进行的, 当主根伸长受阻或被切断时, 它的部分侧根和细根就能迅速地向土壤深处伸展, 以代替主根作用。幼苗期、幼年期的茶树根系, 为明显的直根系, 主根发达, 侧根不多。在2足龄以前主根长度常超过地上部枝干的高度,3年生以后侧根开始向四周发展,至成年期, 根系逐渐由直根系类型变为分枝根系类型, 衰老期后, 形成新根能力迅速衰退, 根系由外向内逐步死亡, 仅留下骨干根, 保持分枝根系类型的骨架, 在根颈部及其蘖头基部发生大量细根, 形成不定根层。
茶树的侧根在主根上呈螺旋状排列, 侧根数目和木质部角的数目有关。侧根在垂直根上的螺旋状排列有不匀称的现象, 即在螺旋周的轮次之间有一定的距离, 致使侧根分布成为层状结构。一般根系深度分布在1米左右,可分为3~4层。3年生茶树根系就有两层侧根, 第一层侧根分布于离地面12~18厘米处, 不甚发达;第二层侧根一般分布于离地面20~25厘米处,而且外围的吸收根生长极为旺盛,厚度为10厘米或更厚。
茶根的再生能力极强, 对于衰老树的复壮, 不仅可以通过地上部树冠的改造, 而且也可通过深耕, 促使根系的更新,从而达到茶树复壮。茶根被切断后,首先是切口愈合, 然后再从切口处发生新根, 形成新的根系。
茶树根系的生长有向水、向肥和向阻力最小的方向伸长的特性。在株与株、丛与丛之间, 为了充分利用土壤中的水分和养料, 其侧根的着生有镶嵌或连生现象。有的茶树根颈部自然地靠接在一起。
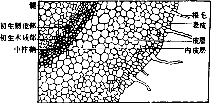
根系内部结构 茶树胚根的横切面上,可分为表皮原、皮层原、中柱原三个组成部分。胚根形态形成与其内部分化过程有密切联系,胚根生长区(生长锥)为分生组织, 伸长区为分生组织过度而成, 引长的薄壁细胞, 根毛区的表皮细胞则分化为许多根毛, 表皮下分化成皮层, 再下为中柱(图1)。茶树根系中柱的主要特征是木质部角并不向中央会合,髓十分发达。由于这个特点,使茶树主根可发育成肉质根的形态,以致幼苗期主根可起到贮藏器官的作用。侧根是内起源的,发生在维管束与木质部角处, 胚根内木质部角的数目与茶树品种有关,有6个、8个、12个的不同,木质部角多的胚根是茶树优良品种特征之一。茶根的中柱鞘在生长过程中转变为次生分生组织,而出现形成层,木栓形成层、侧根等。茶树侧根从中柱鞘新生细胞向外突出(图2), 形成侧根生长锥, 穿过皮层而生。形成层由木质部束和韧皮部束之间不分化的薄壁细胞转变,由形成层形成次生构造, 根因而加粗。形成层的不断向外分裂而生的次生韧皮部, 向内分裂出现次生木质部, 同时又形成以辐射方式分布于木质部和韧皮部的射线(图3)。随着地上部分的生长发育, 需要根系提供更多的水分和养分,使根系中柱鞘细胞继续分裂,形成木栓形成层, 向外分裂成为较厚的木栓层, 向内分裂形成1~2层薄壁细胞为栓内层。三者组成的周皮,在茶苗根部未出现,后随树龄增长而出现并渐次加厚,周皮形成后, 根的外面组织全部枯死。木栓层细胞壁栓质化, 排列紧密, 无细胞间隙, 不透水、气, 可防水分散失和病虫入侵。髓的大薄壁细胞, 其功能是贮藏养分, 在幼年期特别发达, 随树龄增长, 次生木质部充满了髓, 髓细胞壁加厚, 使茶树根部的支持作用不断得到加强。射线细胞有横卧、直立两种、是茶根中一些可塑性物质在半径方向转移的途径, 茶根射线随树龄增长, 由单列到多列。


图1 幼根横切面


图2 侧根发生


图3侧根、根毛横切
侧根横切(左): 1.木栓层 2.木栓形成层 3.栓内层
4. 韧皮部 5. 形成层 6. 多列射线7. 次生木质部 8.初生木质部
根毛横切(右): 1. 表皮 2. 皮层 3. 内皮层 4. 中柱鞘 5. 维管束


茶树根系的输导组织主要包括韧皮部的筛管和木质部的导管。筛管是锐端细胞, 每个筛管由上下连接的管状细胞组成, 横壁不消失而形成许多筛孔, 筛管之旁有伴胞。韧皮纤维常常木质化, 细胞壁厚, 细胞尖端常插入其他胞间,组合牢固。韧皮部中的圆形、长卵形细胞壁木质化的细胞, 随树龄增长而增多。木质部的导管是由一列纵轴向排列的细胞连接而成。到茶树衰老期可见到根系有一些水平向的横导管节片, 成年期则是倾斜向的。
根系的分布规律 茶树根系的生长与分布, 随着茶树生物学年龄的变化而变化, 幼苗期、幼年期有明显主根,而且垂直分布大于水平分布。在一般情况下,1年生茶树主根长20厘米; 2年生茶树垂直分布深40厘米,水平分布宽度30厘米: 3年生茶树根系垂直分布深55厘米,水平分布宽度60厘米: 4年生茶树根系垂直分布深70厘米, 水平分布宽度60厘米, 这时根幅与冠幅相对称。成年期的茶树, 侧根的数量愈来愈多, 已占根系组成中的主要部分,而且有的侧根变得很粗壮,与主根大小相似, 这时根系垂直分布都在1米以上, 水平分布已交叉密布行间。衰老期的茶树根系分布范围渐缩小, 根系由外至内逐步死亡,这时根幅小于冠幅
茶树吸收根的分布范围, 主要分布在土壤层10 ~30厘米, 吸收根量占总吸收根量的50%。幼年期到成年期吸收根垂直分布集中在20~30厘米, 水平分布集中在20~40厘米, 即由树干附近向行间发展。衰老期茶树吸收根垂直分布集中在10~20厘米, 水平分布集中在10~20厘米, 均呈向内向上减缩, 台刈之后, 吸收根又再次向外向下发展。
茶树根系的分布受生态环境、种植方式、品种类型和栽培措施等的影响而有变化。生长在地下水位较高的土壤里, 茶树主根常因渍水不能正常地向深处生长, 有的甚至引起主根腐烂, 并出现以侧根呈从状分布于土壤表层, 成为丛生根类型。在土层浅薄和有硬盘结构的上壤里, 丛生根系较为普遍,干燥沙质土壤,茶树根系一直保持直根系。生长在坡地的茶树, 吸收根大部分布在上坡一侧; 生长在洼地的茶树, 其主根因积水腐烂, 吸收根分布在表土层;生长在缺乏有机质死黄土里的茶树, 吸收根极不发达, 底土层有硬盘结构的, 根盘节错, 不能伸展; 生长在河谷冲积土的茶树, 主根有达2米以上; 生长在中性或微碱性土壤的茶树根系发育不良, 甚至在幼苗期就出现根系萎缩而死亡。种植方式的不同, 茶树占地范围不一样, 根系生长受到株与株, 丛与丛的限制。丛植的茶树侧根可向丛四周匀称的伸展; 单条植的茶树根系向两侧行间伸展范围较广, 而丛间伸展范围较窄;双条植茶树,根系向大行一侧伸展较好, 而向小行与丛间的伸展就较差。品种不同差异也大, 政和大白茶根系的分布深度比菜茶深18厘米, 侧根分布范围比菜茶大6倍。
此外由于耕作制度、土壤肥力等因素不同, 茶树根系的生育与分布也都表现有一定差异, 所以加强土壤管理是促进根系生育的关键性栽培技术。
根表的微生物和菌根 茶树根系的生育常与菌根共生, 即根表富有微生物并有菌根共生。茶树根表微生物有细菌、真菌和放线菌。根表微生物的数量均有随茶树年龄增加而减少的趋势;同龄茶树根的不同部位上则表现为活力较强、分泌物较多的吸收根表的微生物较多, 而侧根上相对较少。根系的分泌物和脱落物, 是微生物种群优势变化的主要因素。成年茶树根系的活力和代谢机能最强, 因而成年茶树根表上真菌和细菌也最多。茶树根系中有菌根存在, 茶树的菌根可分为内生菌根、外生菌根和外内生菌根。
随便看

 

离鸟网收录3541549条中英文词条,其功能与新华字典、现代汉语词典、牛津高阶英汉词典等各类中英文词典类似,基本涵盖了全部常用中英文字词句的读音、释义及用法,是语言学习和写作的有利工具。

 

Copyright © 2004-2024 vtrois.com All Rights Reserved
更新时间:2026/4/8 11:57:32