网站首页  词典首页


请输入您要查询的字词:

 

字词 草籽收获机
类别 中英文字词句释义及详细解析
释义

草籽收获机grass seed harvester

收获牧草种子的机械。由于大多数草籽具有特殊的生物学特征。如:在植株上生长位置分散,不成穗,同株籽粒成熟期不一致; 或几何尺寸小、重量轻; 或带绒、带芒; 或种荚埋于土壤表层中等,所以一般的谷物收获机不能适用。专用的草籽收获机主要有如下几种型式。
采摘式草籽收获机 在不割倒牧草的情况下,收获草穗或草籽的机械。由拨禾轮和切割器,或拨禾轮和脱粒器组成。工作时利用拨禾轮将草穗喂入切割器,并将切下的草穗进行收集,或利用拨禾轮将草穗喂入脱粒器,将穗上的草籽脱下收集。这类收获机适合于收获草籽在穗上生长且成熟度比较一致的禾本科牧草,如碱草、黑麦草、无芒雀麦等。
气吸式草籽捡拾清选机 利用气吸管捡拾起地上的种荚并进行脱粒清选的机械。由吸管式捡拾器、脱粒器、输送装置、清选装置和种箱等组成(图1)。在收获前需先进行牧草的切割、集条来清理地面,并用反装轻型钉齿耙或木叉将埋在土下的种荚清出地面,吸管式捡拾器吸入带荚种子和小杂物,通过纹杆式脱粒滚筒脱粒,再通过由旋风分离器、往复筛箱和旋转筛等组成的清选装置清选,清洁种子被送入种箱贮存。整个输送过程皆由气流式输送器进行。这种收获机适于收获三叶草籽和苜蓿草籽,它对收获前地面处理要求较高,适应范围也较窄。

图1 气吸式草籽捡拾清选机

1.吸管式捡拾器; 2.脱粒器; 3.旋风分离器; 4.排气口; 5.清洁种子箱; 6.主输送装置风机; 7.种子输送装置风机; 8.筛选风机; 9.旋转筛; 10.筛箱


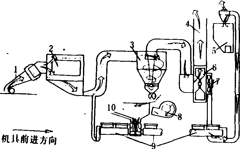
装捡拾器的草籽联合收获机 用于捡拾割倒风干的带籽牧草并进行脱粒清选的机械。和分段收获用谷物联合收割机相比,其特点是用弹齿带式来代替普通的弹性指转筒式捡拾器,利用由两组速度不同的胶带组成的脱粒装置来代替普通的滚筒式脱粒装置,分离清选部分包括逐稿器、两级气流分选器和一个立式旋转筛(图2),其脱净率高、破碎率低、清选质量好,适用于收获黑麦草、早熟禾、绛三叶、苜蓿等牧草种子。

图2 装捡拾器的草籽联合收获机

1、5.升运器;2.旋风分离器; 3.立式旋转筛; 4.粮箱;6、12.风机; 7.输送器; 8.逐稿器;9.胶带脱粒装置;10.喂入装置; 11.弹齿带式捡拾器


中国的草籽生产尚不普遍,草籽收获机使用不广。随着草原改良和人工草场建设的发展,草籽收获机特别是装捡拾器的草籽联合收获机将得到相应的发展。

草籽收获机hay seed harvester

收获牧草种子的机械。牧草种子的生物特性比较复杂,一般在植株上不成穗,生长位置不集中,成熟期不相同;有的种子成熟后落在地表层,且大部分种子几何尺寸小、重量轻,因而收获工艺有分段收获法、直接收获法、落地收获法等。多数采用经改装的谷物联合收割机分段收获,也有研制成专用的牧草种子收获机以收获落地的种子。由捡拾、脱粒、清选等部分组成。捡拾器采用气吸式,高度可调节,其他部分的工作原理与谷物联合收割机相同,只是改变工作参数,以适应草籽收获的需要。

随便看

 

离鸟网收录3541549条中英文词条,其功能与新华字典、现代汉语词典、牛津高阶英汉词典等各类中英文词典类似,基本涵盖了全部常用中英文字词句的读音、释义及用法,是语言学习和写作的有利工具。

 

Copyright © 2004-2024 vtrois.com All Rights Reserved
更新时间:2026/4/5 8:48:54