压铸模用零件标准
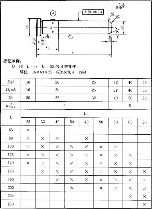
压铸模用零件标准如表8.3-2所示。 表8.3-2 压铸模用零件标准编号  下面介绍部分压铸模零件的形状和规格系列: 1.A型导柱(GB4678.4-1984)(表8.3-3) 表8.3-3 (mm)  注:本A型导柱兼作推板导柱使用。 2.B型导柱(GB4678.5-1984)(表8.3-4) 表8.3-4 (mm)  3.A型导套(GB4678.6-1984)(表8.3-5) 表8.3-5 (mm)  4.B型导套(GB4678.7-1984)(表8.3-6) 表8.3-6 (mm)  5.推板导套(GB4678.10-1984)(表8.3-7) 表8.3-7 (mm)   6.推板导柱(GB4678.9-1984)(表8.3-8) 表8.3-8 (mm)   7.推杆(GB4678.11-1984)(表8.3-9) 表8.3-9 (mm)   8.复位杆(GB4678.12-1984)(表8.3-10) 表8.3-10 (mm)   注:本复位杆兼作推杆使用。 |