网站首页  词典首页


请输入您要查询的字词:

 

字词 外抱块式制动器
类别 中英文字词句释义及详细解析
释义 外抱块式制动器

外抱块式制动器常用于起重运输设备等,多数为常闭式。其常用的结构形式如下:

3.1 常闭式长行程电磁液压制动器。

如图4.8-1所示,当驱动装置5中电磁线圈通电时,推杆上推,使制动臂3克服主弹簧2的推力而使制动器松闸。图4.8-2所示为主弹簧置于侧面的长行程电磁液压制动器。

1—制动瓦 2—主弹簧 3—制动臂 4—推杆 5—驱动装置

3.2 常闭式短行程电磁铁制动器。

如图4.8-3所示,其电磁铁有直流和交流电磁铁两种。图a)为交流电磁铁,动铁芯2绕轴1转动;图b)为直流电磁铁,动铁芯被吸合后可直接克服主弹簧力而松闸。

1—销轴 2、3—动铁芯 4—电磁线圈 5—驱动装置

3.3 常闭式无上框短行程制动器

如图4.8-4所示,当直流电磁铁通电吸合时,因压缩主弹簧而松闸。其特点是:弹簧力易调、磁铁间隙小(0.6~3.0mm)、动作快。

1—直流电磁铁 2—主弹簧 3—动铁芯 4—制动瓦 5、6、7—杠杆 8—销轴 9—基架 10—调整螺钉

3.4 短行程直流电磁铁块式制动器

如图4.8-5所示。

1—直角杠杆 2—调整螺钉 3—弹簧 4—手柄 5—动铁芯

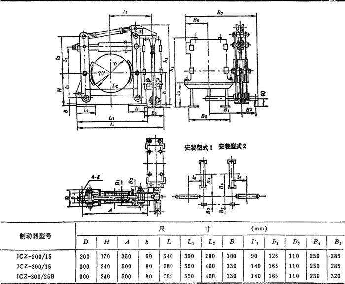
外抱块式制动器的特点和应用见表4.8-5,常用的标准块式制动器的有关参数分别见表4.8-6~4.8-15。

表4.8-5 外抱块式制动器的特点和应用

注:拉杆长度根据中心高h选取。如果实长超出表内范围,允许按实际需要标注。

表4.8-13 制动轮(摘自JB/ZQ4389—86)

注:括号内尺寸不推荐使用。

随便看

 

离鸟网收录3541549条中英文词条,其功能与新华字典、现代汉语词典、牛津高阶英汉词典等各类中英文词典类似,基本涵盖了全部常用中英文字词句的读音、释义及用法,是语言学习和写作的有利工具。

 

Copyright © 2004-2024 vtrois.com All Rights Reserved
更新时间:2026/5/28 20:22:03