网站首页  词典首页


请输入您要查询的字词:

 

字词 插装式压力阀
类别 中英文字词句释义及详细解析
释义 插装式压力阀

二通插装阀目前国内主要产品有北京液压件厂生产的力士乐系列;上海七〇四所生产的TJ系列;济南铸造锻压机械研究所生产的Z系列。以上三种产品100通径以下连接尺寸均符合DIN24342(等同于GB2877-81及ISO/DP-7368)

(1)北京液压件厂生产的力士乐系列压力阀

A.型号说明

(A)插装件型号说明

a.溢流阀插装件

(B)控制盖板符号

a.LFA型溢流控制盖板符号

见表19.5-10。

表19.5-10 LFA型溢流控制盖板符号

C.性能参数

(A)LC型溢流阀插装件

a.介质

见表19.5-12。

表19.5-12 LC型溢流阀插装件介质

b.LC型溢流阀插装件性能参数

❶ 油口A和B最高压力:42MPa

❷ 最大流量:见表19.5-13

表19.5-13 LC型溢流插装件最大流量

c.LC型溢流阀控制盖板

最高工作压力:40MPa

(B)LC型插装式减压阀插装件

a.介质

见表19.5-12。

b.LC型减压阀插装件性能参数

❶ 油口A和B最高压力:31.5MPa

❷ 最大流量:见表19.5-14

表19.5-14 LC型减压插装件最大流量

(c)LFA型控制盖板性能参数

最高二次压力:35MPa

(C)插装式顺序阀性能参数

a.介质

见表19.5-12。

b.插装件与插装式溢流阀插装件通用

c.LFA型减压阀控制盖板性能参数

最高顺序压力:35MPa

D.插装式压力阀外形与安装尺寸(LC型插装件,LFA型控制盖板)

(A)外形尺寸

见表19.5-15。

表19.5-15 插装式压力阀外形尺寸

(LC型插装件、LFA型控制盖板)

(B)安装尺寸(等同于DIN24342)

见表19.5-16。

表19.5-16 插装式压力阀安装尺寸

(LC型插装件、LFA型控制板) 单位:mm

(2)上海七〇四所插装式压力阀

A.型号说明

(A)插装件型号说明

❶ 名称:插装件

❷ 通径:见表19.5-17

表19.5-17 插装阀通径代号(TJ型插装件)

❸ 阀套型式

0——标准型(与无尾部阀芯配合的阀套)

1——与带尾部结构阀芯配合的阀套

3——减压阀型

5——弹簧倒置型

❹ TJ型插装件阀芯型式主代号

0——标准型(无尾部)

1——带锥型缓冲阻尼尾部

2——带双节流窗口尾部

3——减压阀型

4——带回节流窗口尾部

5——弹簧倒置型

❺ TJ型插装件型式辅助代号

(无)——标准型

C——侧向钻孔型(单向阀用)

G——带底部阻尼孔及O形密封圈

H——带O形密封圈

J——带O形密封圈及侧向钻孔型

R——带底部阻尼孔型

❻ 开启压力:见表19.5-18

表19.5-18 开启压力代号

❼ 面积比(αA):见表19.5-19

表19.5-19 面积比代号

❽ 设计号

❾ 密封型式

(无)——标准型(线密封型)

W——面密封型

❿ 材料

(无)——GCr1或40Cr

1——4Cr13或13Cr13

2——OCrr17Ni7A1(沉浸硬化不锈钢)或9Cr18(不锈轴承钢)

(B)控制盖板型号说明

❶ 名称:控制盖板

❷ 通径:见表19.5-17

❸ 盖板功能

Y1——溢流阀,安全阀

Y2——用于组成常开型电磁溢流阀或多级压力控制阀

Y3——用于组成常闭型电磁溢流阀或多级压力控制阀

Y4——用于组成电磁溢流单元,采用球阀先导卸荷

Y5——用于组成溢流单元带遥控口或复合方向控制功能

Y6——用于组成方向及背压控制单元

Y7——用于组成电磁溢流单带遥控口

J1——用于组成减压控制单元

J2——用于组成减压控制单元带卸荷功能

J3——用于组成减压控制单元带卸荷功能

❹ 先导换向阀型式

W——滑阀式电磁换向阀

S——球阀式电磁换向阀

(无)——无换向阀

❺ 先导换向阀规格代号

3——通径NG6(ISO4401-3)

5——通径NG10(ISO4401-5)

(无)——无换向阀

❻ 调节形式

A——手轮调节器

B——带锁螺母

C——千分尺结构

D——带锁千分尺结构

(无)——无调节机构

❼ 压力级:见表19.5-20

表19.5-20 压力级代号

❽ 工作介质

(无)——矿物油基工作液

W——水基工作液

❾ 设计号

❿ 零件号

B.符号

(A)TJ型压力控制插装件符号

见表19.5-21。

表19.5-21 TJ型压力控制插装件符号

(B)TG型压力控制盖板符号

见表19.5-22。

表19.5-22 TG型压力控制盖板符号

C.TJ型压力控制插装件性能参数

(A)介质要求

介质类别:矿物油;水一乙二醇;油包水或水包油;乳化液

温度范围:-20~70℃

粘度范围:13~380mm2/s

过滤精度:25μm

(B)流量

见表19.5-23。

表19.5-23 TJ型压力控制插装件工作流量

(C)TJ型压力控制插装件工作压力

最高工作压力31.5MPa。

D.外形及安装尺寸

(A)TG型压力控制盖板外形尺寸

见表19.5-24。

表19.5-24 TG型压力控制盖板外形尺寸 单位:mm

(B)TG型压力控制盖板安装尺寸

16~100通径见表19.5-16,125和160通径见表19.5-25

表19.5-25 TG型压力控制盖板安装尺寸(125和160通径) 单位:mm

(3)济南铸锻所研制的插装式压力阀、方向阀、流量阀

济南铸锻所生产的二通插装阀分为3系列、4系列、5系列,下面介绍的是其最新的5系列产品,该产品编号压力、方向、流量控制放在一起,没有单独编号,在此一并介绍。

A.型号说明

(A)Z型插装件型号说明

❶ 名称:插装件

❷ 插装件型式

1——基本插装件

11——基本插装件(阀芯内钻孔)

2——带阻尼孔插装件

3——带缓冲头插装件

4——常闭滑阀型插装件

41——常开滑阀型插装件(AC腔间有单向阀)

42——常闭滑阀型插装件

43——常开滑阀型插装件(AC腔间有阻尼孔)

5——节流插装件

6——A型常开插装件

❸ 面积比(α)

A——1.2

B——1.5

C——1

D——1.07

❹ 压力级:H级最高压力为35MPa

❺ 开启压力(脚标)

无——无弹簧

a——0.05MPa

b——0.1MPa

c——0.2MPa

d——0.4MPa

e——0.5MPa

f——0.8MPa

❻ 通径:见表19.5-26

表19.5-26 通径代号

❼ 连接型式:Z指插装式

❽ 设计号:5指第五次改进型

❾ 介质

(无)——矿物油

W——高水基液压液

V——磷酸酯液压液

❿ 其它细节用文字说明

(B)F型控制盖板型号说明

❶ 名称:控制盖板

❷ 盖板功能

01——基本控制

02——滑阀控制

03——梭阀控制

04——滑阀梭阀控制

05——梭阀滑阀控制

12——吸入阀控制

13——集中滑阀控制

16——换向集中控制

17——换向双单向集中控制

21——调压控制

22——换向调压控制

23——卸荷溢流控制

24——减压控制

25——顺序控制

26——双调压控制

27——单向调压控制

28——换向双调压控制

41——节流控制

42——换向节流控制

❸ 基本功能变型:A,B……

❹ 压力级:H指最高35MPa。

❺ 压力控制盖板调压范围(脚标)

a——0.6~8MPa

b——4~16MPa

c——8~21MPa

d——16~35MPa

❻ 通径:见表19.5-26

❼ 连接方式:F指法兰式

❽ 在节流控制盖板中,节流杆较标准值长出的数值

❾ 设计号:5指第五次改进型

❿ 介质

(无)——矿物油

W——高水基液压液

V——磷酸酯液压液

⑾其它细节用文字说明

B.符号

(A)Z型插装件符号

见表19.5-27

表19.5-27 Z型插装件符号

(B)F型控制盖板符号

见表19.5-28。

表19.5-28 控制盖板符号

C.性能参数

(A)介质

介质类别:矿物油;水一乙二醇;水包油或油包水;

高水基液压液

温度范围:-28~80℃

粘度范围:2.8~380mm2/s

污染度:不低于NAS10级

(B)Z型插装件流量

见表19.5-29。

表19.5-29 Z型插装件工作流量

(C)Z型插装件压力

最高工作压力为35MPa。

D.压力插装阀(Z型插装件)外型和安装尺寸

(A)外形尺寸

见表19.5-30。

表19.5-30 压力插装阀(F型控制盖板)外形尺寸 单位:mm

(B)安装尺寸

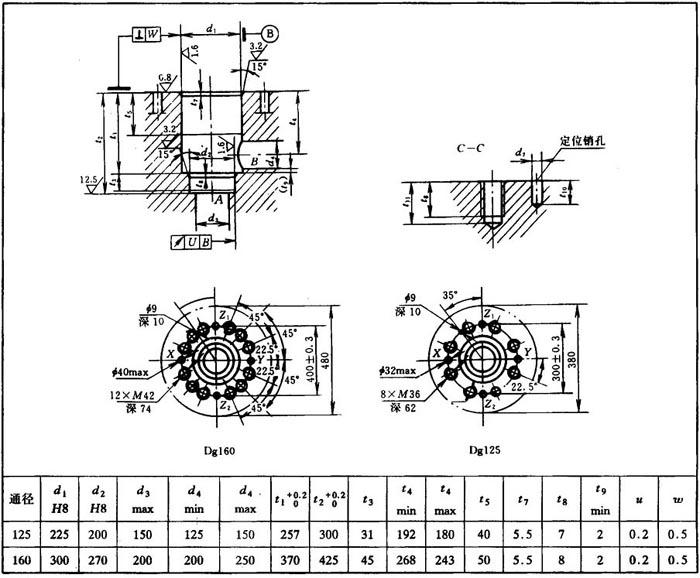
16~100通径见表19.5-22,125和160通径见表19.5-31。

表19.5-31 压力插装阀(Z型插装件)安装尺寸(125和160通径)

随便看

 

离鸟网收录3541549条中英文词条,其功能与新华字典、现代汉语词典、牛津高阶英汉词典等各类中英文词典类似,基本涵盖了全部常用中英文字词句的读音、释义及用法,是语言学习和写作的有利工具。

 

Copyright © 2004-2024 vtrois.com All Rights Reserved
更新时间:2026/4/9 15:34:31