有色金属棒材
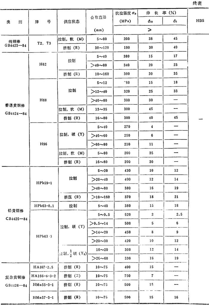
见表2.3-27和2.3-28。 表2.3-27 铜棒(圆棒、方形、六角形棒)      注: ❶ 公称直径系指圆棒直径,方形、六角形棒内切圆直径。 ❷ 按直径极限偏差分较高级与普通级二种精度等级。 ❸ 括号内的公称直径不推荐使用。 ❹ 表中所列为室温纵向机械性能。 ❺ 标记示例:用T2制成Φ20mm的拉制普通级圆形棒材,标记为:棒T2拉Φ20G B4423-84 表2.3-28 优质铝及铝合金挤压棒(圆形、方形、六角形棒)(GB 10572-89)   注: ❶ 公称直径系指圆棒直径、方形、六角形棒内切圆直径。 ❷ 括号内的公称直径只对圆棒供应。 ❸ 按直径极限偏差分为普精级及高精级二极。 ❹ 表中所列为室温纵向力学性能,供应状态代号含义见表2.1-80。 ❺ CZ、CS状态的棒材直径不大于150mm。 ❻ LD2,LD5,LD10,LC4,LC9,LY11,LY12可供应直径20-150mm的高强度铝合金圆棒, ❼ 棒材长度:直径≤50mm的为1~6m;直径>50mm的为0.5~6m。 ❽ 标记示意:用LY12制造的淬火、自然时效状态、高精级、直径为25mm的圆棒标记为: 棒LY12CZ高精Φ25GB10572-89。 用LY11制造的淬火、自然时效状态、高精级、内切圆直径为30mm的六角棒标记为: 棒LY11CZ高精六角30GB10572-89。 |