网站首页  词典首页


请输入您要查询的字词:

 

字词 机械加工非圆机构
类别 中英文字词句释义及详细解析
释义 机械加工非圆机构

例5.2-65 加工方孔的等边三角钻

图示以方孔夹具和等边三角钻来加工凸边方孔。图a)主轴2通过十字联轴节3驱使三棱柱杆6在机架1的方孔内转动。三棱柱的中心绕方孔中心以半径a作圆周运动。三棱柱中心绕转的方向与三棱柱沿方孔内边的滚动方向相反。三棱柱通过长盘5带动三角钻头4重演三棱柱6和方孔1之间的相对运动加工出方孔。三棱柱和三角钻头的尖角均为120°,如图b)所示。用这种方法不可能得到精确的正四方形,直角处有圆角,称作凸边方孔。圆角半径约为0.015L(l为正方孔边长)。加工大的方孔可采用图c)、d)的形式,以7、8、9三把夹刀代替钻头,并改变偏心a的长度。如将钻头4改制为五边形,可加工正六方形。

例5.2-66 车削椭圆边正多边形机构

刀盘6对称安装两把车刀M、N,并与齿轮1同轴转动,由齿轮1通过齿轮2驱动齿轮3同向转动,且

卡盘4夹紧工件5,并与齿轮3同轴转动,如图b),给主动轴1、从动轴3和机架等整个机构一公共转速(-n3),使从动轴3固定不动,主动轴1带动两把车刀M、N绕O3以(-n3)作圆周运动,同时绕O1轴以n1作自转,M、N的轨迹分别为椭圆M′、N′,两转动的合成把工件表面切制成四段椭圆弧组成的近似正方形CDEF。M′、N′二椭圆轴线垂直,其长轴半径a=A+R,短轴半径b=A-R。当增大长轴半径、减小短轴半径,则椭圆弧将趋平直,近似正方形而更适合应用。如改变刀具的伸出长度和数目,则可加工不同尺寸的近似四、六、八……等正多边形零件。

例5.2-67 车制摆线边正多边形机构

主动轴Ⅰ装有车刀4,并通过齿轮1带动内齿轮2作同向转动。齿轮2安装工件3。车刀4在Ⅰ的花键轴上作轴向移动,其刀刃M在工件3上切制摆线轨迹线,制成的摆线边近似正多边形。刀具数和齿数比z1/z2不同,所切制的正多边形的边数也不同,如下表:

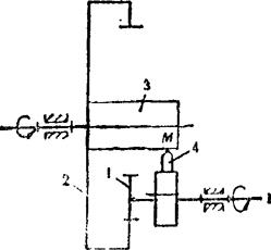
例5.2-68 磨削非圆工件机构

主动偏心轮1通过推杆2、杠杆3、顶杆4和推杆5来控制砂轮6的轴心位置,使砂轮轴心按椭圆形轨迹运动。其轴心方程为:

如偏心轮1和工件7的转速比n与杠杆比b/a保持一定关系,即当n=1、b/a=1时,则磨出偏心距为e、半径为(OO2-R)的偏心圆轴(或孔);n=2、b/a=2时,磨得近似椭圆轴;n=3、b/a=3,得三面轴;n=4、b/a=4,得四面轴(或孔)。

在上述条件下磨出的工件7的轮廓方程为:

式中,为工件7的平均半径;Rmax,Rm1n分别为工件的最大和最小半径。

例5.2-69 修正砂轮轮廓仿形机构

磨削渐开线齿廓的砂轮工作面A1、Az失准,可用修正砂轮的仿形机构修磨。如图示,往复摆动操纵杆1通过两对称平行杆机构的触头,在固定靠模板的轮廓B1、B2上滑动,使金刚石磨头3按要求轮廓修磨砂轮磨损工作面A1、A2。被修磨的砂轮自转。

随便看

 

离鸟网收录3541549条中英文词条,其功能与新华字典、现代汉语词典、牛津高阶英汉词典等各类中英文词典类似,基本涵盖了全部常用中英文字词句的读音、释义及用法,是语言学习和写作的有利工具。

 

Copyright © 2004-2024 vtrois.com All Rights Reserved
更新时间:2026/4/8 10:59:25