电位差及电动势的测量方法
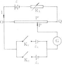
用伏特表测量电路中两点间的电位差及电源的电动势,由于伏特表的分流及电源多少具有一定的内阻,所以测量结果就不那么精确。 为此,比较理想的是利用补偿法来测量。电位差计(电势计)就是利用补偿法进行测量的仪器,其基本原理如下图所示,图中QPO是有精确  刻度的分压器(P是滑动点)。先断开K1接通K2,滑动P至某处P′,使OP′上的压降Vop’与标准电池的电动势εs相等时,即:  这时,通过杄流计的电流应为零,上式中  然后,断开K2,接通K1,滑动P到某处P”,使杄流计中电流为零,此时应有  于是有 在使用仪器时,一般通过调节RA使I为某一固定值,亦即使 ,有某一固定值,于是校正后,可由 直接读出εx。 |