网站首页  词典首页


请输入您要查询的字词:

 

字词 螺钉标准件
类别 中英文字词句释义及详细解析
释义 螺钉标准件

螺钉标准件分别见表4.2-25~4.2-32。

表4.2-25 内六角圆柱头螺钉(摘自GB 70—85) mm

注:括号内规格尽量不用;dk值❶ 为光滑头部,
❷ 为滚花头部。

表4.2-26 内六角花形盘头螺钉(摘自GB2672—86)、内六角花形沉头螺钉(摘自GB2673—86)内、六角花形半沉头螺钉(摘自GB2874—86) mm

注:括号内规格尽量不采用。

表4.2-27 十字槽圆柱头螺钉(摘自GB822—88)及十字槽小盘头螺钉(摘自GB823—88) mm

注:尽量不采用括号内规格。

表4.2-28 开槽锥端紧定螺钉(摘自GB71—85)、开槽平端紧定螺钉(摘自GB73—85)、开槽凹端紧定螺钉(摘自GB74—85)、开槽长圆柱端紧定螺钉(摘自GB75—85)

注:
❶  尽可能不采用括号内的规格。
❷  GB3098.3。

表4.2-29 方头长圆柱端紧定螺钉(摘自GB85—88)、方头短圆柱锥端紧定螺钉(摘自GB86—88)、方头倒角端紧定螺钉(摘自GB821—88) mm

注:
❶  尽可能不采用括号内规格。

❷  l范围均为通用规格。

表4.2-30 吊环螺钉(摘自GB825—88) mm

注:大于M48的规格见原标准。

表4.2-31 最大起吊重量(摘自GB825—88) t

注:表中数值系指平稳起吊时的最大起吊重量。

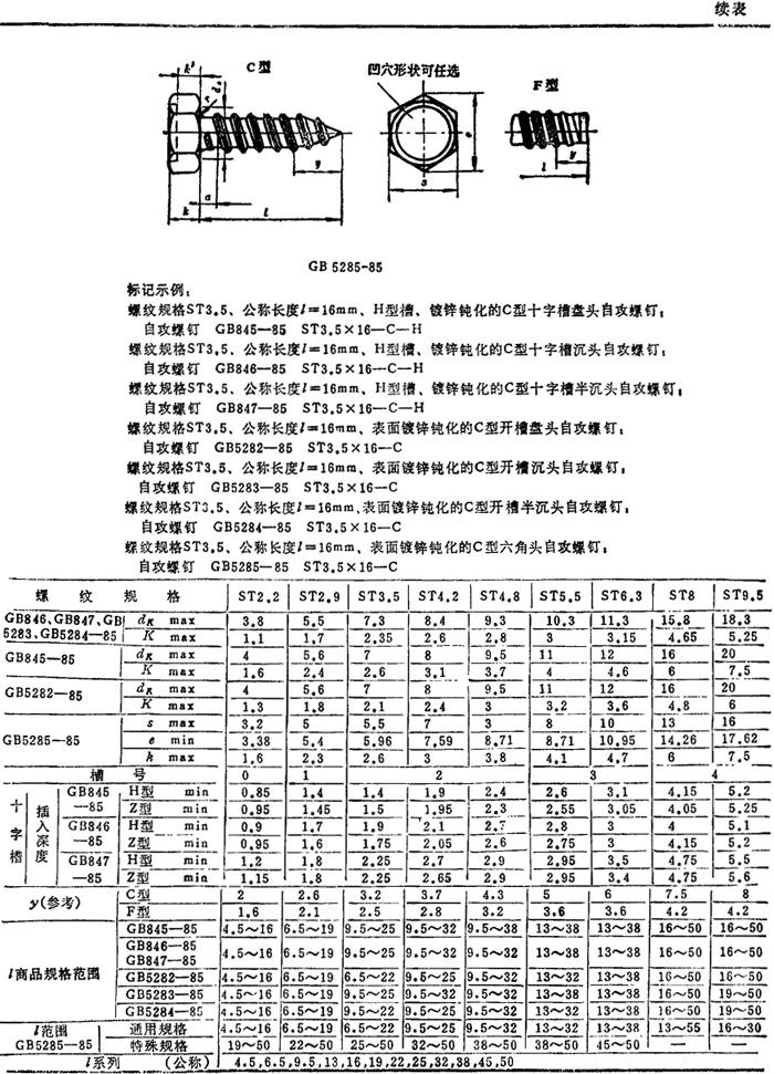
表4.2-32 十字槽盘头自攻螺钉(摘自GB845—85)、十字槽沉头自攻螺钉(摘自GB846—85)、十字槽半沉头自攻螺钉(摘自GB847—85)、开槽盘头自攻螺钉(摘自GB5282—85)、开槽沉头自攻螺钉(摘自GB5283—85)、开槽半沉头自攻螺钉(摘自GB5284—85)、六角头自攻螺钉(摘自GB5285—85) mm

注:螺钉末端为锥端称C型,平端称F型

随便看

 

离鸟网收录3541549条中英文词条,其功能与新华字典、现代汉语词典、牛津高阶英汉词典等各类中英文词典类似,基本涵盖了全部常用中英文字词句的读音、释义及用法,是语言学习和写作的有利工具。

 

Copyright © 2004-2024 vtrois.com All Rights Reserved
更新时间:2026/4/7 13:12:47