网站首页  词典首页


请输入您要查询的字词:

 

字词 过载保险机构
类别 中英文字词句释义及详细解析
释义 过载保险机构

机件传递的动力,常因载荷的变化而发生较大波动,随机性很强。若其波动超出机件的承载能力,则可能损伤机件,甚至造成事故性破坏。因此,有些机器设置有保险装置,进行过载安全保护。过载保护的方式很多,如过载断销式、过载打滑式、过载脱啮式等。

过载断销式:在驱动构件与负载构件间的适当环节处设置安全销,其作用相当于电器设备的溶断保险丝。当过载时,安全销因受力过大而被剪断,以保护整机的安全。

过载打滑式:在驱动构件与负载构件间的适当环节设置过载打滑式联轴器,在过载时联轴器打滑,使整机得到安全保护。

过载脱啮式:当过载时,驱动部与负载部脱离啮合,使驱动部在无负荷下空转,负载部因失去动力而停转。

不论何种方式,均可另外设置断路开关,在过载脱啮或过载断销时,由断路开关使驱动部停车。

例5.2-207 丝锥防断滚珠打滑式保险装置

图中主动套1通过用弹簧压紧的滚珠2带动丝锥的方柄3,在过载时,丝锥方柄将滚珠2推至孔中,1、3之间打滑,以防丝锥扭断。用调整螺塞4调节弹簧压力,可得到不同的打滑扭矩。

例5.2-208 滚珠打滑式安全联轴器

图中主动盘1和从动盘2都装有滚珠,盘2空套在轴6上,由弹簧4的推力使主、从动盘的滚珠互相啮合。套筒3用键与轴联接,同时用滑键与盘2相连。螺母5用来调整弹簧4的压力,调整后用销钉7将5固定在轴上。当传递扭矩过载时,克服弹簧力使盘2沿轴向右移,使主、从动盘的滚珠产生滑移,从而起到过载保护作用。该机构用于经常过载而又需要安全的场合,如机床的进给机构。

例5.2-209 平面摩擦打滑式保险离合器

如图示,主动带轮1通过与摩擦片7间的摩擦力带动套筒5及从动轴2转动。当轴2过载时,摩擦面打滑,起保险作用。摩擦面间的压紧力由弹簧9产生,用螺母10调整压紧力的大小。图中的3为2、5的联接键,并用螺钉4紧固。8为活动套筒,6为隔套。摩擦面也可制成锥面,以增大接触面间的摩擦力。

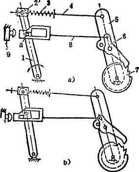
例5.2-210 弹簧-棘爪脱啮式保险机构

正常工作时,如图a),由主动摆杆1通过滑块2、弹簧3带动杆4、5和棘爪6,使棘轮7作单向间歇转动。过载时,杆1通过滑块2压缩弹簧3,并使销a由杆8的窄槽滑到宽槽,在摆杆1的回程开始时,由销a带动杆8拉起棘爪,如图b,棘爪棘轮脱离啮合,起到保险作用。如果在摆杆1左侧适当位置安装断路开关9,则在过载时,由杆1带动杆8的左端与开关9碰触,切断电路。

例5.2-211 爪式离合器脱啮保险装置

如图示,负载齿轮4与套筒3用爪式离合器联接,在3的左端隔180°配有V形槽与滚子2接合,滚子2装在主动轴1上。3与2的接合力来自弹簧5,并可由螺塞6进行调整。过载时,V形槽斜面与滚子相互作用,通过3克服弹簧5的推力,3、4沿轴向右移,滚子2脱开V形槽,将传动系统断开。当1转过180°后,3在弹簧力的作用下,其V形槽再度对准滚子重新接合,即3左移回归原位,但齿轮4仍停留在右侧,从而4、3脱离,起到保险作用。若使轮4重新转动,则必须将轮4左移,使4、3间的离合器接合。

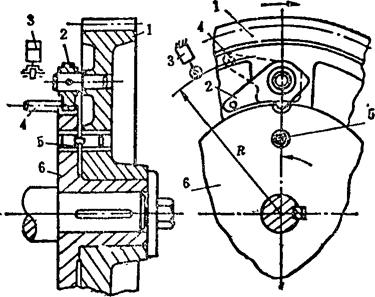
例5.2-212 加压机的断销式保险装置

如图示,连杆AB由4、6两杆铰接于C处,并用螺栓5固联。C点不在AB线上。过载时,螺栓5因受力过大而被拉断,铰链C恢复铰链功能,使机构由1个自由度变为2个自由度,这时机构的运动即使不停止,也不会造成其它构件的损坏,可起到保险作用。

例5.2-213 带断路开关的断销式保险装置

如图示,齿轮1通过剪切销5与盘6联为一体,共同传递动力。当过载时,销5被剪断,1和6间产生相对转动,可起到过载保险作用。过载断销后,1和6间产生相对转动,使摆臂2摆到图示虚线位置,摆臂2上的柱销4碰触附设在机架上的断路开关3,以实现停车。

例5.2-214 弹性支座过载保险装置

图中曲柄摇杆机构ABCD以曲柄1为主动件,通过连杆2带动摇杆3绕弹性支座D摆动。当3的E处所承受的负荷过载时,杆3的支点D将用构件4压缩弹簧,可在一定程度上起到过载保护的作用。

例5.2-215 差动保险离合器

图示轮系中,a为主动轴,b为承受负载的从动轴。如拉紧制动器4,则相当于3固定,为单自由度行星轮系,a轴带动b轴转动;若松开制动器4,则为两自由度的差动轮系,因轴b有负载,故齿轮2不转,轮3空转。因此,若预先将4的制动力矩设置为正常工作时使轮3不转的合适数值,则过载时3克服制动力矩而转动,负载轮2静止,即可起到保险作用。其特点是:无须停车;当负载恢复正常时,系统自动进入正常工作状态。

例5.2-216 离心式保险离合器

图中,5为主动轮,1为负载构件,4为重锤。当轮5转速不高时,由于构件1有负载而不动,故主动轮空转。当轮1转速增高到一定数值后,重锤4的离心力有使1、2被拉成直线的趋势,构件1被带动。若1过载,则主动轮空转。其特点是:无须停车;负载恢复正常时,系统可自动恢复到正常工作状态。

随便看

 

离鸟网收录3541549条中英文词条,其功能与新华字典、现代汉语词典、牛津高阶英汉词典等各类中英文词典类似,基本涵盖了全部常用中英文字词句的读音、释义及用法,是语言学习和写作的有利工具。

 

Copyright © 2004-2024 vtrois.com All Rights Reserved
更新时间:2026/4/9 2:14:19