网站首页  词典首页


请输入您要查询的字词:

 

字词 钢质防火门
类别 中英文字词句释义及详细解析
释义 钢质防火门

防火门是指建筑物中,能不同程度阻止火灾蔓延或延缓火灾蔓延的门。在建筑设计中,应按规范要求设置防火墙等分隔设施,以达到防火分区的目的;为了满足生活、生产之需要,又必须在防火墙上开设门。如果该洞口处不设置耐火极限等于或超过1.2h的防火门、窗,那么一旦发生火灾,火势就可能通过该洞口迅速蔓延到另一个区域。为防止火灾蔓延,该洞口处必须设置可供关闭的,具有一定耐火极限要求的设施——防火门。

防火门不同于其他民用门。它必须有合理的选材,良好的结构,可靠的耐火性能,通过国家标准,GB7633-87《门和卷帘的耐火试验方法》规定的试验方法进行的耐火检测。防火门的试验结果及其要求,须经国家有关消防主管机关和监督部门的鉴定和批准。作为消防产品的生产厂家,还须持有经有关单位批准发放的生产及销售许可证明,这样,方可供设计采用。

(一)防火门、防火窗的分类及耐火极限

1.按门扇数量分,有单扇防火门和双扇防火门。

2.按门扇结构分,有镶玻璃防火门和不镶玻璃防火门;带上亮窗的防火门和不带上亮窗的防火门。

3.按开启形式分,有平开防火门和推拉防火门。

4.按材质分,有钢质防火门和木质防火门。

5.按耐火极限分,有甲级防火门(耐火极限为1.2h),乙级防火门(耐火极限为0.9h),丙级防火门(耐火极限为0.6h)。

单层钢窗,装有用铁销销牢的铅丝玻璃,其耐火极限为0.79h。

单层钢窗,用角钢加固窗扇上的铅丝玻璃,其耐火极限为0.9h。

双层钢窗,装有用铁销销牢的铅丝玻璃,其耐火极限为1.2h。

(二)钢质防火门的技术要求

1.钢质防火门,其主要部件由门框、门扇组成,材料应采用冷轧钢板。门框宜采用1.2~1.5mm厚钢板,门扇面板宜采用0.8~1.2mm厚钢板。门框及门扇结构中所需用的加固件,也应采用冷轧钢板,其厚度宜采用1.2~1.5mm。加固件上如果设有螺孔,其钢板厚度应不低于3mm。

门扇及门框内应用不燃烧材料填实。当前许多生产厂家,门扇的填充材料采用了硅酸铝纤维(又称陶瓷棉),该材料密度小(0.13~0.25g/cm3),耐火度≥1770℃,最高使用温度可达到1200℃。由于其性能较好,多数生产厂家用作甲级防火门的填充料。门框的填料一般与门扇不同。门框成形后送到建筑工地现场安装,并在其空腔内填以水泥砂浆,以保证门框的耐火极限。

安装在防火门上的合页、锁具、插销等五金配件,也应有相应的要求,其材料的熔融温度应不低于950℃。对于防火门上的合页,不得采用双向弹簧合页,这是因为一旦发生火灾时,由于压力差的原因,可能使门打开而造成火势蔓延。单扇门还应设置能自动关闭的闭门器。

双扇门的中缝处,应设计有盖缝板或采用结构性的机械密封,以保证在火灾时火焰不能从中缝处窜到另一面。双扇门还须装设闭门器和顺序器。常开防火门,必须加设释放器。

2.在闭门状态下,门扇应与门框贴合。其搭接量不得小于10mm,门扇与门框之间的两侧缝隙不得大于4mm。上侧缝隙不得大于3mm。双扇门中间缝隙不得大于4mm。

3.外观质量如下:

焊接应牢固,焊点分布均匀,不得出现假焊和烧穿现象,外表面塞焊部位应打磨平整。

防火门表面应喷涂防锈底漆,漆层应均匀平整、光滑,不得有堆漆、麻点、气泡、漏涂以及流淌等现象。

门框、门扇表面应无明显凹凸、擦痕等缺陷。

(三)钢质防火门的结构

1.钢质防火门是指用冷轧薄钢板制成的门框、门板、加强用骨架,在门扇内部填充不燃烧材料,并装配以五金锁具、闭门器、合页等,能满足耐火稳定性、完整性和隔热性要求的门种。

2.门框(如图3-2-5)是采用厚度为1.5mm的冷轧薄钢板,经切割、冲孔、冷弯加工、组装焊接而成。其竖框和横框的断面,又可分为双槽口和单槽口两种形式(如图3-2-6,3-2-7)。为保证门框槽口两对角线的长度误差符合要求,门框外表面质量在焊接过程中不受损,保证横框和竖框45°接头处的强度,在其两框接口处设计了加强的连接板焊接结构(如图3-2-5;为防止门框在贮存、搬运过程中发生变形,在左右两竖框的下端,还增设了一根可供拆卸的连接件(如图3-2-5)。

3.门板是采用厚度为1.0mm冷轧薄钢板,经切割、冲孔、冷弯加工、焊接附件、填充不燃烧材料、面板背板组合焊接而成,如图3-2-8所示。为了最大限度地减小火灾时门板变形,防止明火窜到洞口的另一侧,同时也可以增大门板的整体刚度,在门板的内部,设计了不同形式的加强筋。门板空腹内多填以不燃烧材料,即硅酸铝纤维。该材料耐火度高、热稳定性好且密度较小;但如贮存环境温度高或遇水,会破坏纤维间的粘接剂,造成纤维解体而发生沉积,使门板内形成空腔,严重影响防火门的耐火极限。为保证不发生上述现象,在制造工艺中,厂家应在设计上采用无机粘接剂,将填料和面板连接,并用重型压力机压制成形,保证填料不脱落沉积。这不但保证了门的耐火可靠性,而且使门板外观平整。

4.产品标准的技术要求中,防火性能是防火门的主要技术指标,要求其耐火极限必须符合国家最新制订的国家标准《钢质防火门通用技术条件》(GB12955)中规定的内容。材料与配件要求,外观质量要求,尺寸与形位公差的要求也均应符合GB12955的规定。此外,北京市新型防火装备厂在内部标准技术要求中,还增加了门扇启闭灵活性及门扇闭合后回弹量的要求。这不但保证了防火门在火灾下的密闭,而且保证了常态使用下的灵活轻便。

(四)防火门的应用

以火力发电厂为例,根据房间火灾危险性大小,在《火力发电厂与变电所设计防火规范》第四章中规定,不同用途房间或隔墙上应采用不同等级的防火门。要求采用甲级防火门的有:

当汽机房侧墙外5~10m范围内布置有变压器时,在上述外墙上所设的防火门;

电缆隧道的防火墙上所设的防火门。

要求采用丙级防火门的部位有:

变压器室、配电装置室、发电机出线小室、电缆夹层、电缆竖井的检修门、主厂房汽机房与锅炉房之间隔墙上的门、蓄电池室、通风机室、充电机室、蓄电池室前套间通向走廊的门。

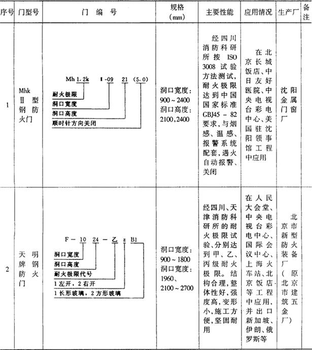
防火门的规格、性能、生产厂等见表3-2-14。

表3-2-14 防火门的规格、性能

(五)防火窗的应用

当汽机房侧墙外5~10m范围内布置有变压器时,变压器高度以上可设防火窗,其耐火极限不应小于0.9h。

随便看

 

离鸟网收录3541549条中英文词条,其功能与新华字典、现代汉语词典、牛津高阶英汉词典等各类中英文词典类似,基本涵盖了全部常用中英文字词句的读音、释义及用法,是语言学习和写作的有利工具。

 

Copyright © 2004-2024 vtrois.com All Rights Reserved
更新时间:2026/4/5 15:47:58